Nawaro7, большая вероятность, что у тебя блок питания исправный, просто не умеешь проверять!
Так вот и я об этом! Блок питания работает, вторички выдаёт!
"Nawaro7" писал(а):
Без лампы всё гуд, светодиод светит
О как!
"Nawaro7" писал(а):
почему при подключении лампы 40вт к С563 получается КЗ?
Nawaro7, а ты правильно её подключаешь? 1-й конец к минусу С563, второй к плюсу!По фотке вроде правильно!
Пульт от этого тв у тебя есть? Вторичные напряжения которые ты указал, походят на те, что тв должен находиться в дежурном режиме, то есть чуть занижены! Запуск тв из деж.режима должен происходить при нажатии кнопок - Каналы + на передней панели тв !!! Вполне вероятно что была включена защита от детей в настройках до поломки тв!!! Поэтому с кнопок на передней панели он не выходит из дежурного режима! Но это всего лишь мои домыслы! Дополнение:
В некоторых китайцах транзистор: В892 это ключ подачи напряжения +24V на кадровую и ТМС (трансформатор межкаскадный строчный)! Если В892 дохлый или кадровая м/схема, то тв тоже не запуститься из ДР!
Nawaro7, большая вероятность, что у тебя блок питания исправный, просто не умеешь проверять!
Если бы умел, сам бы давал советы
"s.chasin" писал(а):
Пульт от этого тв у тебя есть?
Увы
"s.chasin" писал(а):
Если В892 дохлый или кадровая м/схема, то тв тоже не запуститься из ДР!
В892 для проверки даже выпаивать пришлось - рабочий. Может проверить выходящее (24в) с него напряжение? До кадровой М/С мы ещё не дошли.
И после сегодняшних танцев с бубном вокруг ТВ действительно сложилось впечатление что он в ДР. А есть ли возможность вручную вывести ТВ из ДР?
Вообщем сегодня решил включить ТВ без ламп. Индикатор светит, в динамике при включении слышен тихий-тихий бульк и при выключении слышен звук типа сверчка Реакции на нажатие кнопок и на пульты от других тв - нет. Заново измерял выходящие с бп напряжения, они те же что и были.
Вопрос, я включаю без позистора с отлючённым размагничивающим кольцом, это как то влияет? Просто где то читал что временно можно отключить. Ну и вообще, в каком направлении мне теперь двигаться?
Можешь ваще не подключать,будут разноцветные пятна или разводы на изо и только.
С кадровой замеры сними и тут полож.
При нажатии кнопок локалки посмотри шо на входе проца творится.
При нажатии кнопок локалки посмотри шо на входе проца творится.
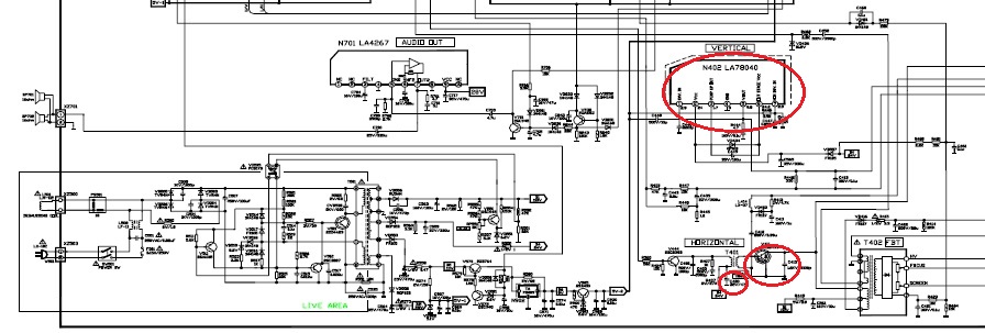
FIMA, а Nawaro7, у нас ещё начинающий! Вряд-ли найдёт вход проца! Это ему нужно пальцем тыкать а родной схемы нет! У меня на флешке должна быть схожая схема, но найти её немогу! Но тут явно проц шунтирует кадровая м/схема! Можно откинуть резистор или диод по питанию кадровой и проверить запуск строки!
Нахожусь в том прекрасном возрасте,когда тараканы в голове передохли,лапша на ушах не держится,а потенциал ещё,ох как велик...
- Вход или регистрация для ответа
 Nawaro7, большая вероятность, что у тебя блок питания исправный, просто не умеешь проверять!
- Вход или регистрация для ответа
 Так вот и я об этом! Блок питания работает, вторички выдаёт!
О как!
Nawaro7, а ты правильно её подключаешь? 1-й конец к минусу С563, второй к плюсу!По фотке вроде правильно!

Пульт от этого тв у тебя есть? Вторичные напряжения которые ты указал, походят на те, что тв должен находиться в дежурном режиме, то есть чуть занижены! Запуск тв из деж.режима должен происходить при нажатии кнопок - Каналы + на передней панели тв !!! Вполне вероятно что была включена защита от детей в настройках до поломки тв!!! Поэтому с кнопок на передней панели он не выходит из дежурного режима! Но это всего лишь мои домыслы!
Дополнение:
В некоторых китайцах транзистор: В892 это ключ подачи напряжения +24V на кадровую и ТМС (трансформатор межкаскадный строчный)! Если В892 дохлый или кадровая м/схема, то тв тоже не запуститься из ДР!
Прикрепленные файлы:
Нахожусь в том прекрасном возрасте,когда тараканы в голове передохли,лапша на ушах не держится,а потенциал ещё,ох как велик...
- Вход или регистрация для ответа
 Возможные причины в файле!
Прикрепленные файлы:
добей его
- Вход или регистрация для ответа
 НОТ - проверили, на кадровую указали!
Нахожусь в том прекрасном возрасте,когда тараканы в голове передохли,лапша на ушах не держится,а потенциал ещё,ох как велик...
- Вход или регистрация для ответа
 Если бы умел, сам бы давал советы
Увы
В892 для проверки даже выпаивать пришлось - рабочий. Может проверить выходящее (24в) с него напряжение? До кадровой М/С мы ещё не дошли.
И после сегодняшних танцев с бубном вокруг ТВ действительно сложилось впечатление что он в ДР. А есть ли возможность вручную вывести ТВ из ДР?
Вообщем сегодня решил включить ТВ без ламп. Индикатор светит, в динамике при включении слышен тихий-тихий бульк
и при выключении слышен звук типа сверчка
Реакции на нажатие кнопок и на пульты от других тв - нет. Заново измерял выходящие с бп напряжения, они те же что и были.
Вопрос, я включаю без позистора с отлючённым размагничивающим кольцом, это как то влияет? Просто где то читал что временно можно отключить. Ну и вообще, в каком направлении мне теперь двигаться?
- Вход или регистрация для ответа
 Можешь ваще не подключать,будут разноцветные пятна или разводы на изо и только.
С кадровой замеры сними и тут полож.
При нажатии кнопок локалки посмотри шо на входе проца творится.
ЧЕЛОВЕК-звучит гордо,выглядит отвратительно!
- Вход или регистрация для ответа
 FIMA, а Nawaro7, у нас ещё начинающий! Вряд-ли найдёт вход проца! Это ему нужно пальцем тыкать а родной схемы нет! У меня на флешке должна быть схожая схема, но найти её немогу!
Но тут явно проц шунтирует кадровая м/схема!
Можно откинуть резистор или диод по питанию кадровой и проверить запуск строки!
Нахожусь в том прекрасном возрасте,когда тараканы в голове передохли,лапша на ушах не держится,а потенциал ещё,ох как велик...
- Вход или регистрация для ответа
 Примеряем схемку аккуратненько не мнем.
Прикрепленные файлы:
ЧЕЛОВЕК-звучит гордо,выглядит отвратительно!
- Вход или регистрация для ответа
 Я Вас умоляю!! С женщиной вход быстро нашел,в ухо ж не понёс.
ЧЕЛОВЕК-звучит гордо,выглядит отвратительно!
- Вход или регистрация для ответа
 FIMA, Ну сейчас Nawaro7, легче будет проследить цепи!
Нахожусь в том прекрасном возрасте,когда тараканы в голове передохли,лапша на ушах не держится,а потенциал ещё,ох как велик...
Страницы