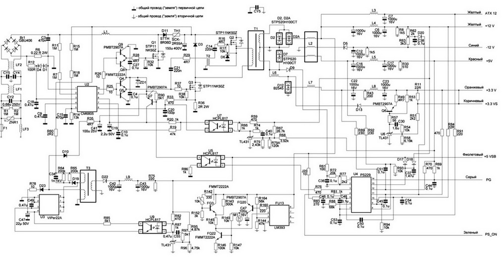
Занижена, дежурка в компьютерном, блоке питания. Блок питания BASE LEVEL 500W.Дежурки, сначала совсем небело я начал искать,нашел пробитый,диод 1N4148,заменил, напряжение появилось 2,47v.В цепи дежурки,проверил все элек.конденсаторы все в норме. Заметил что при выключении блока питания от сети 220v напряжение дежурки,кратковременно,подымается до 4v.
Дежурка на viper22a
18/02/2026 - 19:24
- Вход или регистрация для ответа
Занижена дежурка в компьютерном блоке питания
