Телевизор VESTEL шасси 11АК30-А14
БП - МС44608
Не запускается БП, нет импульсов с вывода - 5 микросхемы МС44608 на ключ транзистора Q801.
На выводе - 8 микросхемы МС44608 напряжение около 500V. Это внутренний обрыв в микросхеме, или такое может быть? (в умной книге написано, что размах напряжения должно быть минимум 7 V, а вот про максимум ничего)
П.С. В даташите написано, что максимальное напряжение на выводе - 8 до 500 V.
25/01/2014 - 14:47
- Вход или регистрация для ответа
Телевизор VESTEL шасси 11АК30-А14 - не работает БП.

- Вход или регистрация для ответа
 Интересно было бы взглянуть.
Выложи её режимы по постоянке. Про напр. на банке не забудь. Вторичка на КЗ проверена?
Будем ремонтировать или пусть работает?
"Человеку нельзя помочь помимо его воли." Г. Померанц
- Вход или регистрация для ответа
 Проверял обычным стрелочным тестером на постоянке, резистор и диод от вывода - 8 проверены. При таком большом напряжении похоже на внутренний обрыв в микрухе, но хотелось бы знать наверняка..
ВОТ - http://html.alldatasheet.com/html-pdf/12096/ONSEMI/MC44608/367/2/MC44608...
- Вход или регистрация для ответа
 А ты подумал, откуда там такое? Куда ты его включил?
Ты вообще на вопросы отвечать намерен или только спрашивать?
А подставить новую копеешную деталь на панельку?
А раньше были? В смысле предыстория не помешает.
Будем ремонтировать или пусть работает?
"Человеку нельзя помочь помимо его воли." Г. Померанц
- Вход или регистрация для ответа
 лерик, а слабое цикание слышно или полная тишина? Напряжение на банке?
- Вход или регистрация для ответа
 Ваще то должен быть импульс с размахом до 500v.
На выводе 6 шо?Должно быть около 9v.Если нету проверить D804,C806,L803,C810 и обмотку ТПИ.
С чего все началось? Полевик в БП убит? НОТ тоже?
Если полевик убит к цыганам не ходи меняй сразу и ШИМ.
Проверь С812 и замени R807(только новый и точно такой же).Вчера только было два тела с такой шаськой.
ЧЕЛОВЕК-звучит гордо,выглядит отвратительно!
- Вход или регистрация для ответа
 Откуда там может взяться такой мощный импульс (8 ножка МС44608), вериться с трудом, обязательно проверю. Если это действительно так то это «очевидное невероятное»
- Вход или регистрация для ответа
 Если честно, никогда даже мысли не было осциллом там смотреть.
И до сих пор сомненья: удвоение... утроение... полпериода... пульсирующее... тестер... ничего не понимаю... 500 вольт у меня никак не выходит.
А вот тут то когда транс качнётся, т.е. когда всё заработает и будет ШИМ в режиме и ключ на месте и ещё много условий
, они слегка перечислены, но афтор молчит.
Будем ремонтировать или пусть работает?
"Человеку нельзя помочь помимо его воли." Г. Померанц
- Вход или регистрация для ответа
 Да и не на выводе 8,а на стоке транзистора.Не знаю где афтор это читал,но читал не внимательно,тем самым и нас в блуд ввел.
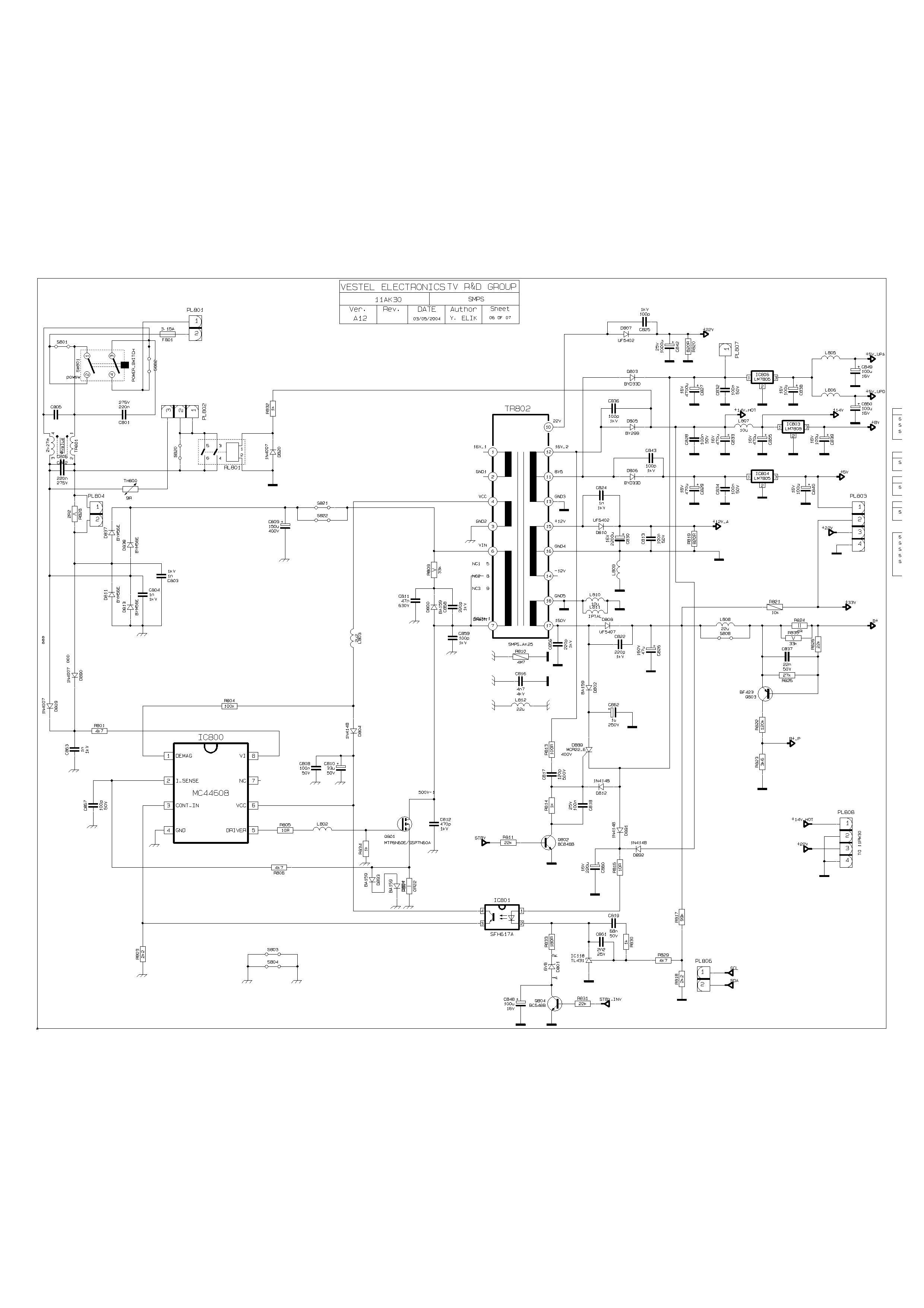
Вот нашел,пусть почитает.Там и схема приличная. http://master-tv.com/article/11ak30/
ЧЕЛОВЕК-звучит гордо,выглядит отвратительно!
- Вход или регистрация для ответа
 Да на стоке должно, но в таком случаи БП работает! Что тогда ищем?

- Вход или регистрация для ответа
 Афтора!!!
ЧЕЛОВЕК-звучит гордо,выглядит отвратительно!
Страницы