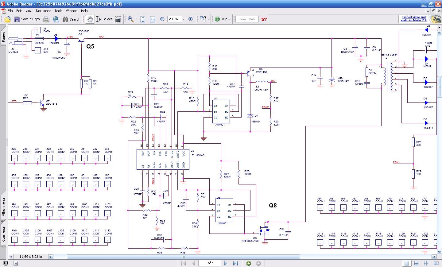
Здравствуйте отдали данный аппарат с сгоревшим Q8 и Q5 и F1,Q5 заменил на новый,Q8 снял со старой материнской платы правда он чуть побольше размером,маркировка та же что и стоял,при нажатии кнопки включения Q5 И Q8 греются со страшной силой аж отпаиваются,что делать не знаю,в ремонт не берут,подскажите пожалуйста на что первым обратить внимание,заранее спасибо за любые советы,шасси ZD7.820.207 VER 1.4 схема ниже
24/04/2011 - 13:55

- Вход или регистрация для ответа
 Транзисторы греются, мы поняли, а что происходит с аппаратом и есть ли признаки жизни - нет.
Внимание надо обратить на перегрузки во вторичных цепях.
Страждущего можно накормить рыбой, а можно дать удочку... продаст, колбаски купит!
- Вход или регистрация для ответа
 Признаков жизни не подает,вторичные цепи проверял все облазил уже,кз нет,с дуру припоял навесом полевик 3n80 при включении увидел на экране сероватый растр как будто без подсветки,транзистор нагрелся до ужаса выключил,понял что до добра такие эксперементы не доведут :smu:sche_nie:
- Вход или регистрация для ответа
 Куда? И почему его?
Где нет? И где есть?
+1. han134, измерения были какие? Давай в тему.
Это наркотик.
Будем ремонтировать или пусть работает?
"Человеку нельзя помочь помимо его воли." Г. Померанц
- Вход или регистрация для ответа
 Спасибо всем,РЕШЕНО,витковое в трансе,разогрел,разобрал транс размотал,перемотал При установке всего назад ЗАРАБОТАЛО :ya_hoo_oo:
- Вход или регистрация для ответа
 В Т2? Вот они
и грелись,сток и коллектор сходятся. Однако, создание темы впрямую тебе не помогло. Зато подтолкнуло к
действиям. :-)
Будем ремонтировать или пусть работает?
"Человеку нельзя помочь помимо его воли." Г. Померанц
- Вход или регистрация для ответа
 А действия очень даже интересные :-) Чисто экспериментально, я бы наверное не отважился...
Страждущего можно накормить рыбой, а можно дать удочку... продаст, колбаски купит!