Привет свем! проблема таккая выбело придохранитель, поставил новый по мощьнее но теперь не включается! подскажите в чем может быть проблема!
Шасси S-2042
26/12/2010 - 12:03
- Вход или регистрация для ответа
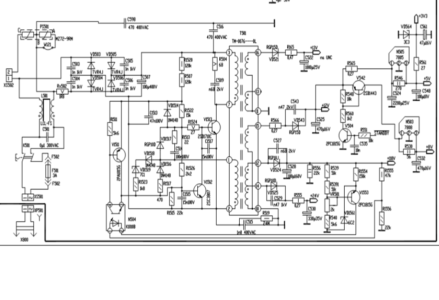
Cокол 51тц7164 сгорает предохранитель

- Вход или регистрация для ответа
 Зачем? :nez-nayu: Чтобы побольше выгорело?
ТВ поломался и нужны измерения.
Будем ремонтировать или пусть работает?
"Человеку нельзя помочь помимо его воли." Г. Померанц
- Вход или регистрация для ответа
 диоды проверил все целые в БП!
- Вход или регистрация для ответа
 я новичек в этом деле!
- Вход или регистрация для ответа
 Это не корректно. Поз. номера, состав и шасси не указаны.
Тогда читай правила, там описано, как создавать тему и что мерить.
Будем ремонтировать или пусть работает?
"Человеку нельзя помочь помимо его воли." Г. Померанц
- Вход или регистрация для ответа
 А транзисторы,значит,проверять не умеем?
Каждому-свое.
- Вход или регистрация для ответа
 особо нет!
- Вход или регистрация для ответа
 тимур1990, поставь пред 3А, отключи петлю и, включив, измерь постоянку на сетевом лите (осторожно! это сеть!). Затем подключи петлю и включи ТВ в сеть. Когда горит пред?
Будем ремонтировать или пусть работает?
"Человеку нельзя помочь помимо его воли." Г. Померанц
- Вход или регистрация для ответа
 папробывал! пред не вылетил! но признаков нет не каких!
- Вход или регистрация для ответа
 тимур1990, будь внимательней.
Будем ремонтировать или пусть работает?
"Человеку нельзя помочь помимо его воли." Г. Померанц
- Вход или регистрация для ответа
 как я это пологаю же БП Безымянный.png
Прикрепленные файлы:
Страницы