Выключается телик LG 21FS7RG

22 сообщения / 0 новых
Последнее сообщение
zmej25 аватар
Не в сети
Регистрация: 29/05/09
Сообщения: 47
 
Re: Выключается телик LG 21FS7RG

Я опять измерил напругу. 288-290 В. Это нормальное напряжэние. Это не из-за этого.

birluk аватар
Не в сети
Крымчанин
Регистрация: 19/05/09
Сообщения: 1525
 
Re: Выключается телик LG 21FS7RG
"zmej25" писал(а):

Я опять измерил напругу. 288-290 В. Это нормальное напряжэние. Это не из-за этого.

Но не 220в как писал,что там вторичные цепи :?:

Никнейм birluk зарегистрирован!

zmej25 аватар
Не в сети
Регистрация: 29/05/09
Сообщения: 47
 
Re: Выключается телик LG 21FS7RG

А что вторичные цепи? Что именно проверить? :?

birluk аватар
Не в сети
Крымчанин
Регистрация: 19/05/09
Сообщения: 1525
 
Re: Выключается телик LG 21FS7RG
"zmej25" писал(а):

А что вторичные цепи? Что именно проверить? :?

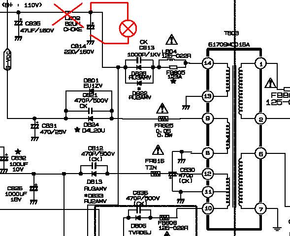
Как что :?: Берите схему и проверяйте С835,810,831 и тд(не чем проверять заменой),выпрямители D826.824.813 и тд,стабилизаторы IC806.804, читаем это: http://www.tvservice.org/forum/viewforum.php?f=11

Никнейм birluk зарегистрирован!

zmej25 аватар
Не в сети
Регистрация: 29/05/09
Сообщения: 47
 
Re: Выключается телик LG 21FS7RG

Прикиньте, аппарат ещё не готов а хазяйка ужэ потребовала его вернуть. Хочет завести его в другую мастерскую. Аппарат привезли 3-ри дня назад и хотят чтобы он уже работал. Принцип такой: всё брось и делай только этот аппарат. Похоже на то что весь ремонт на этом закончится. И недоделанный аппарат уйдёт к хазяйке. Так-что на этом всё. Большое спасибо за вашэ терпение и за вашу помощ.

Alexandr280480 аватар
Не в сети
Регистрация: 05/11/11
Сообщения: 7
 
Re: Выключается телик LG 21FS7RG

Всем привет ремонтом телевизора занялся впервые по сему, прошу прощения, может быть за глупые вопросы...
У меня такая же модель как описывается в этой ветке LG 21FS7RG, вчера выключился как будто пропало напряжение сети, и ВСЁ больше не включается...
Решил попробывать отремонтировать, включил померил напряжени на С803 - 275В, на выходе нет ни одного напряжения, лампой решил проверить блок питания, но мне непонятно выражение "Отсоеденить B+ от HOT и нагрузить лампой 60W вкл тв и отписать результат"
Я правильно понял, дросель L802 выпаять и параллельно электролиту С814 подключить лампу 60Вт 220В?

Прикрепленные файлы: 

Минздрав аватар
Не в сети
Наблюдатель
Регистрация: 10/05/10
Сообщения: 9780
 
Re: Выключается телик LG 21FS7RG
"Alexandr280480" писал(а):

Я правильно понял, дросель L802 выпаять и параллельно электролиту С814 подключить лампу 60Вт 220В?

Да, но ИП у тебя, похоже, мёртв, смотри первичку.

"Alexandr280480" писал(а):

напряжени на С803 - 275В,

Замени его.

Будем ремонтировать или пусть работает?
"Человеку нельзя помочь помимо его воли." Г. Померанц

Alexandr280480 аватар
Не в сети
Регистрация: 05/11/11
Сообщения: 7
 
Re: Выключается телик LG 21FS7RG

Д-а-а мало приятного, посмотрю первичку... :-(

Alexandr280480 аватар
Не в сети
Регистрация: 05/11/11
Сообщения: 7
 
Re: Выключается телик LG 21FS7RG

Минздрав, слушай ведь С803 стоит под сетевый напряжением, значит он должен заряжаться до амплитудного (примерно 310В), или я что-то не понимаю...

Минздрав аватар
Не в сети
Наблюдатель
Регистрация: 10/05/10
Сообщения: 9780
 
Re: Выключается телик LG 21FS7RG
"Alexandr280480" писал(а):

значит он должен заряжаться до амплитудного (примерно 310В),

Да. Заведи свою тему по правилам, тут киш-миш какой то.

Будем ремонтировать или пусть работает?
"Человеку нельзя помочь помимо его воли." Г. Померанц

Страницы

Темы без ответов: