"изображение красного цвета идет минут пять качествено ярко пото м медлено пропадает на 15 секунд "
"когда изображение пропадает на красном 220в а когда появляется изображение 50В"
Ну и описание.
Будем ремонтировать или пусть работает?
"Человеку нельзя помочь помимо его воли." Г. Померанц
Минздрав, можно уже не в ручную цитировать, выделяйте нужный текст и нажимайте кнопочку "быстрая цитата", выделенный текст, включая имя цитируемого пользователя, вставится в поле ответа.
Ещё разок, последний: перечитай тему, ответь на вопросы и дай измерения, иначе чинить тебе придётся без подсказок, они невозможны без инфы. Я уже забыл начало.
Будем ремонтировать или пусть работает?
"Человеку нельзя помочь помимо его воли." Г. Померанц
Я не понимаю как снять напряжение с ТПИ, с ТДКС и на ПК. Я новичок в этой области я могу только снять напряжение в контрольных точках.Подскажите с каких точек снять напряжение и я сниму
Позвольте!! Это школа ремонта.Не с плазмы же ему начинать?Lapo1972Проверь всю обвязку TDA3505,ее режимы.Обрати внимание на кондеры(красные флажки),это в них собака зарыта.Прогрей каждый паяльником(кратковременно),при этом гляди на экран,он покажет какой дохлый.Или меняй по одному.Не бойся убить тел.ему по возрасту пора.Удачи
- Вход или регистрация для ответа
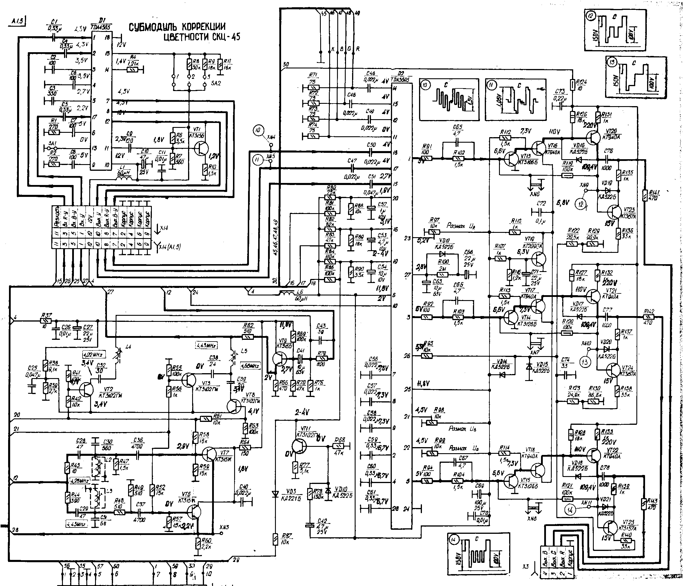
 Вон она большая в центре.
Прикрепленные файлы:
- Вход или регистрация для ответа
 "изображение красного цвета идет минут пять качествено ярко пото м медлено пропадает на 15 секунд "
"когда изображение пропадает на красном 220в а когда появляется изображение 50В"
Ну и описание.
Будем ремонтировать или пусть работает?
"Человеку нельзя помочь помимо его воли." Г. Померанц
- Вход или регистрация для ответа
 Минздрав, можно уже не в ручную цитировать, выделяйте нужный текст и нажимайте кнопочку "быстрая цитата", выделенный текст, включая имя цитируемого пользователя, вставится в поле ответа.
- Вход или регистрация для ответа
 измерил напряжение на микросхеме TDA3505 все соответствует,кроме ножки 21,22,23,25. На этих ножках у меня показывает 11в
- Вход или регистрация для ответа
 Увидел, спасибо.
Ещё разок, последний: перечитай тему, ответь на вопросы и дай измерения, иначе чинить тебе придётся без подсказок, они невозможны без инфы. Я уже забыл начало.
Будем ремонтировать или пусть работает?
"Человеку нельзя помочь помимо его воли." Г. Померанц
- Вход или регистрация для ответа
 Я не понимаю как снять напряжение с ТПИ, с ТДКС и на ПК. Я новичок в этой области я могу только снять напряжение в контрольных точках.Подскажите с каких точек снять напряжение и я сниму
- Вход или регистрация для ответа
 http://tvservice.org/forum/151
Будем ремонтировать или пусть работает?
"Человеку нельзя помочь помимо его воли." Г. Померанц
- Вход или регистрация для ответа
 Уважаемый то о чём Вы спрашиваете ,это утиль.У любого торговца старьём Вы найдите МЦ-54+ПК-51 замените их и будет Вам счастье
Сягло
- Вход или регистрация для ответа
 Позвольте!! Это школа ремонта.Не с плазмы же ему начинать?Lapo1972Проверь всю обвязку TDA3505,ее режимы.Обрати внимание на кондеры(красные флажки),это в них собака зарыта.Прогрей каждый паяльником(кратковременно),при этом гляди на экран,он покажет какой дохлый.Или меняй по одному.Не бойся убить тел.ему по возрасту пора.Удачи
ЧЕЛОВЕК-звучит гордо,выглядит отвратительно!
- Вход или регистрация для ответа
 Сягло, чтобы правильно цитировать, сначала выделите текст, который хотите процитировать, потом нажимайте кнопку "Быстрая цитата".
Страницы