Шасси ШЦТ-739, ТДКС-32-04, ТПИ-670, TDA9381PS/N2, ILA8356, кинескоп Thomson A51EFS13x191, видеоусилитель TDA6107JF N3
Проблема в том, что при включении блок питания отрубается, как от к.з. После проверки всех элементов неожиданно обнаружил, что на плате видеоусилителя кто-то поменял колодку, которая соединяется с кинескопом. Причем поставили ту, которая полностью не соответствует. Заодно перепутаны местами провода 12 и 10. Т.е. +200В и земля. Вот поэтому и не запускается ИБП.
вопрос в том, как мне определить как физически должны быть раскиданы контакты по правильному? На схеме ведь физически не понятно как они должны соединяться с трубой. У меня нет родной колодки, хочу перекинуть контакты в той, какая есть. И как проверить жива ли TDA6107Q после такого неверного соединения?
09/07/2011 - 23:02
- Вход или регистрация для ответа
Горизонт 54CTV-732-I-21 проблема с видеоусилителем

- Вход или регистрация для ответа
 Чего-то накопировал, навставлял невесть как и ушёл! Если схема есть и её не прочесть, то даже не знаешь что и сказать :ne_vi_del: физически..
Страждущего можно накормить рыбой, а можно дать удочку... продаст, колбаски купит!
- Вход или регистрация для ответа
 Так замысловато словокручено, что не понять сам вопрос.
Если ты видишь, что провода перепутаны, то что мешает их поставить в соответствие.
ПК хоть соответствует? А то вопрос совсем мне не понятен. Может ПК не та, что нужно?
- Вход или регистрация для ответа
 Прошу прощения за кавардак такой изначальный. У меня связь прервалась, не было возможности восстановить вчера.
ПК как раз та, что надо. Судя по схеме стоит родная. На ней предусмотрено три варианта посадки колодки. Так вот то, что сделано кем-то до меня совершенно не верно. Один контакт в воздухе висит вообще. На схеме то все замечательно пронумерованно, только нет цоколевки. С этой посторонней колодкой я не могу определить, как правильно крутить колодку на ПК. Подскажите, я с таким никогда не сталкивался.
Когда я отсоединил провод +200В идущий с ТДКС, то тел запустился в дежурный режим. Емкости на ПК все проверил. Не знаю как проверить ТDА'шку.
- Вход или регистрация для ответа
 Savva Pavlov, сколько выводов у кина, сколько у панели?
Их миллион. Шасси, состав напиши.
Выбрать, что ли? :nez-nayu:
Будем ремонтировать или пусть работает?
"Человеку нельзя помочь помимо его воли." Г. Померанц
- Вход или регистрация для ответа
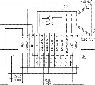
 На трубе 9 контактов, а на колодке 10.
Состав: ТПИ-670, TDA9381PS/N2, ILA8356, кинескоп Thomson A51EFS13x191, видеоусилитель TDA6107JF
- Вход или регистрация для ответа
 Для начала разобраться,куда у данного кинескопа должен быть подключен накал,ведь разные кинескопы-разная бывает и цоколевка.Накал-два рядом.А крутить нужно туда,что бы накал,RGB,скоряющее и модулятор с ПК угодили на нужные выводы кинескопа.Уж тут самому нужно разобраться.
Прикрепленные файлы:
Каждому-свое.
- Вход или регистрация для ответа
 Знач семь, крайние (4,12) дублируют соседние или пустые.
М-м-м. :nez-nayu: Какой висит?
Надписи со ВСЕХ м/сх ПОЛНОСТЬЮ.
Его режимы.
Будем ремонтировать или пусть работает?
"Человеку нельзя помочь помимо его воли." Г. Померанц
- Вход или регистрация для ответа
 Дали пищу для размышлений. Спасибо. Сейчас покопаюсь, отпишусь. Я еще выкопал цоколевку этой трубы в сети. Тяжело через телефон в интернете искать.
Видеорежимы TDA пока не знаю у меня даташит от 6107Q только есть. И шасси я исправил наверху номер. Висит 12 я нога в колодке.
- Вход или регистрация для ответа
 Информация:
Прикрепленные файлы:
- Вход или регистрация для ответа
 У Томсонов у самих может быть цоколевка по разному у разных труб
Прикрепленные файлы:
Каждому-свое.
Страницы