Знач, она не нужна. Короче, найди у кина накал, это 9, 10 ноги, 11, 8, 6 - катоды (BRG), 7 - скрин, 5 - модулятор. Всё. От этого пляши, разбирайся. Разберёшься - меряй режимы на выв кина и на
"Savva Pavlov" писал(а):
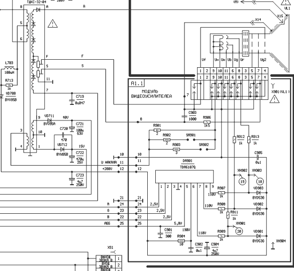
TDA6107JF
Savva Pavlov, скажи честно: труба родная или менялась?
Будем ремонтировать или пусть работает?
"Человеку нельзя помочь помимо его воли." Г. Померанц
А я вообще здесь ничего не пойму. Если автор сообщает, что ПК родная... Откуда такая путаница и закрюченные вопросы? Кинескоп заменялся на не стандартный? И он не в работе? Если так, то проблем может быть там целый воз со всеми режимами высокого, фокуса, накала, геометрией. Проводочками не отделаешься.
Возможно ли в голову за две минуты вложить опыт многих лет.
"Никакие рассуждения не в состоянии указать человеку путь, которого он не хочет видеть". Ромен Роллан
Извините за молчание - приходится и основной работой заниматься. Мне этот аппарат достался от уволившегося связиста. И видимо его давно никто не пробовал сделать. Видны следы вмешательства на плате КП и нет родного срочного транзистора.
Поправил колодку, но ничего не решилось таким образом. Как только я подсоединяю провод номер 12 с ТДКС сразу срабатывает защита ИБП. Поэтому не могу снять характеристики с видеоусилителя. Как узнать что вышло из строя, микросхема видеоусилителя? Или боюсь этого слова труба? У меня тут страшный напряг с деталями.
Должна же быть какая-то методика определения неисправности. Я не профи, не знаю таких специфических вещей. Все элементы обвязки целы, я проверил. Понятно, что что-то не работает из-за глупой ошибки в подключении. Исходя из того, что на этой самой КП почти нет деталей, кроме микросхемы, можно ли делать вывод, что мкнет внутри этой TDA? Накал у кина имеет сопротивление 3 Ом. Это нормально?
Прошла страница, а так ничего и не понятно. Неужели сложно дать фото в тему? :nez-nayu:
Возможно, что панелька посажена криво или в трубе накал (корпусный) с модулятором закорочен, а можем там уже такие пайки.... что места живого нет. ИМХО, без качественных фоток и нормальных ответов за вопросы дела не будет :a_g_a:
Беда в том, что я никак не могу со смарта отправить вложения. У меня нет компа. А напряжения как мерять, если при соединении всех проводов блок питания в защиту уходит. Можно пробовать включить со снятой с кинескопа KП?
Savva Pavlov, я тебе сейчас одну умную штуку скажзу, только ты не обижайся Если со схемой не можешь разобраться, правильно ли панелька кина сидит и где какой вывод.... может есть смысл не убивать ТВ до конца? :smu:sche_nie: Фотки нужны
- Вход или регистрация для ответа
 Знач, она не нужна. Короче, найди у кина накал, это 9, 10 ноги, 11, 8, 6 - катоды (BRG), 7 - скрин, 5 - модулятор. Всё. От этого пляши, разбирайся. Разберёшься - меряй режимы на выв кина и на
Savva Pavlov, скажи честно: труба родная или менялась?
Будем ремонтировать или пусть работает?
"Человеку нельзя помочь помимо его воли." Г. Померанц
- Вход или регистрация для ответа
 А я вообще здесь ничего не пойму. Если автор сообщает, что ПК родная... Откуда такая путаница и закрюченные вопросы? Кинескоп заменялся на не стандартный? И он не в работе? Если так, то проблем может быть там целый воз со всеми режимами высокого, фокуса, накала, геометрией. Проводочками не отделаешься.
- Вход или регистрация для ответа
 Извините за молчание - приходится и основной работой заниматься. Мне этот аппарат достался от уволившегося связиста. И видимо его давно никто не пробовал сделать. Видны следы вмешательства на плате КП и нет родного срочного транзистора.
Поправил колодку, но ничего не решилось таким образом. Как только я подсоединяю провод номер 12 с ТДКС сразу срабатывает защита ИБП. Поэтому не могу снять характеристики с видеоусилителя. Как узнать что вышло из строя, микросхема видеоусилителя? Или боюсь этого слова труба? У меня тут страшный напряг с деталями.
- Вход или регистрация для ответа
 Должна же быть какая-то методика определения неисправности. Я не профи, не знаю таких специфических вещей. Все элементы обвязки целы, я проверил. Понятно, что что-то не работает из-за глупой ошибки в подключении. Исходя из того, что на этой самой КП почти нет деталей, кроме микросхемы, можно ли делать вывод, что мкнет внутри этой TDA? Накал у кина имеет сопротивление 3 Ом. Это нормально?
- Вход или регистрация для ответа
 Savva Pavlov, что это есть? Какова на нём напруга? Каковы напруги ИП и ТДКС? Почему нет ответов?
Она есть, но с приборами и подразумевает основы знаний. "На глаз" методики нет.
Будем ремонтировать или пусть работает?
"Человеку нельзя помочь помимо его воли." Г. Померанц
- Вход или регистрация для ответа
 Прошла страница, а так ничего и не понятно. Неужели сложно дать фото в тему? :nez-nayu:
Возможно, что панелька посажена криво или в трубе накал (корпусный) с модулятором закорочен, а можем там уже такие пайки.... что места живого нет. ИМХО, без качественных фоток и нормальных ответов за вопросы дела не будет :a_g_a:
Гадания и предсказания решений по бобам, желудям, дыму, кофейной гуще...
Продажа товаров для ремонта LED подсветки, инструменты, материалы, радиодетали
- Вход или регистрация для ответа
 Беда в том, что я никак не могу со смарта отправить вложения. У меня нет компа. А напряжения как мерять, если при соединении всех проводов блок питания в защиту уходит. Можно пробовать включить со снятой с кинескопа KП?
- Вход или регистрация для ответа
 Savva Pavlov, я тебе сейчас одну умную штуку скажзу, только ты не обижайся
Если со схемой не можешь разобраться, правильно ли панелька кина сидит и где какой вывод.... может есть смысл не убивать ТВ до конца? :smu:sche_nie: Фотки нужны 
Гадания и предсказания решений по бобам, желудям, дыму, кофейной гуще...
Продажа товаров для ремонта LED подсветки, инструменты, материалы, радиодетали
- Вход или регистрация для ответа
 Мерить, не соединяя ВСЕ.
Можно его оставить в покое ПОКА и только исследовать прибором. А на вопросы нада отвечать, ибо скоро их не будет, т.к. пропадёт интерес к теме.
Будем ремонтировать или пусть работает?
"Человеку нельзя помочь помимо его воли." Г. Померанц
- Вход или регистрация для ответа
 Я так понял,что 12 провод(по схеме) -это питание видеоусилителя +200 вольт.Проверь R904 (10 ом),и 6 вывод микросхемы -сопротивление на землю.Попробуй включить со снятой ПК.
Прикрепленные файлы:
Каждому-свое.
Страницы