Проблема установил PonyProg2000

23 сообщения / 0 новых
Последнее сообщение
spels56 аватар
Не в сети
Регистрация: 08/06/10
Сообщения: 89
 
Проблема установил PonyProg2000

Всем привет! Разобрался с нумерацией, собрал программатор, подключил к КОМ ПОРТУ, сделал установки, поставил чистую память, засунул прошивку 21UF20, нажал записать все, посупило сообщение “порт недоступен или ошибка (-16)” МС ставил разные.
Проверил в диспетчере устройств, порт работает нормально, схема собрана тоже в норме на 8н 4,7v, на 5и6 ногах МС 3-4V. Скачал ComPopt 1.0, порта не видит. да еще одно но, после сборки схемки обнаружил полярность перевернута, скачал tcom поменял олярность (прога чем неудобная при выкл компа опять устанавливать полярность) Ребята подскажите, в чем беда, я первый раз сталкиваюсь, а программатор нужен _____175.png

Прикрепленные файлы: 

vav
vav аватар
Не в сети
Регистрация: 05/05/10
Сообщения: 1338
 
Re: Проблема установил PonyProg2000

Ты вначале в BIOSе компа настрой COM-порт

spels56 аватар
Не в сети
Регистрация: 08/06/10
Сообщения: 89
 
Re: Проблема установил PonyProg2000

а в крации можно по BIOS или ссылку

vav
vav аватар
Не в сети
Регистрация: 05/05/10
Сообщения: 1338
 
Re: Проблема установил PonyProg2000

Утром.Хотя у вас уже утро!

spels56 аватар
Не в сети
Регистрация: 08/06/10
Сообщения: 89
 
Re: Проблема установил PonyProg2000

ХОРОШО

vav
vav аватар
Не в сети
Регистрация: 05/05/10
Сообщения: 1338
 
Re: Проблема установил PonyProg2000

Зайди в BIOS компьютера и поиграйся с адресами и настройками SERIAL PORT.

spels56 аватар
Не в сети
Регистрация: 08/06/10
Сообщения: 89
 
Re: Проблема установил PonyProg2000

лазил BIOSе не чего не менялось, востановил заводские настройки.Может попробовать через LPT порт?

Raketa аватар
Не в сети
Отключен
Регистрация: 29/09/09
Сообщения: 3157
 
Re: Проблема установил PonyProg2000

Если не ошибаюсь, Поня подключается на COM. Забежала моя куда-то. Давненько не могу найти.
А то, что изображено на картинке, разве лошадь?
Проблем может быть не мало. На старых компах с комами проблем не наблюдалось, а на новых не знаю, и есть ли они там и подключены ли.
Если комп собирался из новья и старья - концов не состыкуешь.
Если софт от пони не бьёт к той картинке - тоже не состыкуешь.
Если допустил бяку в соединениях деталей и проводов - тоже не состыкуешь.
А так всё просто.

Возможно ли в голову за две минуты вложить опыт многих лет.
"Никакие рассуждения не в состоянии указать человеку путь, которого он не хочет видеть". Ромен Роллан

spels56 аватар
Не в сети
Регистрация: 08/06/10
Сообщения: 89
 
Re: Проблема установил PonyProg2000

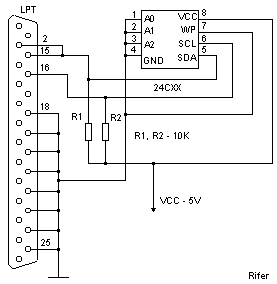
Вчера мой знакомый забирал комп (древний) при проверки прогой ComPort V.1.0 у него 2 ком порта видит, а у меня нет. После перезагрузки ком видит порт 1-2 мин и все, ЭТО У МЕНЯ. А если поставить вот такую штуку sxema2.jpg

Прикрепленные файлы: 

spels56 аватар
Не в сети
Регистрация: 08/06/10
Сообщения: 89
 
Re: Проблема установил PonyProg2000

Всем привет! Привезли мне программатор новый Мастер 32, модель 4.91-32.
Через КОМ ПОРТ не каких эмоций одни ошибки, подключил через KOM-USB, и что я смог? Только чтение ПЗУ в буфер (несколько микро 24с08) а дальше темный лес.
Если кто может, помогите разобраться, не ясно первое установка адресов, второе установка скорости, также ДЕМО РЕЖИМ и др.может есть ссылка? Инструкцию соблюдал.
y

Raketa аватар
Не в сети
Отключен
Регистрация: 29/09/09
Сообщения: 3157
 
Re: Проблема установил PonyProg2000
"spels56" писал(а):

Мастер 32, модель 4.91-32

Честно говоря, лично я такое не слышал, не видел.
Но вероятнее всего у тебя проблема с самим компьютером. Может быть и в железе и в программном обеспечении. Не думаю, что простой программатор здесь делает "погоду" (тем более ты пытаешься подключить не первый программатор и он не идёт). Часто также проблема с портами возникает, когда "модернизируют" железо, совмещая старое и более новое.

Возможно ли в голову за две минуты вложить опыт многих лет.
"Никакие рассуждения не в состоянии указать человеку путь, которого он не хочет видеть". Ромен Роллан

Страницы

Темы без ответов: