Телевизор General 21US20, PAEX0199A, проц.TOSHIBA 8897CPBNG-6PN9. При включении наблюдалась вертикальная узкая полоса, после некоторого времени, полный растр, изображение и звук. Теперь не включается совсем. ?
07/01/2011 - 10:31
- Вход или регистрация для ответа
General 21US20, проц.TOSHIBA 8897CPBNG-6PN9, Не вкл Решено

- Вход или регистрация для ответа
 Что это значит? Измерь напруги ИП в ДР. Посмотри целостность и подключение СОК. Результаты сюда.
Будем ремонтировать или пусть работает?
"Человеку нельзя помочь помимо его воли." Г. Померанц
- Вход или регистрация для ответа
 Так открой крышку. Найди отгоревший РЛС. Если долго мучал, мог вылететь и строчный транзистор.
- Вход или регистрация для ответа
 Nik D, что там за РЛС такой? Поподробней пж., поз. номер.
Будем ремонтировать или пусть работает?
"Человеку нельзя помочь помимо его воли." Г. Померанц
- Вход или регистрация для ответа
 ... мог вылететь и строчный транзистор
Я тоже так подумал, так как некоторое время,при работе аппарата, присутствовал запах, но не сгоревшей обмотки или пластмассы, а похожий на нафталин. Поэтому не подумал, что горит строчный транзистор. И про РЛС пож., так как отгоревшего или сгоревшего, явно, пока не видать.
- Вход или регистрация для ответа
 Ну говорят же вам, сделайте замеры в ИП,а так долго будете ТВ делать :-) ,и про какой РЛС идёт речь :nez-nayu:
- Вход или регистрация для ответа
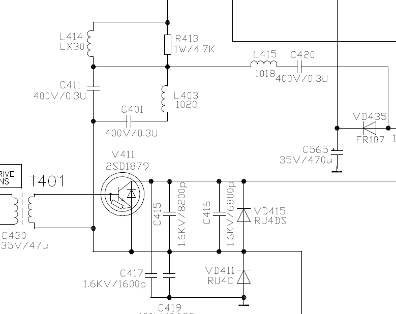
 L414 РЛС(регулятор линейности строк) для 3УСЦТ, катушка с постоянно утановленными магнитами.
Часто отгорает нога, естественно отгарает демпферный R413.
Прикрепленные файлы:
- Вход или регистрация для ответа
 В современных ТВ линейность строки заложена расчётно и РЛС-ить там нечего. Только при изменении номиналов резонансной цепи ТДКС - ОС - LL403,414 - СС401,411 линейность будет нарушена. L414 ничего не регулирует и в схеме это показано.
При чём здесь они? Не понял... :nez-nayu:
Cr0wn, это проверяется в несколько секунд. Измерения были какие и что показали?
Будем ремонтировать или пусть работает?
"Человеку нельзя помочь помимо его воли." Г. Померанц
- Вход или регистрация для ответа
 Nik D Спасибо Вам, нашёл оплавленный L414. Остальное пока не проверял.
- Вход или регистрация для ответа
 Мне кажется,если-бы он сам по себе сдох,телик должен был включатся,скорее всего что-то ещё сдохло
- Вход или регистрация для ответа
 По схеме R413 - 4.7K. Сам резистор, по цветовому коду - 1К, замер показал(0,99 Om). В L414 обрыва нет. Нашёл непропайку контакта на 1 ноге HZ411- HDR. COIL и тоже самое на XZ504 - петля размагничивания.
Страницы