При включении телевизора в сеть мигает красным светом сигнальный светодиод с периодом примерно 1 сек. Больше ничего не происходит.
Снял заднюю крышку телевизора, включил в сеть- все заработало.
После чего телевизор работал нормально около месяца, а вот недавно опять то же самое.
На плате ничего особенного(вспучивание,подгара, непропай и тд) не нашел.
В чем может быть дело?

- Вход или регистрация для ответа
 Внимательней /с лупой/ просмотрите все пайки в районе блока питания и строчной, подавите слегка на плату в разных местах. Смотреть надо со стороны печати. Наверняка у вас связано с плохой пайкой. Проявляется этот дефект после включения тел. в сеть не включая кнопку сеть? Если так ,то надосмотреть блок питания в дежурном режиме.
- Вход или регистрация для ответа
 Кнопка "сеть"- разрывает 220В ,приходящие на ТВ. Из дежурного режима телевизор переходит или от пульта или с нажатия кнопки "переключение программы". В данном случае на нее он не реагирует.
- Вход или регистрация для ответа
 Прична неисправности нашлась. Присутствовала микротрещина в дорожке в районе БП.
- Вход или регистрация для ответа
 Поблагодарил бы что ли.
- Вход или регистрация для ответа
 Ах,ну да..на радостях совсем забыл...
СПАСИБО!!!
- Вход или регистрация для ответа
 Радость длилась недолго....
Через пару дней- опять то же самое, только теперь увеличилась частота пульсаций светодиода (с 1Гц до примерно 20-30).
Видимо дело было не в микротрещине.
- Вход или регистрация для ответа
 Все же ищите где-то непропай,потрогайте элементы,подавите на плату в разных местах. Заодно скажите номер шасси/тип/.
- Вход или регистрация для ответа
 SW-2013ST шасси
- Вход или регистрация для ответа
 Это не номер шасси. Поищите на плате что-нибудь из этого МС036А,МС64А,МС049 или подобное. Хотя бы укажите состав: процессор, видеопроцессор. Укажите ваши большие микросхемы.Это нужно,чтобы найти схему, если сами не можете найти.
- Вход или регистрация для ответа
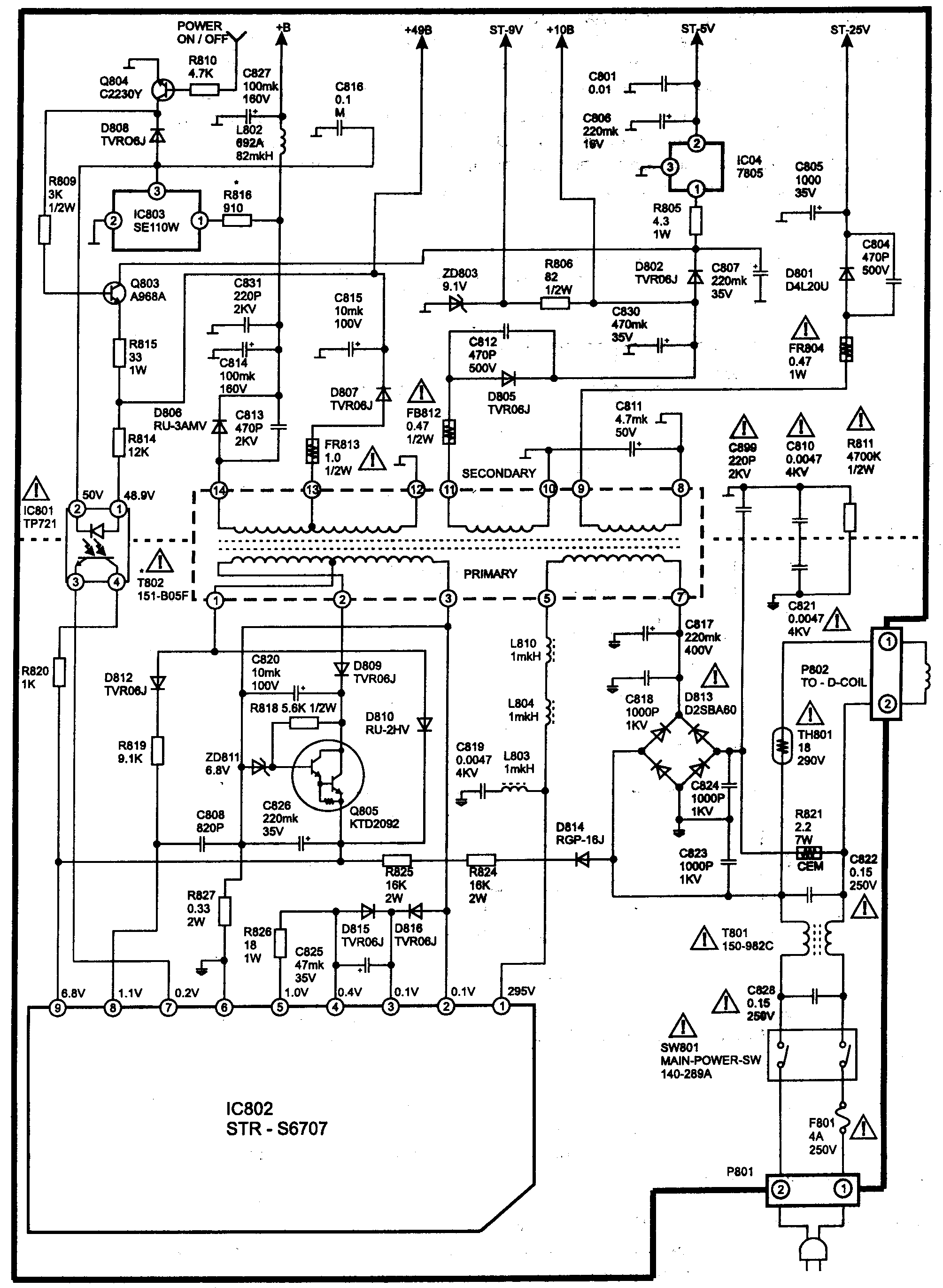
 shevss, посмотрите прикрепленную схему блока питания, он? Если так, замените C826 и C825 на новые, а также проверьте R827. Мне кажется проблема в C826, подсох, а когда вы пропаивали, от нагрева емкость временно увеличилась и БП заработал. CF-21B10Y.gif
Прикрепленные файлы:
Страницы