Ищу схему тв LG RZ-21FB55RX.
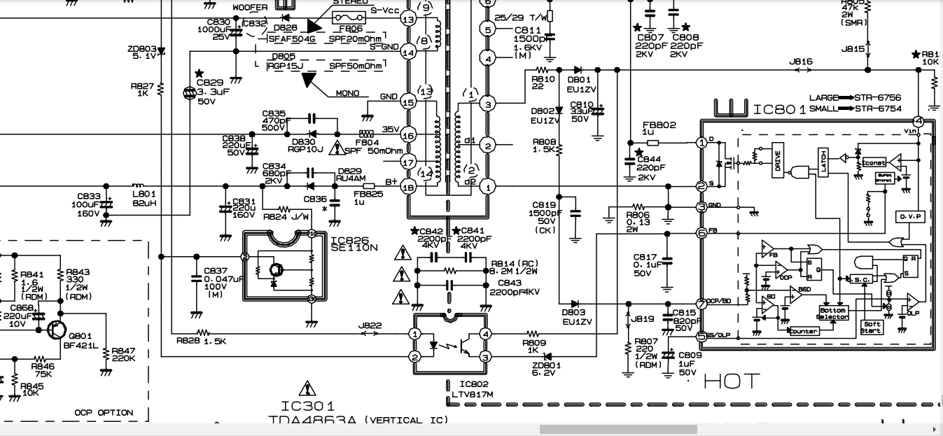
Состав: процессор VCT49XYF PZ C7, память 24C16W6, ИП STR-W6754, УНЧ LA42152, КР TDA4863AJ, тюнер 6700VS0005N, ПК TDA6107JF, ТДКС BSC25-N1649, ПК TT2170.
03/02/2008 - 20:32
- Вход или регистрация для ответа
LG RZ-21FB55RX Шасси MC-049B схема

- Вход или регистрация для ответа
 Схема LG MC-049B.rar
Прикрепленные файлы:
- Вход или регистрация для ответа
 STR-W6754,
дохлый HOT 2170 пробит. заменен на новый. бп при включении стартует и замолкает. на лампочке в место строки то же самое. напруга B+ стает в первичке питание STR-W6754 4 нога 26v. на выходе не 110 а 165 и по етому транзистор сгорает .посоветуйте где копать ? есть точно такая платаещё там все в норме
Прикрепленные файлы:
- Вход или регистрация для ответа
 Сначала в БП, неужто непонятно? Вот когда на вых. БП будут нормальные напр (их несколько), тогда двигаться дальше...
Будем ремонтировать или пусть работает?
"Человеку нельзя помочь помимо его воли." Г. Померанц