Ну и чем все это кончилось?
У меня тоже Samsung Ck 3351a - работал отлично, не нарадовался!
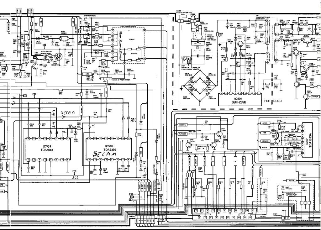
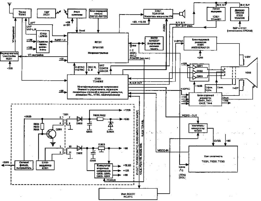
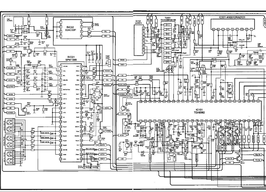
Состав: процессор SPM-109BT, память ST24C02CB1, ИП SDH-209B, ИП 2SC5030, секам TDA8395P, TDA4661, видео TDA8362B, КР KA2131, УНЧ TDA1013A, LA7910, ТДКС FCM-20A015, HOT 2SD5072
Полетели два электролита в блоке питании - заменил.
Все напряжения в блоке питания есть, но не работает.
samsung-3351a.gif
Включаю кнопку питания - загорается красный светодиод. Включаю пультом - красный светодиод светится перестает, и в этот момент появляются все напряжения источника питания.
Экран не светится, ничего не функционирует. По истечении некоторого времени (отсутствия сигнала) включается на передней панели красный светодиод - переходит в ждущий режим. Можно снова пультом включить - все повторяется!
Куда лесть дальше?
Может, кто что подскажет?
1.jpg
2.jpg

- Вход или регистрация для ответа
 Продолжение схем.
3.jpg
4.jpg
Прикрепленные файлы:
С уважением, Викторович.
- Вход или регистрация для ответа
 Ну и чем все это кончилось?
С уважением, Викторович.
- Вход или регистрация для ответа
 Кто подскажет, что это такое? На его подается 125V с блока питания. Обозначается как R826. Резистор, но не обычный!
Резистор0,47.jpg
Обознач.jpg
Безымянный.jpg
Прикрепленные файлы:
С уважением, Викторович.
- Вход или регистрация для ответа
 Резистор-предохранитель, 0.47 Ом.
Обозначение предохранителя на схемах: Fuse.gif
Прикрепленные файлы:
- Вход или регистрация для ответа
 Спасибо.
Как думаете, чем можно заменить?
С уважением, Викторович.
- Вход или регистрация для ответа
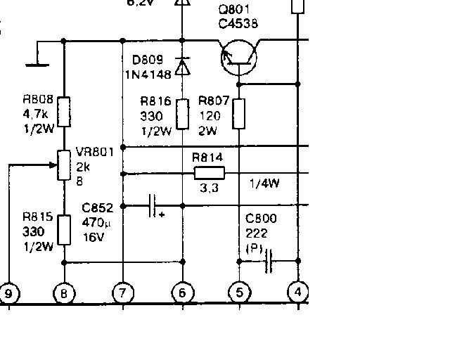
 Кто может сказать, что регулирует VR801 в блоке питания http://www.tvservice.org/forum/download/file.php?id=158&mode=view SAMSUNG CK 3351A?
VR.jpg
В книге "Секреты ремонта ТВ" нашол:
1625.) Samsung CK-3351. Блок питания собран на SDH209B. Неисправность: занижены выходные напряжения. Вышел из строя С852 470,0х16V. После замены все заработало.
Какую роль играет VR801 мне не понятно.
Прикрепленные файлы:
С уважением, Викторович.
- Вход или регистрация для ответа
 Можно обычным, такого-же номинала.
Выходные напряжения БП, выставите им 125 вольт на выходе.
- Вход или регистрация для ответа
 http://www.tvservice.org/forum/download/file.php?id=250&t=1
На нем не написано сколько ампер!
Древком кисточки, подстроганным под шлиц, видимо сильно я его «крутанул» - поленился плату вытащить, транзистор С4538 и вылетел. Когда достану транзистор - буду пробовать, но осторожней.
Спасибо.
С уважением, Викторович.
- Вход или регистрация для ответа
 0.47 Ом, 2 Ватта
- Вход или регистрация для ответа
 Ток = корень каратный из мощности, деленной на сопротивление = 2,02 ампера.
Мощность, потребляемая строчечной разверткой = I*V.
Предохранитель в 2.02А сгорит при потребляемой мощности = 2,02А Х 125V = 252,5 W.
Потребляемая мощность телевизор 70 W.
Только зачем ФИРМА ставит предохранитель, совмещенный с сопротивлением?
С уважением, Викторович.
Страницы