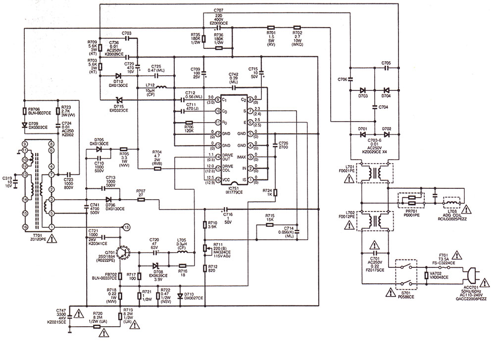
БП: шим ИС IX 1779CE (аналог TEA2261), силовой 2SD1884. При включении в сеть индикатор не светится. Отсутствуют импульсы запуска силового транзистора с выв.14 шим. Uc 290v, Ue 0v, Ub 0,5v. ИС - выв.16 Ucc 11,46v выв.14 0,5v. Все литы проверены и в номиналах. При подаче на выв.16 ИС от внешнего БП 11,46 - 12.0в при холодном телике импульсы запуска появлются. Что за фокус.
10/08/2023 - 19:24

- Вход или регистрация для ответа
 Схема где?
Сюда выложите, чтобы все видели о чём речь!
- Вход или регистрация для ответа
 И замеры. Для начала с БП и проц/памяти...
О какой речь?
И дальше что?
Будем ремонтировать или пусть работает?
"Человеку нельзя помочь помимо его воли." Г. Померанц
- Вход или регистрация для ответа
 Прикрепленные файлы:
- Вход или регистрация для ответа
 Прикрепленные файлы:
- Вход или регистрация для ответа
 Я новичок в оформлении информации на Форуме. Прошу извинить за некорректные ответы. Напруги на выводах ИС шим ІС 751 IX 1779CE: выв.1-5 0в, 6-0.34в, 7-3.94в, 8-0в, 9-2.96в, 10-2.38в, 11-2.44в, 12,13-0в, 14-0.55в, 15-11.45в, 16-11.45в. Измерено мультиметром. При выключеном из сети телеке при подаче U= 12в на выв16 ІС751 от внешнего БП на выв.14 импульсы запуска есть. Напруги при этом аналогичные вышеприведеным, но выв.14-3.1в. Наивно думаю о пригодности ИС. Цепи подачи импульсов еще не проверял, хотя на базе силового Q701напруга как на выв.14 в обеих случаях. Замеры на проце невозможны, БП не запукается. Минздрав просил.
- Вход или регистрация для ответа
 И во вторичке ничего? Проверь на КЗ её.
Будем ремонтировать или пусть работает?
"Человеку нельзя помочь помимо его воли." Г. Померанц
- Вход или регистрация для ответа
 Все ёмкости в первичной цепи проверь на ESR для начала!
- Вход или регистрация для ответа
 Проверил вторичку а там КЗ. Транзюк выходной строк пробит и U +115в тютю. Заменил и все заработало. А почему так сложно разборка. Да свертихий оказался телек. Все известные а их было десятки про козу БП как то сигнализировали. То переходом в дежурку то писком, миганием индакатора. Этот молчун никак. Наука на будущее. Доверяй но проверяй. Всем спасибо тема закрыта.
- Вход или регистрация для ответа
 - Вход или регистрация для ответа
 Это только начало, имхо - надо теперь выяснить ПОЧЕМУ он пробился, , это не КЗ во вторичке,вариантов много...
Будем ремонтировать или пусть работает?
"Человеку нельзя помочь помимо его воли." Г. Померанц