Состав : Шасси L01.1E
Проц-TDA9555.N1.31412
Память-ST24C16
Кадровая-TDA8359
Тдкс-JF0501-9185
НОТ-BU4508
ШИМ-TEA1507
Тюнер-3139.147.19171
RGB-TDA6107
Всем привет! Попал в ремонт такой ящик . И вот какая с ним проблема: Включается,появляется изо и через 10 секунд отключается в ДР.При этом светодиод ошибку не отмыргивает.В сервес зайти не успеваю Выключается в ДР Ошибку не отмыргивает
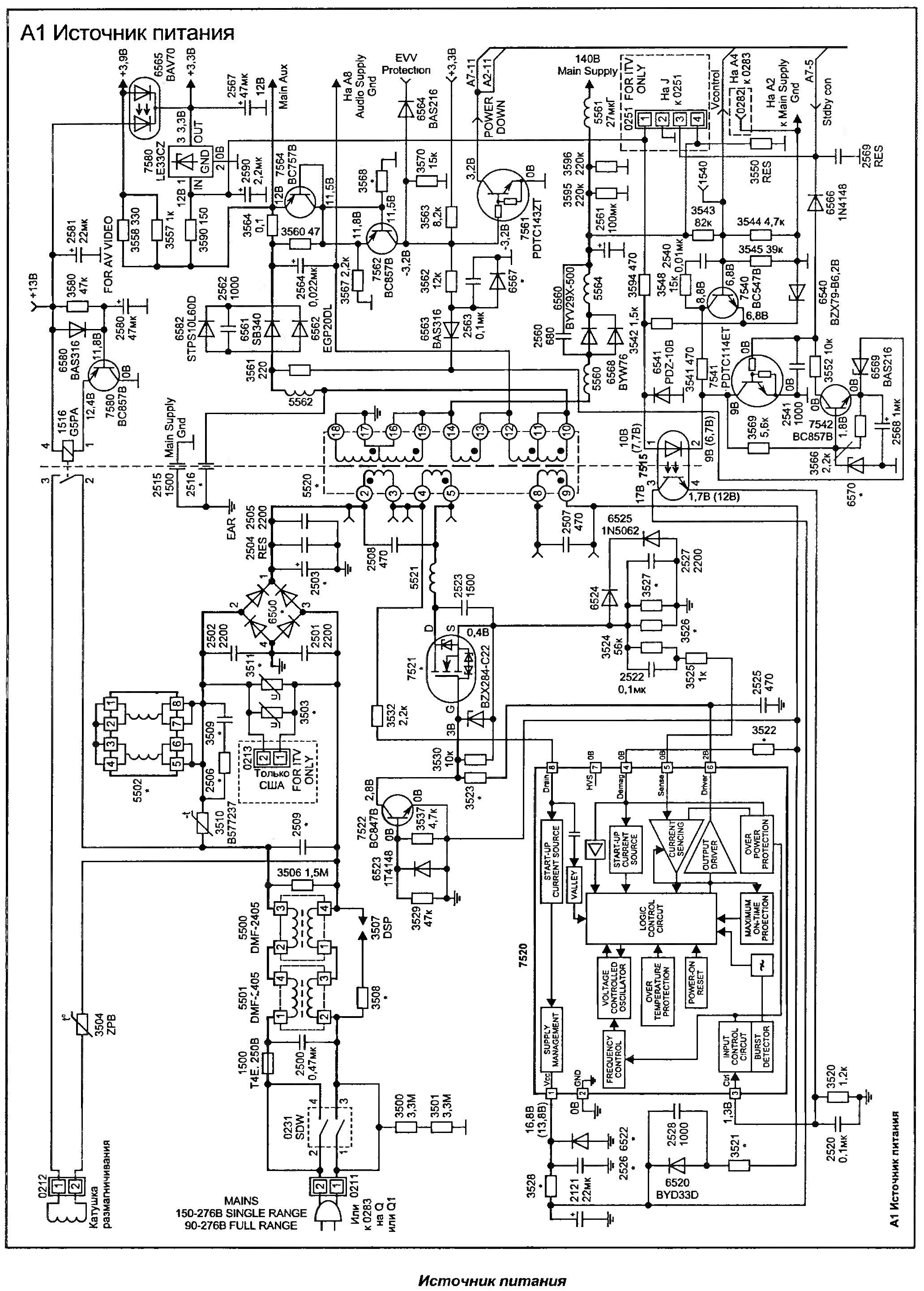
Замеры напряжение снимал с диодов :
6487-50в
6483-34в
6461-14в
6460-129в
6444-15в
6447-20в
6448-6.2в
6482- у меня 8.9в , а в темах говориться что, это многовато Нужно ровно 8в.
Не знаю Заменю позже
6481-5.7в
6488-8в
6486-13.5в
6462-6.1в
6401-13.6в
6455-28.8в
Транзистор 7400 (3N 60) G-4.3v
D-13.6v
S-GND
HOT-7460(BU4508DX)
C-128v
B-0.18v
E-GND
Напряжение на кадровой TDA8359:
выв1-0.98в
2-0.89в
3-12.6в
4-6.5в
5-GND
6-54в ( по схеме 50в)
7-7в
8-0.3в
9-7в
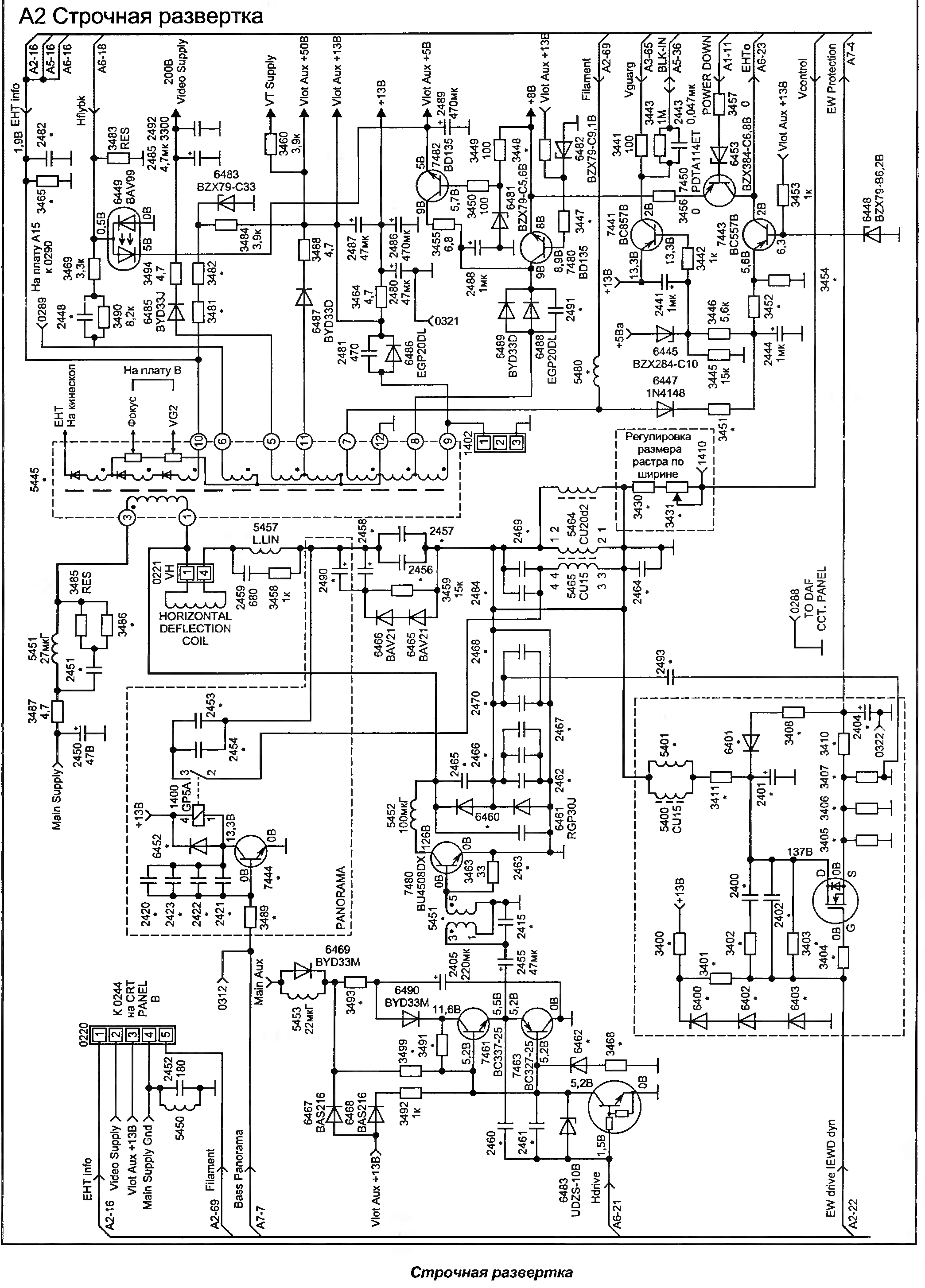
Что сделано: сначала перечитан все темы в инете И сделано все как, делали ребята в этих темах .Не мое. Потом пропай всего шасси. Не помогло. Заменены все литы начиная с БП, 2405 у меня нету , а есть 2455 обязательно заменен ,заменен транзистор 7400-3N60,Строчный BU4508DX. Не помогло Дефект остался .Заменен ТДКС ( у меня стоял 1342.0033С-поставилJF05001-9185) С родного с 10выв перло 33в, с этого в РР идет12.5в По схеме 1.9в
Ускоряющее крутил Ни какого эффекта это, не дало Отключается все ровно .Может в этом вся беда? В момент СТАРТА на экране "подушка" Буду рад любому совету
09/08/2019 - 11:34
- Вход или регистрация для ответа
【Решено]Телевизор Philips model 21PT5407\01 Включается , появляется изо и сразу через 10 сек отключается

- Вход или регистрация для ответа
 Если это строка, то мне кажется многовато, а они на этот счёт довольно капризные, я помню... Схему не смотрел, выложи схему БП, по моему надо его в порядок привести сначала (120, максимум 125... могу ошибаться)...
Что это? Не пиши загадок.
А потом? Не надо недоговоров. Размер по горизонту?
Будем ремонтировать или пусть работает?
"Человеку нельзя помочь помимо его воли." Г. Померанц
- Вход или регистрация для ответа
 Электролиты известные .Там В+ по темам для этой модели - 128в Что у меня и есть .
И потом "подушка" Сейчас пробую заменить диод 6482 на 7.5в Не было на 8 в
- Вход или регистрация для ответа
 Сейчас заменил 6482 на 7.5в , но присмотревшись к "родному " заметил стабилитрон на 9в Не изменилось не чего Отключаться только стал через 20сек "Подушка " остается На стабилитроне 7.5 в Вот схема БП и СР по которой я работаю
Прикрепленные файлы:
- Вход или регистрация для ответа
 На 7603- ST24C16 на 8ыв питание +3.3 в и в ДР и РР
- Вход или регистрация для ответа
 Пошел по схеме: Транзистор 7450-PDTA114ET стоит в POWER DOWNна его Колекторе1.8в, по схеме 2в. Думаю это, не критично Транзистор это составной
- Вход или регистрация для ответа
 Раз так, может сначала подушку устранить, а потом смотреть, как считаешь?
Это может продолжаться долго... до мусорки... а так удачи, больше советов нет.
Будем ремонтировать или пусть работает?
"Человеку нельзя помочь помимо его воли." Г. Померанц
- Вход или регистрация для ответа
 Не ,ну это понятно что, сам мастер должен что-то, делать Аппарат очень сложный, и вопросов в ходе ремонта накапливается больше чем ответов . Вот еще, один вопрос : Почему с 10выв-ТДКС идет 12в хотя по схеме 1.9в ЕНТ Info? Может из-за этого и "подушка"? На сайте тоже кто-то, ремонтил такой аппарат сам с собой рассуждая ,дошел до этого места и.....исчез Тема не закончена была
- Вход или регистрация для ответа
 С трудом удалось войти в сервис:
ERR: 5.11.0.0. И аппарат сразу ушел в ДР При повторном входе ошибка сбрасывается, но аппарат также выключается
- Вход или регистрация для ответа
 Вряд ли. С системой EW знаком, есть там она? Диодный модулятор, ключ коррекции и прочие цепи...
Будем ремонтировать или пусть работает?
"Человеку нельзя помочь помимо его воли." Г. Померанц
- Вход или регистрация для ответа
 Она здесь, построена на проц TDA9555\N1 и транзисторе 7400 -3N70 Ну даже , выпаяв этот транзистор ,аппарат вырубается .Хотя по мануалу вроде как не должен Позже выложу замеры на процессоре. Разгадка близко но где? Проц к стати родной стоял TDA9555/N1/3 была не полная графика и не выходило на некоторых выв с него питания. Я его заменил на проц TDA9555/N1/3 Графики стало больше, но аппарат все ровно вырубается в дежурку . Кин понятное дело не первой свежости, (пушки все подсевшие )но все ровно так вести аппарат вроде не должен . SKREN-крутил толку ни какого
Страницы