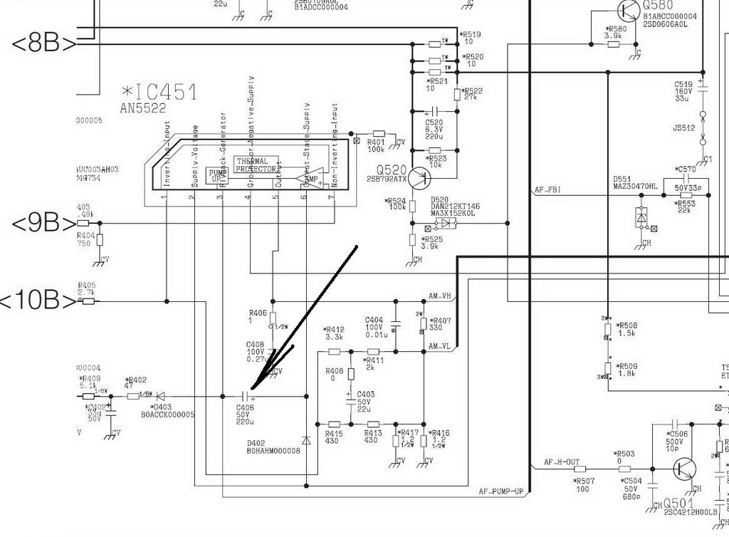
Да схемы нет то... то и прошу бывалых. А в кадровую полез дабы ответ дать по запросу выше от AleksNiw, Да и ещё на беду наткнулся. Заменил последнюю ёмкость электролитическую на шасси С406 50х220мф.так вообще.пропал запуск. Высокого нет напруги упали во вторичке.Дежурный.свето-диод вяло подмигивает с частотой 2-3 раза в 10 сек. Приехали называется. Может кто схемку подкинет?
Есть ещё варианты - соплей навешал при "необходимой" замене или вообще конденсатор раком воткнул. Вообще не понимаю - люди задают вопросы, не читают ответов и начинают "священнодействовать", никуда не глядя.
Будем ремонтировать или пусть работает?
"Человеку нельзя помочь помимо его воли." Г. Померанц
- Вход или регистрация для ответа
 - а что там больше ничего нет? Низкоомные резисторы как?
verniy68
- Вход или регистрация для ответа
 Не понимаю, зачем в кадры полез, если полоса вертикальная.
Может ты горизонталь с вертикалью путаешь? Лучше фото экрана выложи.
Это вообще какой то ужос! Там импульсы больше тыщи вольт.
И о чём это говорит? Ты просто так тестером тыкаешь, даже в схему не смотришь?
Будем ремонтировать или пусть работает?
"Человеку нельзя помочь помимо его воли." Г. Померанц
- Вход или регистрация для ответа
 Да схемы нет то... то и прошу бывалых. А в кадровую полез дабы ответ дать по запросу выше от AleksNiw, Да и ещё на беду наткнулся. Заменил последнюю ёмкость электролитическую на шасси С406 50х220мф.так вообще.пропал запуск. Высокого нет напруги упали во вторичке.Дежурный.свето-диод вяло подмигивает с частотой 2-3 раза в 10 сек. Приехали называется. Может кто схемку подкинет?
прокс
- Вход или регистрация для ответа
 Прибор использую мультиметр
DT-9208A
прокс
- Вход или регистрация для ответа
 http://archive.espec.ws/section323/file12692.html - смотри
verniy68
- Вход или регистрация для ответа
 Ты спутал батя, я такие советы тебе не давал
, почитай внимательно, что я тебе писал.
замена этого кондера вряд ли могла дать такие фатальные результаты, если сам, где то не на косячил.
Прикрепленные файлы:
- Вход или регистрация для ответа
 miklouan, за кадры писал тебе я - читай внимательно
verniy68
- Вход или регистрация для ответа
 Есть вариант, что ты запалил свой транзистор
D5702
- Вход или регистрация для ответа
 Есть ещё варианты - соплей навешал при "необходимой" замене или вообще конденсатор раком воткнул.
Вообще не понимаю - люди задают вопросы, не читают ответов и начинают "священнодействовать", никуда не глядя.
Будем ремонтировать или пусть работает?
"Человеку нельзя помочь помимо его воли." Г. Померанц
- Вход или регистрация для ответа
 Сорри AlekxNew!!! Да.. Не вы. А Verniy68
прокс
Страницы