Здравствуйте.
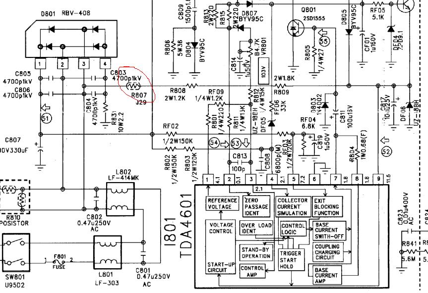
Стоит шасси СР-130 нет запуска БП. БП на TDA 4601, на 9 ноге микросхемы по схеме должно быть 11.5В, в моем случаи 0.5 В. Проверил резисторы R808, R809 рабочий, также в этой цепи стоит терморезистор R807 выпаял проверил показал 5.4 ком.
На терморезисторе на ножке от диодного моста (замер делал 6н TDA 4601 терморезистор) 109 В, после 9 В, после R808 5 В, R809 0.5 В.
Приложил картинку схемы.
Подскажите в чем может быть причина.
17/06/2015 - 13:08
- Вход или регистрация для ответа
Нет запуска БП, Видеодвойка DAEWOO шасси СP-130

- Вход или регистрация для ответа
 Подними 9-й вывод, потом откинь стаб на этой же линии. По очереди, а можно наоборот - всё откинуть и по очереди ставить. Всё время там надо напругу мерить и узнаешь, в чём причина.
Будем ремонтировать или пусть работает?
"Человеку нельзя помочь помимо его воли." Г. Померанц
- Вход или регистрация для ответа
 woka, а литьё ( Мелочь) в первичке проверил?
Нахожусь в том прекрасном возрасте,когда тараканы в голове передохли,лапша на ушах не держится,а потенциал ещё,ох как велик...
- Вход или регистрация для ответа
 Стаб откинул появилось 5 В. А как поднять 9 ногу?
- Вход или регистрация для ответа
 Заменил на новые.
- Вход или регистрация для ответа
 Откинул стаб, откинул 9 н появилось 42 В, стаб поставил 1.8 В.
Значит стаб накрылся? Я так понял.
- Вход или регистрация для ответа
 Поставил новый стаб появилось 10.4 В. Припаял 9 н опять 5 В. Попробую поменять TDA 4601.
- Вход или регистрация для ответа
 Вот ты всё "откинул то, откинул сё", а проверить омметром чего не хватает?
Будем ремонтировать или пусть работает?
"Человеку нельзя помочь помимо его воли." Г. Померанц