Что за шасси не понятно,на плате написанно P69SA 02,по составу подходит под P69SA1 кроме ИП.ИП собран на микросборке AN12....силовом полевике Q801BUZ90a и транзисторе Q802 номинал не ясен т.к был воткнут с1815 явно не оттуда.На принципиальных схемах указана STR S6707 но её в этом шасси нет и места под неё нет.Если кто знает киньте ссылку пож-ста на схему.
10/01/2015 - 15:13

- Вход или регистрация для ответа
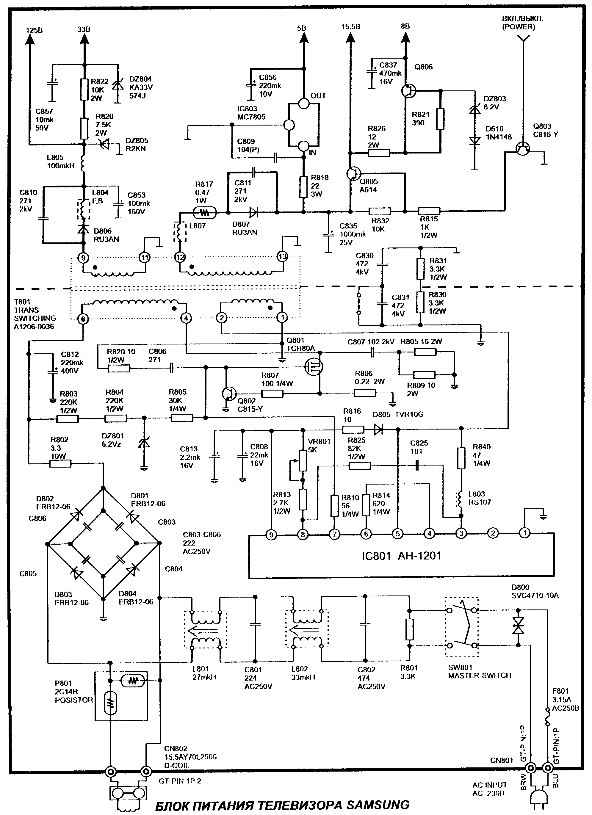
 схема принципиальная P69SA1
Прикрепленные файлы:
- Вход или регистрация для ответа
 eshelon, дай фото целиком, всей платы.
- Вход или регистрация для ответа
 фото платы
Прикрепленные файлы:
- Вход или регистрация для ответа
 Сравни свой БП.
Прикрепленные файлы:
- Вход или регистрация для ответа
 alexander3311 это оно оно самое,спасибо большое,как шасси называется?
- Вход или регистрация для ответа
 eshelon, а вот эта схема подходит?
Шасси P69SA
- Вход или регистрация для ответа
 Копия из какой то книги.
- Вход или регистрация для ответа
 eshelon, схема которую дал я, совпадает со схемой alexander3311 , шасси называется P69SA.
- Вход или регистрация для ответа
 t380998 да так и есть совпадает,в сети эта схема распространенна только с str s6707 с тем же шасси,благодарю за содействие.
- Вход или регистрация для ответа
 t380998 да так и есть совпадает,в сети эта схема распространенна только с str s6707 с тем же шасси,благодарю за содействие.
Страницы