Минздрав - я понимаю что ты здесь потренировать свою реч.... ... но давай рассмотрим твой пафос с другой стороны. Ты видишь как я веду диалог с birluk - вот !ему! неважно как я это называю, он поправляет меня что бы я называл как это !он! привык понимать, а он понимает о чём я говорю или хотя бы предвидит, и соответственно дает совет или направляет. Ты не можешь !"пока"! как я понял этого сделать, но ты "Минздрав" - и считаешь что своими диалогами лечишь людей??? Танец . Но у нас медицина несёт рекомендательный характер, ...именно рекомендательный, а не лечит. Так вот из твоего диалога я не вижу НИ ЧЕГО такого рекомендательного к чему можно прислушаться. Зачем гонять пустышку - нимагЁшь ничего порекомендовать или посоветовать толкового - не отвлекай пожалуйста форумчан от диалога - ХОРОШО??? Есть беседки для трёпа - посети, понравится.
Так вот из твоего диалога я не вижу НИ ЧЕГО такого рекомендательного к чему можно прислушаться.
Плохо, что не видишь, я писал, что надо читать больше, но ты, похоже, с этим не согласен. Изволь - читай меньше. Я писал, что надо пользоваться поиском, но и тут ты, похоже, против. Изволь - не пользуйся, я не против.
"wista35" писал(а):
нимагЁшь ничего порекомендовать или посоветовать толкового
Пытался, как мог, извини.
"wista35" писал(а):
не отвлекай пожалуйста форумчан от диалога - ХОРОШО???
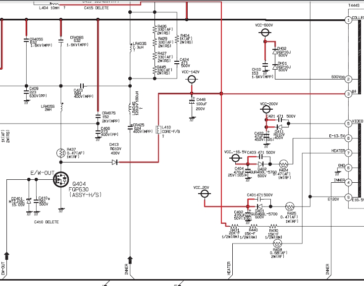
Сегодня новый день, так что привет!!! birluk - у меня вроде такая же схема (к стати твой знакомый FIMA и прислал, огромнейшее ему спасибо), теперь хоть примерно знаешь куды нос совать. birluk, к стати сегодня рискнул впаять НОТ да L809 включил - идет, тока в место 6920 поставил HD1750 (б.я шоб слюду не использовать, термопасту прям на него намазал) но где то минуты через полторы - палец держать уже почти невозможно. Рисковать не стал вырубил. Ща выпаю L809... .... короче, верну всё как было.Какой рабочий темпер должен быть у НОТа??? (может это его рабочая температура). Телик показывает но с вогнутостью. Если предположить что это EW.... ....есть какие то слабые там места по статистике, или ковырять всё во круг IC401 ??? ....а вообще EW за что отвечает??? Может из за неё НОТ так нагреваться??? Стоит сразу IC 401 менять???,,, ...или пока замеры сделать???
Сомневаюсь! Допустим схему читать умеешь,но на самой шасси найти не можешь.
Я тебе уже говорил,скинь фотки всех непонятных тебе мест и спрашивай.Но самое главное читай шо пишут.
Минздрава не обижать.Человек хочет помочь и не его вина шо ты не понял.
Неисправную детальку тут ни кто не даст,а вот направить кудой нада помогут.
Правила простые,написАли шо проверить,проверил и отписАл.
FIMA привет. Да никто никого не обижает... ...просто я весь ин-ет перерыл, а потом когда он ещё и ссылки бросил я вооще ихидно про себя засмеялся... ....вот бывает же такое!!!, я по этим ссылкам недавно шарил. Там что то близкое но всё равно ни то. Может ты мне скажешь, за что отвечает EW??? да, подскажи куда идет (вернее от кеда приходит как я понял сигнал EW-DRIVE)... ...на схеме, через R436 на 3 ногу (вход усилителя как я понял) приходит этот самый сигнал.... ....идет из шины.... ...а на каком он разъёме сидит??? не нашел, можешь подсказать???
просто я весь ин-ет перерыл, а потом когда он ещё и ссылки бросил я вооще ихидно про себя засмеялся... ....вот бывает же такое!!!, я по этим ссылкам недавно шарил. Там что то близкое но всё равно ни то.
А это тебе минус.Читать правила надо и сообщать какой инфой владеешь.
Меня все больше посещает мысль шо зря ты в него полез.
Почему зря, всё даже очень хорошо. Знаешь говорят "если долго мучатся - что нибудь получится." FIMA!!!,,,, - тебе ли сожалеть??? - ты их скока переколпашил???. Я же писал... ...повторю ещё раз. Я уже запускал телик, впаяв обратно L809, он работает тока НОТ через полторы минуты становится горячим (хоть и на радиаторе) палец держать можно, но с трудом. Насиловать ни стал вырубил и опять выпаял L809 и припаял лампочку. Вогнутость осталась. Да она как после первого ремонта была так и проработав 3 года никуда и не ушла. Я думаю это не из за неё. Телик работал с ней 3 года. Просто когда ЦТ телевидение показывает её ни сильно заметно. А вот когда DVD ставишь вот тогда её видно по кромкам хорошо. FIMA... ...на шасси между прочем имея схему найти проще чем скажем прочитать отдельные моменты схемы. Ты наверное посты ни все читаешь. Я же писал про EW и 3 ногу. Проводник нарисован, идет в общую шину, называется EW-DRIVE, но куда он приходит по шине на схеме не нашел. Сегодня прийду с работы попробую по печ. плате посмотреть - куды он нарисован (к какому разъёму тащится).
Меня все больше посещает мысль шо зря ты в него полез.
Почему зря, ядерная бомба????, он не взрывается, куда руки совать не стоит знаю. С лягушкой от трубы - славо богу за тещуй не бегаю... ...так что всё в поряде. Ты лучше отдельные моменты подскажи. А то, "слушай и делай что говорят" - а что говорят то??? демагогие занимаются больше. По существу дела то ничего. Пример: тебе надо EW ковырять.... ....и что??? .... я понял что надо... можно к примеру написать.... ...чел, проверь напруги на ногах ... скажем там,,, 3, 5, или там 7 микрухи IC401, чего видишь отпиши. Ну а так как посоветовали проверить всё в EW - сегодня прийду прозвоню все цепи во круг, проверю кондюки(только мне чутьё почему то подсказывает что они в поряде). Есть ещё какие соображения???
birluk привет!!!
Спасибо за ссылку, ща мать ихнюю на меня ещё один объект сгрузили, надо будет сопровождать. Будут небольшие временные трудности с общением, но я обязательно в ближайшее время дам о себе знать. Заодно и EW поковыряю да инфу соберу по ней, потом выложу. Постараюсь сделать всё быстрее. За ранее благодарю за понимание.
- Вход или регистрация для ответа
 Минздрав - я понимаю что ты здесь потренировать свою реч.... ... но давай рассмотрим твой пафос с другой стороны. Ты видишь как я веду диалог с birluk - вот !ему! неважно как я это называю, он поправляет меня что бы я называл как это !он! привык понимать, а он понимает о чём я говорю или хотя бы предвидит, и соответственно дает совет или направляет. Ты не можешь !"пока"! как я понял этого сделать, но ты "Минздрав" - и считаешь что своими диалогами лечишь людей??? Танец . Но у нас медицина несёт рекомендательный характер, ...именно рекомендательный, а не лечит. Так вот из твоего диалога я не вижу НИ ЧЕГО такого рекомендательного к чему можно прислушаться. Зачем гонять пустышку - нимагЁшь ничего порекомендовать или посоветовать толкового - не отвлекай пожалуйста форумчан от диалога - ХОРОШО??? Есть беседки для трёпа - посети, понравится.
- Вход или регистрация для ответа
 Плохо, что не видишь, я писал, что надо читать больше, но ты, похоже, с этим не согласен. Изволь - читай меньше. Я писал, что надо пользоваться поиском, но и тут ты, похоже, против. Изволь - не пользуйся, я не против.
Пытался, как мог, извини.
Хорошо. Удачи.
А делается всё просто: https://www.google.ru/search?q=%D1%88%D0%B0%D1%81%D1%81%D0%B8+S62B&ie=ut...
https://www.google.ru/search?q=%D1%88%D0%B0%D1%81%D1%81%D0%B8+S62B&ie=ut...
Сначала читаем, потом задаём вопросы.
Будем ремонтировать или пусть работает?
"Человеку нельзя помочь помимо его воли." Г. Померанц
- Вход или регистрация для ответа
 см вложение.
так и есть.
Прикрепленные файлы:
- Вход или регистрация для ответа
 Сегодня новый день, так что привет!!!
birluk - у меня вроде такая же схема (к стати твой знакомый FIMA и прислал, огромнейшее ему спасибо), теперь хоть примерно знаешь куды нос совать. birluk, к стати сегодня рискнул впаять НОТ да L809 включил - идет, тока в место 6920 поставил HD1750 (б.я шоб слюду не использовать, термопасту прям на него намазал) но где то минуты через полторы - палец держать уже почти невозможно. Рисковать не стал вырубил. Ща выпаю L809... .... короче, верну всё как было.Какой рабочий темпер должен быть у НОТа??? (может это его рабочая температура). Телик показывает но с вогнутостью. Если предположить что это EW.... ....есть какие то слабые там места по статистике, или ковырять всё во круг IC401 ??? ....а вообще EW за что отвечает??? Может из за неё НОТ так нагреваться??? Стоит сразу IC 401 менять???,,, ...или пока замеры сделать???
- Вход или регистрация для ответа
 Сомневаюсь! Допустим схему читать умеешь,но на самой шасси найти не можешь.
Я тебе уже говорил,скинь фотки всех непонятных тебе мест и спрашивай.Но самое главное читай шо пишут.
Минздрава не обижать.Человек хочет помочь и не его вина шо ты не понял.
Неисправную детальку тут ни кто не даст,а вот направить кудой нада помогут.
Правила простые,написАли шо проверить,проверил и отписАл.
ЧЕЛОВЕК-звучит гордо,выглядит отвратительно!
- Вход или регистрация для ответа
 FIMA привет. Да никто никого не обижает... ...просто я весь ин-ет перерыл, а потом когда он ещё и ссылки бросил я вооще ихидно про себя засмеялся... ....вот бывает же такое!!!, я по этим ссылкам недавно шарил. Там что то близкое но всё равно ни то. Может ты мне скажешь, за что отвечает EW??? да, подскажи куда идет (вернее от кеда приходит как я понял сигнал EW-DRIVE)... ...на схеме, через R436 на 3 ногу (вход усилителя как я понял) приходит этот самый сигнал.... ....идет из шины.... ...а на каком он разъёме сидит??? не нашел, можешь подсказать???
- Вход или регистрация для ответа
 А это тебе минус.Читать правила надо и сообщать какой инфой владеешь.
Меня все больше посещает мысль шо зря ты в него полез.
ЧЕЛОВЕК-звучит гордо,выглядит отвратительно!
- Вход или регистрация для ответа
 Почему зря, всё даже очень хорошо. Знаешь говорят "если долго мучатся - что нибудь получится." FIMA!!!,,,, - тебе ли сожалеть??? - ты их скока переколпашил???. Я же писал... ...повторю ещё раз. Я уже запускал телик, впаяв обратно L809, он работает тока НОТ через полторы минуты становится горячим (хоть и на радиаторе) палец держать можно, но с трудом. Насиловать ни стал вырубил и опять выпаял L809 и припаял лампочку. Вогнутость осталась. Да она как после первого ремонта была так и проработав 3 года никуда и не ушла. Я думаю это не из за неё. Телик работал с ней 3 года. Просто когда ЦТ телевидение показывает её ни сильно заметно. А вот когда DVD ставишь вот тогда её видно по кромкам хорошо. FIMA... ...на шасси между прочем имея схему найти проще чем скажем прочитать отдельные моменты схемы. Ты наверное посты ни все читаешь. Я же писал про EW и 3 ногу. Проводник нарисован, идет в общую шину, называется EW-DRIVE, но куда он приходит по шине на схеме не нашел. Сегодня прийду с работы попробую по печ. плате посмотреть - куды он нарисован (к какому разъёму тащится).
Почему зря, ядерная бомба????, он не взрывается, куда руки совать не стоит знаю. С лягушкой от трубы - славо богу за тещуй не бегаю... ...так что всё в поряде. Ты лучше отдельные моменты подскажи. А то, "слушай и делай что говорят" - а что говорят то??? демагогие занимаются больше. По существу дела то ничего. Пример: тебе надо EW ковырять.... ....и что??? .... я понял что надо... можно к примеру написать.... ...чел, проверь напруги на ногах ... скажем там,,, 3, 5, или там 7 микрухи IC401, чего видишь отпиши. Ну а так как посоветовали проверить всё в EW - сегодня прийду прозвоню все цепи во круг, проверю кондюки(только мне чутьё почему то подсказывает что они в поряде). Есть ещё какие соображения???
- Вход или регистрация для ответа
 см скрин.
всё про EW и с чем его едят. http://monitor.net.ru/forum/ew-repair-info-6264.html
Прикрепленные файлы:
- Вход или регистрация для ответа
 birluk привет!!!
Спасибо за ссылку, ща мать ихнюю на меня ещё один объект сгрузили, надо будет сопровождать. Будут небольшие временные трудности с общением, но я обязательно в ближайшее время дам о себе знать. Заодно и EW поковыряю да инфу соберу по ней, потом выложу. Постараюсь сделать всё быстрее. За ранее благодарю за понимание.
Страницы