Raketa.
Когда Вы ходили в первый класс кино называли кинескоп, монитор и изображение на них.ЭТО ДЛЯ РАЗВИТИЯ.
Откуда ты можешь это знать, когда я ходил в первый класс? Кино есть кино! А вот наглость, подмена и ложь встречалась в тысячи раз реже.
"kolun" писал(а):
Луч на экране осцилографа рисует фОРМУ и АМПЛИТУДУ сигнала. (эпюры напряжения).
Что ты этим хочешь сказать? Что ты ним измерял и где? Измерений нет - тоже подмена и ложь!
"kolun" писал(а):
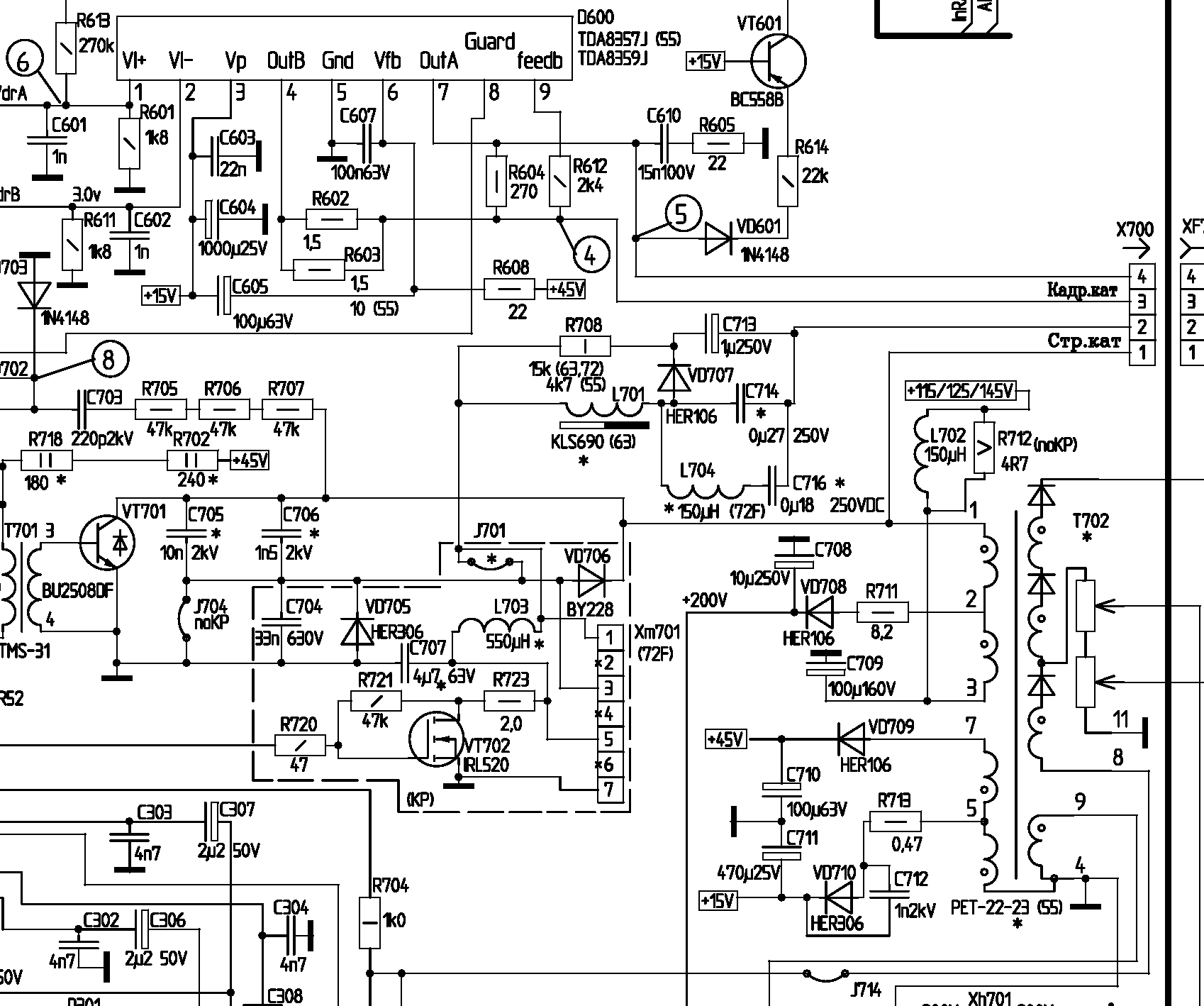
Питание кадровой осуществляется со строчного тр-ра
Подмена и ложь!
"kolun" писал(а):
Память заменялась на чистую и перезалитую от большого ума т.к. аппарат не планировался для ремонта.
Ты лишь в одном предложении сложил три фразы, которые противоречат между собой!
Ты безответственный извращенец, понимаешь ли, что такое подмена и ложь? Это и есть твой "труд"?
Возможно ли в голову за две минуты вложить опыт многих лет.
"Никакие рассуждения не в состоянии указать человеку путь, которого он не хочет видеть". Ромен Роллан
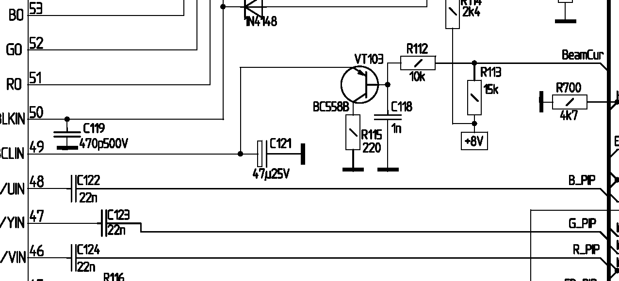
Подскажите пожалуйста форму и аплитуду напряжения на 49 ноге процессора.
А ведь вопрос интересный,ни разу не приходилось измерять АБЛ :smu:sche_nie: Там диод,после него электролит,все это питается от 8 вольт через делитель напряжения,туда же поступают с ТДКС импульсы.Значит напряжение будет постоянное(не импульсы),изменяющееся(во времени),около 4 вольт.
kolun, идёт третья страница, а нет ни состава, ни измерений, ни ответов на вопросы ПО ТЕМЕ, только обьяснения про кино и эпюры. Как будем продолжать? Что сейчас, все ли детали на месте или опять что-то "удалено"? :nez-nayu:
Будем ремонтировать или пусть работает?
"Человеку нельзя помочь помимо его воли." Г. Померанц
kolun,ты,когда в сервисный режим вошел,что-ли ничего,кроме белого экрана с ЛОХ не увидел?Буковки,циферки ? kolun,при изменении тока лучей транзистор приоткрывается,и постоянное напряжение на электролите с121,а значит и на 49 выводе проца уменьшается.
Здоров был! Во-первых там постоянные напряжения. Тебе это не видно и не понятно???
Во-вторых тот диод, что нужно, стоит внутри тдкс. А вообще с тобой не интересно, кроме "полива" грязью и чушью способностей нет. Что ты целые схемы пихаешь, будто в них понимаешь? Понимал бы - то не писал бы ереси о том и об этом.
"kolun" писал(а):
Питание кадровой осуществляется со строчного тр-ра
Я так понял, со строчного транзистора, ведь ни позиционных номеров, ни тдкс, ни FBT не фигурировало.
Возможно ли в голову за две минуты вложить опыт многих лет.
"Никакие рассуждения не в состоянии указать человеку путь, которого он не хочет видеть". Ромен Роллан
- Вход или регистрация для ответа
 Откуда ты можешь это знать, когда я ходил в первый класс? Кино есть кино! А вот наглость, подмена и ложь встречалась в тысячи раз реже.
Что ты этим хочешь сказать? Что ты ним измерял и где? Измерений нет - тоже подмена и ложь!
Подмена и ложь!
Ты лишь в одном предложении сложил три фразы, которые противоречат между собой!
Ты безответственный извращенец, понимаешь ли, что такое подмена и ложь? Это и есть твой "труд"?
- Вход или регистрация для ответа
 kolun писал(а):Питание кадровой осуществляется со строчного тр-ра
Подмена и ложь!
Прикрепленные файлы:
- Вход или регистрация для ответа
 Прикрепленные файлы:
- Вход или регистрация для ответа
 kolun, идёт третья страница, а нет ни состава, ни измерений, ни ответов на вопросы ПО ТЕМЕ, только обьяснения про кино и эпюры. Как будем продолжать? Что сейчас, все ли детали на месте или опять что-то "удалено"? :nez-nayu:
Будем ремонтировать или пусть работает?
"Человеку нельзя помочь помимо его воли." Г. Померанц
- Вход или регистрация для ответа
 kolun,ты,когда в сервисный режим вошел,что-ли ничего,кроме белого экрана с ЛОХ не увидел?Буковки,циферки ?
kolun,при изменении тока лучей транзистор приоткрывается,и постоянное напряжение на электролите с121,а значит и на 49 выводе проца уменьшается.
Каждому-свое.
- Вход или регистрация для ответа
 Здоров был! Во-первых там постоянные напряжения. Тебе это не видно и не понятно???
Во-вторых тот диод, что нужно, стоит внутри тдкс. А вообще с тобой не интересно, кроме "полива" грязью и чушью способностей нет. Что ты целые схемы пихаешь, будто в них понимаешь? Понимал бы - то не писал бы ереси о том и об этом.
Я так понял, со строчного транзистора, ведь ни позиционных номеров, ни тдкс, ни FBT не фигурировало.
- Вход или регистрация для ответа
 zews.Да. Только белый экран с ЛОХ.
измерения в сервисном режме
катоды 176.3,176.0,175.8
БП 3в= 3.2в,
5в= 5.04в
8в= 7.9в,
13в=11.8в
115в=105.6
vt103
база = 4.7в
эммитер= 0.67в
экран белый с ЛОХ и все.
- Вход или регистрация для ответа
 Не понял. :nez-nayu: А на 7-ой ноге кина сколько? И на 5-ой.
Будем ремонтировать или пусть работает?
"Человеку нельзя помочь помимо его воли." Г. Померанц
- Вход или регистрация для ответа
 7нога = 425в при измерении прибором М890G экран гаснет
5нога = 0.0в
До завтра.
- Вход или регистрация для ответа
 Не понятно.При почти закрытых катодах экран белый с ЛОХ :-) Ускоряющим на тдкс не регулируется что-ли? :sh_ok:
Каждому-свое.
Страницы