Digital PF-2991 не включается

107 posts / 0 новых
Последнее сообщение
bkost аватар
Не в сети
Регистрация: 13/03/11
Сообщения: 48
 
Digital PF-2991 не включается

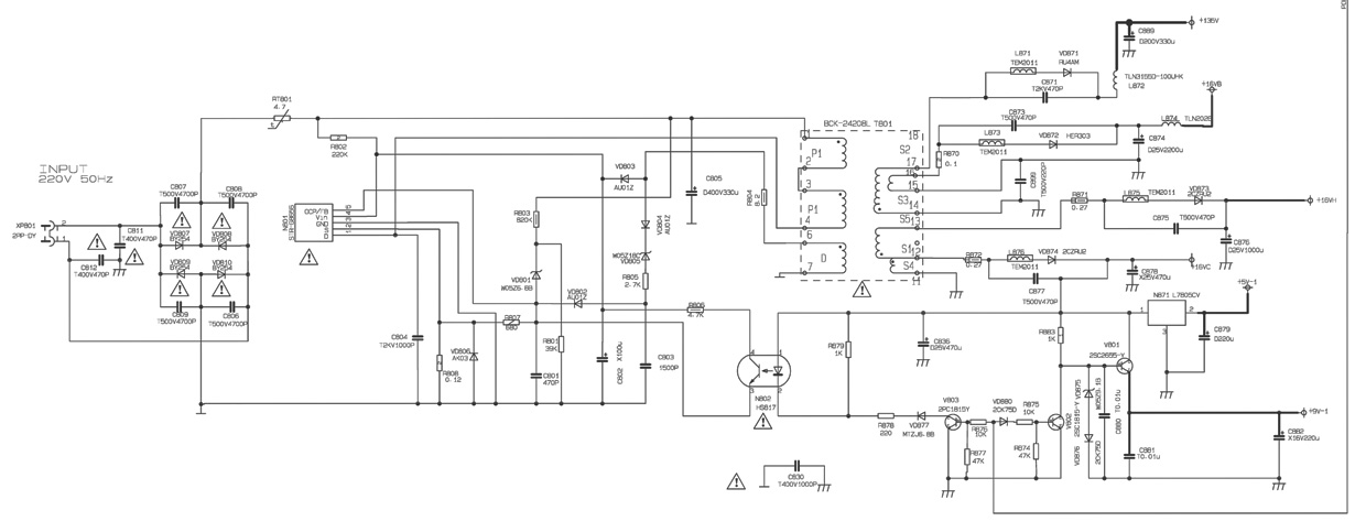
Шасси CN-18ED. При включении постоянный цокот. До меня поменяли STR-G8656 и оптопару. На вторичке КЗ не нашел. По совету из соседней ветки, проверил VD402A и R403 - оба живые.

Прикрепленные файлы: 

Олега аватар
Не в сети
Регистрация: 05/02/10
Сообщения: 80
 
Re: Digital PF-2991 не включается

Измерения где, :bra_vo:

zews аватар
Не в сети
Тунеядец
Регистрация: 07/11/10
Сообщения: 1528
 
Re: Digital PF-2991 не включается
"bkost" писал(а):

На вторичке КЗ не нашел.

Это не значит,что их там не может быть.По очереди отключай нагрузки и пробуй включать.ТДКС цел?Его вторичные цепи?На R879 можно так же очень акккуратно проверить,изменяется ли напряжение.

Каждому-свое.

Минздрав аватар
Не в сети
Наблюдатель
Регистрация: 10/05/10
Сообщения: 9781
 
Re: Digital PF-2991 не включается
"bkost" писал(а):

При включении постоянный цокот.

В ДР, РР? Вх/вых ИП? То есть

"Олега" писал(а):

Измерения где,

И подробное описание.

Будем ремонтировать или пусть работает?
"Человеку нельзя помочь помимо его воли." Г. Померанц

Raketa аватар
Не в сети
Отключен
Регистрация: 29/09/09
Сообщения: 3157
 
Re: Digital PF-2991 не включается
"bkost" писал(а):

При включении постоянный цокот.

"bkost" писал(а):

До меня поменяли STR-G8656 и оптопару.

"bkost" писал(а):

На вторичке КЗ не нашел.

Полный крен! Это о чём вообще?

"bkost" писал(а):

оба живые

Ну, из двух тыщ деталей... Напряжения там хоть есть? Условия для старта проца? Повествование о "цокоте" это и есть работа по локализации неисправности?

Возможно ли в голову за две минуты вложить опыт многих лет.
"Никакие рассуждения не в состоянии указать человеку путь, которого он не хочет видеть". Ромен Роллан

bkost аватар
Не в сети
Регистрация: 13/03/11
Сообщения: 48
 
Re: Digital PF-2991 не включается

Руки дошли. На первичной обмотке 1-4 = ОВ, 1-7=312В. Что это за сигнал с 64 ноги проца POWER?

Quote:

Полный крен! Это о чём вообще?

это об этом

Quote:

aze1959 Огромное спасибо за помощь! Схема 72ТЦ подошла полностью. Отсутствуют 9V-2 на плате кинескопа, нашел неисправными VD402A и R403. Еще раз спасибо Adminу за хороший форум, а Александру за помощь! Думаю, Тему можно закрыть. Good luck!

Raketa аватар
Не в сети
Отключен
Регистрация: 29/09/09
Сообщения: 3157
 
Re: Digital PF-2991 не включается
"bkost" писал(а):

Руки дошли.

А ноги тоже шли пять дней, чтоб такое измерять?

"bkost" писал(а):

На первичной обмотке 1-4 = ОВ, 1-7=312В

И всё? Много труда потрачено на эти измерения? Нужны ли они и информативны?

"bkost" писал(а):

Что это за сигнал с 64 ноги проца POWER?

Это не сигнал. Это появляющийся высокий или низкий уровень, которым проц переводит телевизор и его узлы в состояние ДР/РР. А сигнал в том, что ты об этом интересуешься после того, как приступить.

Возможно ли в голову за две минуты вложить опыт многих лет.
"Никакие рассуждения не в состоянии указать человеку путь, которого он не хочет видеть". Ромен Роллан

Минздрав аватар
Не в сети
Наблюдатель
Регистрация: 10/05/10
Сообщения: 9781
 
Re: Digital PF-2991 не включается
"bko7st" писал(а):

На первичной обмотке 1-4 = ОВ, 1-7=312В.

bkost, ничего не понятно. Что есть ОВ? :nez-nayu:

"bkost" писал(а):

Что это за сигнал с 64 ноги проца

О чём речь? Где это смотреть при условии, что я не хочу качать етот файл? Где состав?

"bkost" писал(а):

POWER?

По русски запуск.

"Олега" писал(а):

Измерения где,

Вх. первички, вых. вторички, режимы

"bkost" писал(а):

STR-G8656

"zews" писал(а):

И подробное описание.

Где всё это? Из поста в пост скучно писать одно и то же.

Будем ремонтировать или пусть работает?
"Человеку нельзя помочь помимо его воли." Г. Померанц

bkost аватар
Не в сети
Регистрация: 13/03/11
Сообщения: 48
 
Re: Digital PF-2991 не включается
Quote:

Нужны ли они и информативны?

А что нужно для информативности? Если с моста уходит 315В, а на первичку не приходит вообще ничего. Соответственно, нет ни 135, 16, 9, 5 Вольт. БП1.jpg

Прикрепленные файлы: 

Минздрав аватар
Не в сети
Наблюдатель
Регистрация: 10/05/10
Сообщения: 9781
 
Re: Digital PF-2991 не включается
"bkost" писал(а):

Если с моста уходит 315В, а на первичку не приходит вообще ничего.

И то, и другое есть первичные цепи. Режимы

"Минздрав" писал(а):

STR-G8656

будут, ни?

Будем ремонтировать или пусть работает?
"Человеку нельзя помочь помимо его воли." Г. Померанц

bkost аватар
Не в сети
Регистрация: 13/03/11
Сообщения: 48
 
Re: Digital PF-2991 не включается

Объясни тупому, что подразумевается за словом "режимы"? ДР/РР?

Страницы

Темы без ответов: