Пардон, кажись, у мну 2 последних были с фиксацией, поэтому в памяти так и осталось
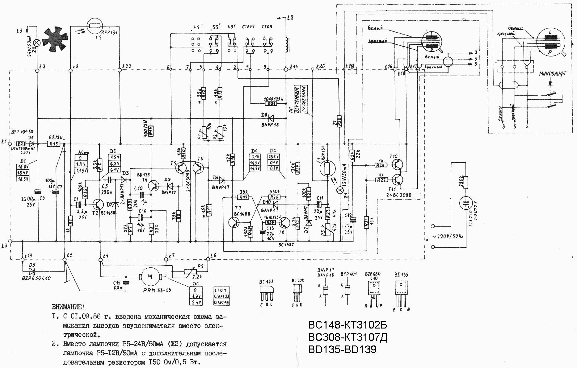
Стабилитрон на 10В, меняется на что-нибудь вроде Д814Г.
Транзистор BD135 на КТ815.
Диод между регулятором и автоматикой на Д18 или КД522.
Польские полупроводники вообще загадочные, со временем начинают чудить, лучше менять не задумываясь, тестером хрен проверишь - тот же BD135 пробитый меряется как норм.
Напряжения 1.9/2.4 - это с фоторезистора.
В принципе, светики можно ставить любые, хоть АЛ307, только резисторы подобрать, главное, чтобы размах сигнала был достаточный.
А сначала - механика!
Напряжение на стабилитроне во всех режимах - около 17 В. Это значит, он исправный?
На двигателе напряжения такие: Стоп – 0, 33 – 1,47 В, 45 – 1,42 В. А по схеме для 45 оборотов должно быть большее напряжение.
Напряжение на стабилитроне во всех режимах - около 17 В. Это значит, он исправный?
А выше выложенный метод проверки непонятен? Вообще желательно схему положить, а не огрызок и какое то мыльное... чудо, потом уже писать циферки и буковки. Есть подозрение, что она не у всех лежит на столе.
Будем ремонтировать или пусть работает?
"Человеку нельзя помочь помимо его воли." Г. Померанц
- Вход или регистрация для ответа
 Прикрепленные файлы:
- Вход или регистрация для ответа
 Пардон, кажись, у мну 2 последних были с фиксацией, поэтому в памяти так и осталось
Стабилитрон на 10В, меняется на что-нибудь вроде Д814Г.
Транзистор BD135 на КТ815.
Диод между регулятором и автоматикой на Д18 или КД522.
Польские полупроводники вообще загадочные, со временем начинают чудить, лучше менять не задумываясь, тестером хрен проверишь - тот же BD135 пробитый меряется как норм.
Напряжения 1.9/2.4 - это с фоторезистора.
В принципе, светики можно ставить любые, хоть АЛ307, только резисторы подобрать, главное, чтобы размах сигнала был достаточный.
А сначала - механика!
- Вход или регистрация для ответа
 Напряжение на стабилитроне во всех режимах - около 17 В. Это значит, он исправный?
На двигателе напряжения такие: Стоп – 0, 33 – 1,47 В, 45 – 1,42 В. А по схеме для 45 оборотов должно быть большее напряжение.
- Вход или регистрация для ответа
 А выше выложенный метод проверки непонятен? Вообще желательно схему положить, а не огрызок и какое то мыльное... чудо, потом уже писать циферки и буковки. Есть подозрение, что она не у всех лежит на столе.
Будем ремонтировать или пусть работает?
"Человеку нельзя помочь помимо его воли." Г. Померанц
- Вход или регистрация для ответа
 Такая вот схема у меня.
Прикрепленные файлы:
- Вход или регистрация для ответа
 Давненько я тут не пробегал. Как дела с Вегой?
Страницы