Nik Poy, ремонт - это измерения прежде всего, впечатления и ощущения тут не рулят, а звук проц может блокировать при срабатывании системы АББ. Это всё догадки, они тоже тут не главное.
Будем ремонтировать или пусть работает?
"Человеку нельзя помочь помимо его воли." Г. Померанц
Пробовал менять конденсаторы, ничего не изменилось. Напряжения в норме, только одно не понятно. При измерении накала кинескопа при включённом телевизоре показывает напряжение 0,03 вольт, а когда прибор переводишь на измерение переменного напряжения показывает 3,3 вольт. Проверял замыкание электородов в кине, то ничего подозрительного не обнаружил. Регулятором SCREEN на ТДКС выставил точку где телек запускается в течении 10 секунд, но при этом жёлтый цвет приобретает немного оранжевый окрас, а зелёный темнеет. А так в принципе насыщенность цветов нормальнаная, яркость и баланс белого тоже в пределах нормы.Когда регулятором SCREEN пытаюсь выставить нормальные цвета, телевизор выключается и не включается после этого. Тогда приходится этим же регулятором искать точку при которой он включится.
Менял те конденсаторы, что помечены красным, но результат не улучшился и сделал замеры напряжений на видеоусилителе - микросхема 6107AJF/N1. Значит входные -1 ножка-B (синий)-1.05v, 2 ножка G (зелёный)-2,35v, 3 ножка R (красный)- 2,35v. Выходные – 7 ножка B (синий)-165v, 8 ножка G (зелёный) -165v, 9 ножка R (красный)-165v. Цвета на экране все, но многовато оранжевого, а синего вообще предостаточно.. Сейчас запускается (появляется изображение и звук) через 30-40 секунд.
- Вход или регистрация для ответа
 Nik Poy, Замени эти 2 ёмкости, ставить нужно обязательно новые, не перепутай местами и полярность.
- Вход или регистрация для ответа
 Nik Poy, ремонт - это измерения прежде всего, впечатления и ощущения тут не рулят, а звук проц может блокировать при срабатывании системы АББ. Это всё догадки, они тоже тут не главное.
Будем ремонтировать или пусть работает?
"Человеку нельзя помочь помимо его воли." Г. Померанц
- Вход или регистрация для ответа
 Ну нет их у него и стырить не где.
ЧЕЛОВЕК-звучит гордо,выглядит отвратительно!
- Вход или регистрация для ответа
 Пробовал менять конденсаторы, ничего не изменилось. Напряжения в норме, только одно не понятно. При измерении накала кинескопа при включённом телевизоре показывает напряжение 0,03 вольт, а когда прибор переводишь на измерение переменного напряжения показывает 3,3 вольт. Проверял замыкание электородов в кине, то ничего подозрительного не обнаружил. Регулятором SCREEN на ТДКС выставил точку где телек запускается в течении 10 секунд, но при этом жёлтый цвет приобретает немного оранжевый окрас, а зелёный темнеет. А так в принципе насыщенность цветов нормальнаная, яркость и баланс белого тоже в пределах нормы.Когда регулятором SCREEN пытаюсь выставить нормальные цвета, телевизор выключается и не включается после этого. Тогда приходится этим же регулятором искать точку при которой он включится.
- Вход или регистрация для ответа
 Это хорошо.
А это плохо.
Не тот прибор, для измерений на этой частоте он непригоден.
Дальше, думаю, ты его и сам добьёшь, коль с измерениями так тяжело, Форум не нужен.
Будем ремонтировать или пусть работает?
"Человеку нельзя помочь помимо его воли." Г. Померанц
- Вход или регистрация для ответа
 Nik Poy, не исключено что и плохой кинескоп (частичная потеря эмиссии), попробуй мастера вызвать, что он скажет?
- Вход или регистрация для ответа
 Большое всем спасибо за поддержку и удачи!!!
- Вход или регистрация для ответа
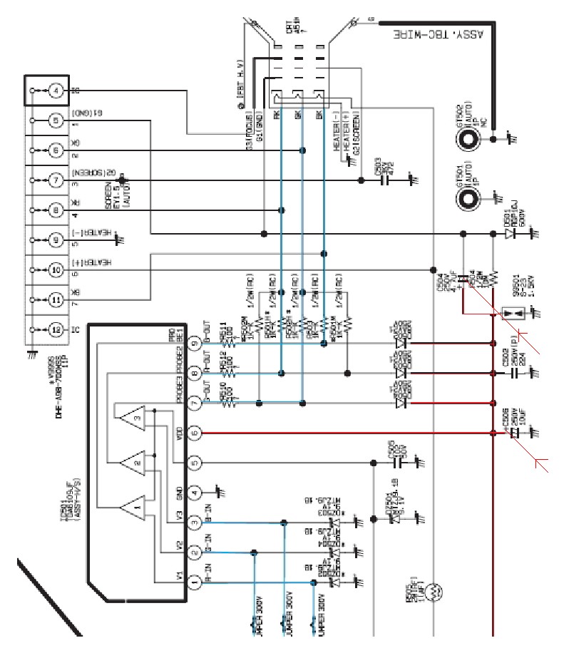
 Проверьте конденсаторы выделенные красным и напряжения на входах и выходах видео усилителя
Прикрепленные файлы:
- Вход или регистрация для ответа
 Менял те конденсаторы, что помечены красным, но результат не улучшился и сделал замеры напряжений на видеоусилителе - микросхема 6107AJF/N1. Значит входные -1 ножка-B (синий)-1.05v, 2 ножка G (зелёный)-2,35v, 3 ножка R (красный)- 2,35v. Выходные – 7 ножка B (синий)-165v, 8 ножка G (зелёный) -165v, 9 ножка R (красный)-165v. Цвета на экране все, но многовато оранжевого, а синего вообще предостаточно.. Сейчас запускается (появляется изображение и звук) через 30-40 секунд.
- Вход или регистрация для ответа
 Карти Таро показали-- плохой кинескоп... Попробуй с R418 = 1 ом или =0 ом....для проба.
Страницы