Samsung CS-29K5ZQQ шасси S16A
Состав: Процессор TDA12025PQ/N1F80, Память 24C16, НОТ 2SC5936, ТДКС FUH-29A001F, Кадровая LA78045,
ИП STR W6750F, УНЧ TDA7297SA, ПК TDA6109
схема: http://tvservice.org/node/460
Перед уходом с работы только успел поставить на стол и открутить крышку. Дефект-фокусировка никакая при вращении регулятора "картинка" гаснет. первым делом конечно же попробую заменить панельку кина. Но есть подозрение что ТДКС или кин. У меня в практике такое было очень редко, один раз если мне не изменяет память и дело было в ПК. Поделитесь пж своим практическим опытом и советами.
06/09/2010 - 18:09
- Вход или регистрация для ответа
Samsung CS-29K5ZQQ шасси S16A Решено

- Вход или регистрация для ответа
 Было один раз,там панелька коротила,ТВ в сыром помещении работал.
- Вход или регистрация для ответа
 Сначала присмотрись к ней внимательно. Пошевели.
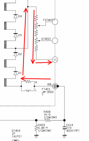
Выкладываю фото цепи "съёма" этого напряга. Не такая она, уж, простая. Там и два контактика есть, и некоторые элементы в цепи ABL. После чего, можно было бы и чёрного двинуть. Фокус и ускорялка.png
Прикрепленные файлы:
- Вход или регистрация для ответа
 Панельку кина заменил-заработала. Скрин в сервисе подрегулировал. Вход в сервис: Из ДР нажать быстро Inf, menu, mute, power. Спасибо!