СОСТАВ ШАССИ:
Main - TM0261A
Micom - OEC1021BE15
Memory - BR9021B
SMPS - STK730-080
TR Chopper - 8135009W
SAW - F1057D
Secam - TA8750AN
Video - TA8867N
VIF - TA8700AN
Vertical - TA8445K
Sound - µPC1213C
SIF - TA8710S
Tuner - ENV-578A5F2
TV/AV - TA8822SN
Tube - CPJ510CKY1U-TC + YS-60534K
FBT - 3219004
HOT - 2SD1555
RGB Amp - TA8872N & 2SC4075
Пульт: - 076L052040, (076L067110, 076L067170)
IC remote - µPD6600 A55
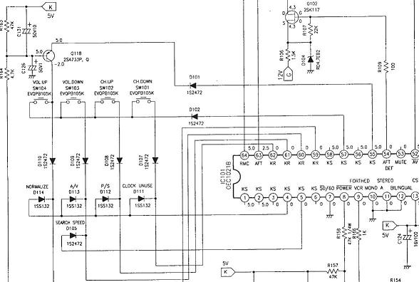
изначально тв не включался.,была заменена stk730-080 в блоке питания и закорочена кнопка включения с передней панели телевизора, тв запустился минуя дежурный режим, но на кнопки управления и пульт не реагирует,питание проца в норме, кнопки откинул полностью, транзистор Q118 менял, импульсы с фотоприемника на pin64 приходят,память BR9021,может прошивка слетела, иницианализирует ли проц OEC1021BE15 новую память, или шить придется, где можно найти прошивку,и можно ли прошить данную память "лошадью"
02/09/2010 - 18:24
- Вход или регистрация для ответа
Orion Color 518DK не реагирует на кнопки и пульт управления

- Вход или регистрация для ответа
 al2012 или включай с пульта или поставь нормальную кнопку с включением повер-третья контактная группа. Память ни шить ни инить не надо. вот твоя плата http://monitor.espec.ws/section1/topic150491.html
Chassis TV518
- Вход или регистрация для ответа
 тв включается на экране только "шумы" и все ,каналы не переключает громкость не регулирует, первоначально появляется osd в виде 4 канкла и через 4 сек изчезает вообщем мертвяк,надеюсь правильно изьяснился вот твоя плата
поверь, прежде чем писать, я не только еспек "прошерстил" и rc5 и монитор ....
- Вход или регистрация для ответа
 al2012 КРЕН 9 вольт замерь на входе и выходе напряжение. Второе проверь лит по второму питанию с ТПИ первое 105 вольт. можешь включать смело без памяти для проверки. проверь генерацию кварца на проце.
- Вход или регистрация для ответа
 Не надо этого.
"Норма" это в вольтах сколько? И про пульсы заодно... А про "резет" особенно.
Будем ремонтировать или пусть работает?
"Человеку нельзя помочь помимо его воли." Г. Померанц
- Вход или регистрация для ответа
 nnn по питанию проца в Орионах обычно КРЕН 6 вольт!
- Вход или регистрация для ответа
 генерацию проверял это в первую очередь, вот только не определюсь на какой ноге ресет у проца этого
это с540 по схеме?
ее я даже пропаивал, ща точно не помню напруги на ней, но если бы были различны я бы придрался теперь это только завтра, но не пойму с какого
боку напруга кренки влияет на работу проца......
это радует, хотя бы еще один вариант отпадет....
- Вход или регистрация для ответа
 al2012 резет на этом проце нет. А при очень низком напряжении питания проц не будет толком работать. кстати меняется без переделок на OEC1021A
- Вход или регистрация для ответа
 нечем заменить пока
но по моей схеме питание на проце 5 вольт vdd 14pin OTAKE 1402мк9....клон
- Вход или регистрация для ответа
 попробую Страницы из Otake TV1402MK9.JPG
Прикрепленные файлы:
- Вход или регистрация для ответа
 схема Otake 1402мк9 .rar
Прикрепленные файлы:
Страницы