Orion Color 518DK не реагирует на кнопки и пульт управления

19 posts / 0 новых
Последнее сообщение
al2012 аватар
Не в сети
Регистрация: 02/09/10
Сообщения: 27
 
Re: Orion Color 518DK не реагирует на кнопки и пульт управле

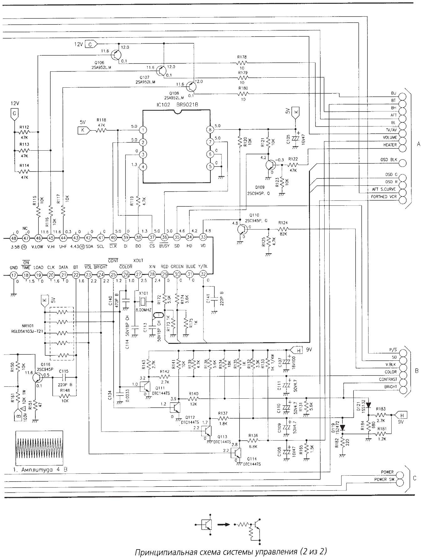
второй Страницы из Otake TV1402MK9.jpg

Прикрепленные файлы: 

tvs
tvs аватар
Не в сети
Регистрация: 03/01/06
Сообщения: 2981
 
Re: Orion Color 518DK не реагирует на кнопки и пульт управле
al2012 аватар
Не в сети
Регистрация: 02/09/10
Сообщения: 27
 
Re: Orion Color 518DK не реагирует на кнопки и пульт управле

кондеры поменял, на кренке вход12,1в вых 8,8в включал без памяти, яркость свечения кина резко падала, вплоть до потемнения экрана, что смущает ,так это напруги на проце на 59 pin 3,6в по схеме 0в, на 57ноге 0в по схеме 5в,из за этого на Q118коллектора положительное напряжение 4,1в

al2012 аватар
Не в сети
Регистрация: 02/09/10
Сообщения: 27
 
Re: Orion Color 518DK не реагирует на кнопки и пульт управле

импульс включения Power появляется на 8 ноге сразу же после втыкания вилки

tvs
tvs аватар
Не в сети
Регистрация: 03/01/06
Сообщения: 2981
 
Re: Orion Color 518DK не реагирует на кнопки и пульт управле

команда повер при включении не должна появляться. ДР. Включается или с пульта в РР или сетевым выключателем с тремя контактными группами (две сеть, третья -повер)
контактная группа повер при включении замыкается когда выключатель утоплен полностью, но когда ты отпускаешь палец с кнопки, то шток выключателя немного отодвигается назад и контакты повер снова размыкаются. Так включается проц в РР. Светодиод тухнет. Если же просто из розетки выключить и включить обратно то проц должен быть в ДР и светодиод гореть.

Минздрав аватар
Не в сети
Наблюдатель
Регистрация: 10/05/10
Сообщения: 9781
 
Re: Orion Color 518DK не реагирует на кнопки и пульт управле
"al2012" писал(а):

напутал читать на 59 3,6 вместо 0в а на 57 0вольт вместо 5 по схеме

al2012, не спеши, а то угробишь его вместо ремонта.

"al2012" писал(а):

импульс включения Power появляется на 8 ноге сразу же после втыкания вилки

[quote="al2012"]закорочена кнопка включения с передней панели телевизора, тв запустился минуя дежурный режим,[/quote

Будем ремонтировать или пусть работает?
"Человеку нельзя помочь помимо его воли." Г. Померанц

al2012 аватар
Не в сети
Регистрация: 02/09/10
Сообщения: 27
 
Re: Orion Color 518DK не реагирует на кнопки и пульт управле

,действительно кнопка контактами Power не отрабатывает кратковременное замыкание, придется искать кнопку,завтра на радиорынок еду

al2012 аватар
Не в сети
Регистрация: 02/09/10
Сообщения: 27
 
Re: Orion Color 518DK не реагирует на кнопки и пульт управле

хлопцы! спасибо Вам за подсказку,действительно после замены кнопки тв заработал, не пойму только зачем выкидывали то,показывает очень даже ничего,тему можно считать решенной

Страницы

Темы без ответов: