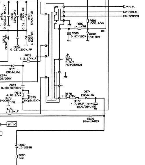
А вот цепь отл ,смотри,эр 680,Д 680,с680 и дальше пошло в сторону видеопроцессора.Скорей всего она не работает
Каждому-свое.
Извиняюсь за долгое молчание - промблема с интернетом. Со снятым ТХТ модулем телевизор заработал. Нашлась и причина - стабилизатор 5в (IC965 AN78L05) выдавал 2,3в, пришлось заменить и кадровую микросхему. Спасибо всем, тема закрыта.
- Вход или регистрация для ответа
 А вот цепь отл ,смотри,эр 680,Д 680,с680 и дальше пошло в сторону видеопроцессора.Скорей всего она не работает
Прикрепленные файлы:
Каждому-свое.
- Вход или регистрация для ответа
 Извиняюсь за долгое молчание - промблема с интернетом. Со снятым ТХТ модулем телевизор заработал. Нашлась и причина - стабилизатор 5в (IC965 AN78L05) выдавал 2,3в, пришлось заменить и кадровую микросхему. Спасибо всем, тема закрыта.
Страницы