Я телевизор внутри ни разу не видел
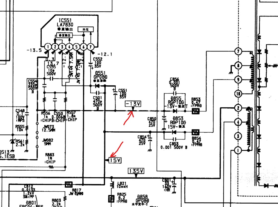
Неисправность довольно распространённая. Должна же быть какая-то технология поиска? а не просто ползать с лупой в поисках трещин? И замерять напряжения проще, если концы не иероглифами обозначены.
Тем не менее, спасибо. Будем искать.
Ну, сам найди, что устраивает, тут или в гугеле, поиск тут есть. шасси BG-1S
ЗЫ. "Обратная связь", это техн. инфа, замеры, действия и тд...
Для этого никакой разницы, что и как там написано.
Будем ремонтировать или пусть работает?
"Человеку нельзя помочь помимо его воли." Г. Померанц
- Вход или регистрация для ответа
 А зачем? Там ничего не пишут о неисправности...
Советы даны - пропайка, замеры, что ещё нужно?
Требуется только обратная связь.
Будем ремонтировать или пусть работает?
"Человеку нельзя помочь помимо его воли." Г. Померанц
- Вход или регистрация для ответа
 Я телевизор внутри ни разу не видел
Неисправность довольно распространённая. Должна же быть какая-то технология поиска? а не просто ползать с лупой в поисках трещин? И замерять напряжения проще, если концы не иероглифами обозначены.
Тем не менее, спасибо. Будем искать.
- Вход или регистрация для ответа
 шасси BG-1S
ЗЫ. "Обратная связь", это техн. инфа, замеры, действия и тд...
Для этого никакой разницы, что и как там написано.
Будем ремонтировать или пусть работает?
"Человеку нельзя помочь помимо его воли." Г. Померанц
- Вход или регистрация для ответа
 Это на каком конце у тебя иероглифы.
Питание кадровой померить тоже не сумеешь.
При снятой крышке может ебатокнуть, тебе это надо.
Прикрепленные файлы:
Страницы