Есть монитор Philips 107P50. при включении светодиод светит, но изображения на экране нет и в районе ТДКС слышен треск. Видимо он отработал своё.
Сам ТДКС - Sampo FM1077 FPH0240. нигде не могу найти информацию по нему. Есть Sampo FM1077 FPH0213.
Взаимозаменяемы ли они и какой аналог для FPH0240, если нет?
17/07/2022 - 16:12
- Вход или регистрация для ответа
Philips 107P50 взаимозаменяемость ТДКС-ов и аналоги

- Вход или регистрация для ответа
 У меня подозрение на дырявый ВВ провод, а там хз...
В общем, пока не посмотришь и не измеришь, что с него идёт, не стоит искать новый.
Будем ремонтировать или пусть работает?
"Человеку нельзя помочь помимо его воли." Г. Померанц
- Вход или регистрация для ответа
 Запаял обратно ТДКС. Попробовал включить. При включении начинает трещать в районе ТДКС. Как только появится напряжение на базе строчного транзистора, так сразу трещит. Через пару секунд напряжение на базе исчезает и перестаёт трещать. По ходу уходит в защиту. При этом во время треска просаживается напряжение на БП. Через минуту такой работы сильно греется транзистор БП.
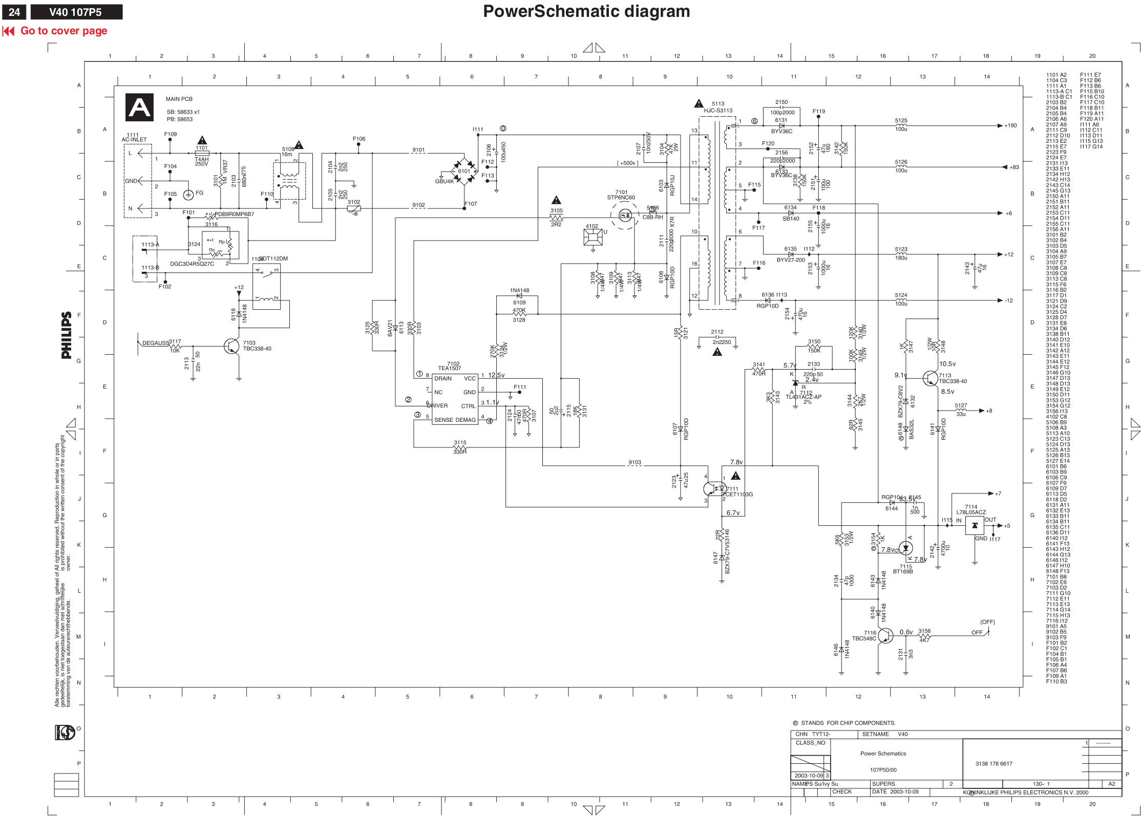
Замерял напряжения блока питания. Всю схему приложил в первом сообщении. В скобках указаны напряжения при просадке во время треска.
5125 - 190В (146В)
5126 - 80В (62В)
6134 - 5В
5123 - 10,1В (9,2В)
5124 - -10,6В (-9,2В)
5127 - 8В
2142 - 7,6В
Ещё показались странными напряжения на транзисторе 2142, не совсем по схеме:
К - 8,73В
Б - 8,9В
Э - 8,2В
Прикрепленные файлы:
- Вход или регистрация для ответа
 "В районе ТДКС" слишком расплывчато, выключи свет, включи монитор и попробуй заметить, где искра бьёт.
Будем ремонтировать или пусть работает?
"Человеку нельзя помочь помимо его воли." Г. Померанц
- Вход или регистрация для ответа
 нигде не увидел. только треск внутри ТДКС. может защита не даёт ему "выпустить серый дымок"...
а вот накал светится. видимо он от другого источника идёт.
- Вход или регистрация для ответа
 "Видимо" как-то мутно, схему найди, надо точно знать.
Будем ремонтировать или пусть работает?
"Человеку нельзя помочь помимо его воли." Г. Померанц
- Вход или регистрация для ответа
 Нашёл только ту схему, что в первом посте. Чёт нигде не нашел, откуда накал запитан...
- Вход или регистрация для ответа
 С ТДКС накала нет, похоже, значит с БП. Но это неточно...
Будем ремонтировать или пусть работает?
"Человеку нельзя помочь помимо его воли." Г. Померанц