щасси l01.2a_ab
изначально спустя 5-30 мин работы вырубался
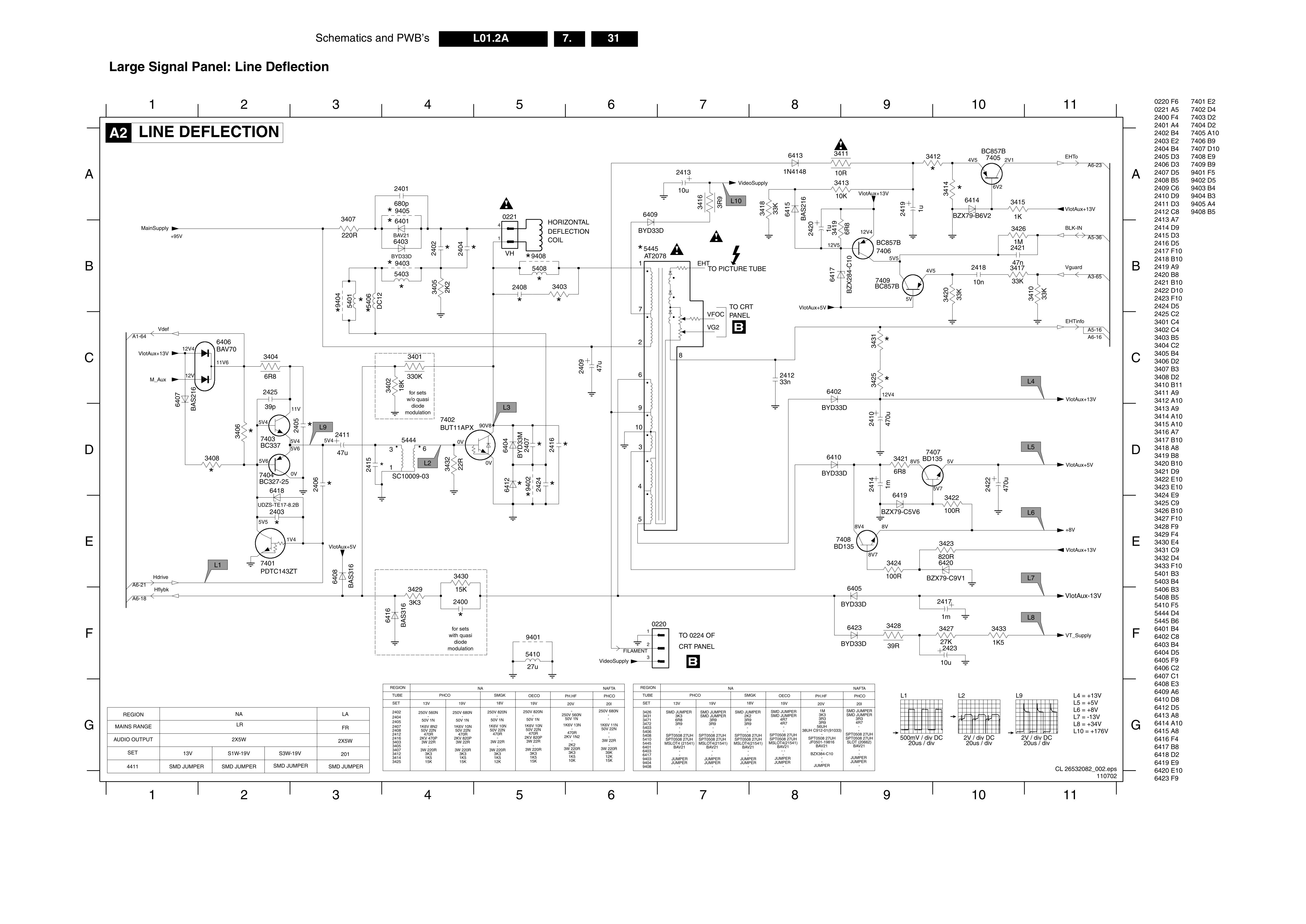
диагностика показала что греется строчный транзистор... замеры показали заниженные его параметры на около 40% от даташита = стоял MD1803DFP за неимением заменил на MD1803DFX
нагрев остался
измерения осцилографом показали что на фото верхняя строка должно быть... нижняя что у меня... транзисторы целые кондеры эл литы емкость в пределах 4% от номинала ESR в норме
куда еще копать? от чего так изменилась осциллограмма??
27/06/2019 - 16:07
- Вход или регистрация для ответа
philips 21PT5121/60

- Вход или регистрация для ответа
 Рой буфер! Пробни в нем сменить ёмкости и стаб..
Надо выровнять L9.
Особое внимание питанию L4
В демпфере замени верхнюю емкость без проверки.
ЧЕЛОВЕК-звучит гордо,выглядит отвратительно!
- Вход или регистрация для ответа
 Бред какой то... Ты в напряжениях что нибудь дай.
Будем ремонтировать или пусть работает?
"Человеку нельзя помочь помимо его воли." Г. Померанц
- Вход или регистрация для ответа
 на фото схема 1) БП... 2) развертка
-"Это о чём, какие "параметры из даташита"?"
сопротивление база-эмиттер по даташиту 60 по факту 40... падения напряжения на старом ниже где то на 40% нежели у нового
напряжения (замеры относительно линии "земли" коллектор 7404... 2 фото D2)... на схеме (у меня замер)
6406
Анод 12.4 (13.2)
Анод 12 (12.6)
Катод11.6(14)
7404
База 5.6 (6.4)
Точка L9 - 5,4 (6,5)
точка L3 - 120 (повышенное Р6... ща пересмотрю)
------
страница 1
Р4 - 3,3
Р5 - 12,6
Р6 - 110
Прикрепленные файлы:
- Вход или регистрация для ответа
 по ходу где то туплю....
страница 1 Д8
6560 и 6561 целые
2561 кондер целый (на тестере емкость ЕСР в норме... заменить такого же ща нету...)
Vdef до оптопары доходит... на оптопаре вместо 16.4 висит 18 с другой стороны 10.2 / 9.2
- Вход или регистрация для ответа
 Cmwih, только учти, что потом ТВ на свалку или мастеру платить больше, потому что ему нужно будет восстанавливать перепаханную строчную развёртку. Не из-за транзистора он вырубается, особенно так хаотично, с разными интервалами, так что ищи
Гадания и предсказания решений по бобам, желудям, дыму, кофейной гуще...
Продажа товаров для ремонта LED подсветки, инструменты, материалы, радиодетали