Ребята помогите запустить микроволновку ,вкл.идет сигнал ,вкл часы ,нажимаешь часы меняются нули то 3 то 4 нуля ,больше ничего нет ,нажимаю кнопки но безрезультатно , наверно плата управления ,но схемы нет , поэтому делаю методом втыка ,надеюсь на вас ,все проверил ,конечники , работают , но не срабатывает реле на плате управления ,а на транс идет с него
12/01/2019 - 00:40

- Вход или регистрация для ответа
 Сдай в ремонт спецам, пока не убило...
Будем ремонтировать или пусть работает?
"Человеку нельзя помочь помимо его воли." Г. Померанц
- Вход или регистрация для ответа
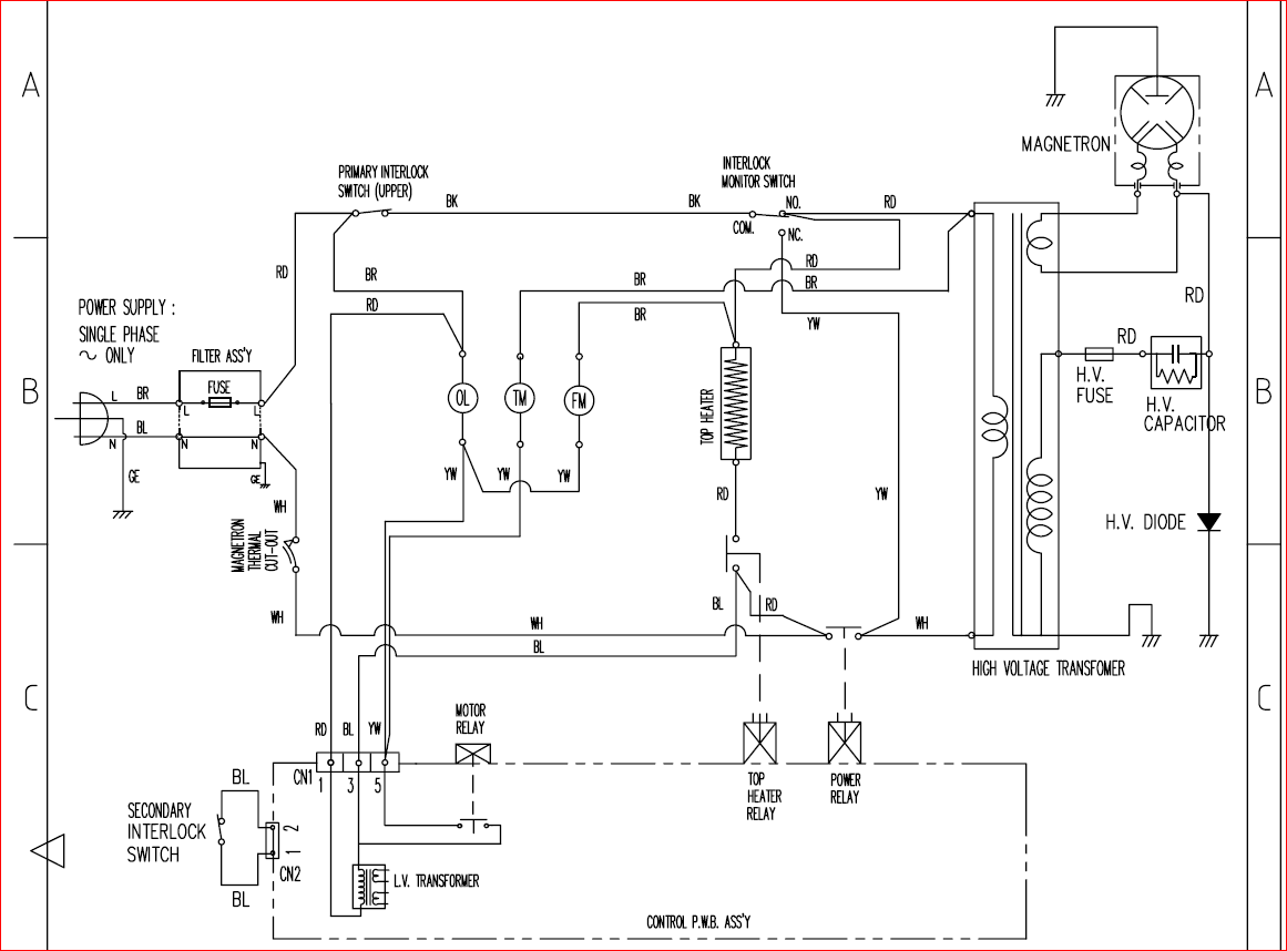
 Что нашлось...Хоть что то для вникания...Судя по маркировке содрали у Samsung.Может есть смысл поискать под другим логотипом?
Прикрепленные файлы:
- Вход или регистрация для ответа
 Эта схема с service manual что давал Rolsen под эту модель. Но она не поможет, на плату управления схем ни когда не было.
Прикрепленные файлы:
- Вход или регистрация для ответа
 легче всего посоветовать куда то сдать ,а помочь найти неисправность ,это искусство ,схемы не подошли , конечно спасибо ,может еще пищите ,я то же перелопатил но увы не нашел
Поставил STR 6708 со старого телевизора ,б.п запустился но вторичное напряжение вместо 113 в ,появилось 22 в и больше ничего , емкости нормальные пока не менял ,думаю с вами посоветоваться
- Вход или регистрация для ответа
 Самая популярная неисправность управления: утечка кнопок, периодические замыкания кнопок и замыкания кнопок в мембранной клавиатуре.
- Вход или регистрация для ответа
 Ребята а можно проверить работу микроволновки ПРИНУДИТЕЛЬНО что бы выявить неисправность , главное высвечиваются 00-0 , работает кнопка часы , кнопка макароны , а вот остальные не работают
Поставил STR 6708 со старого телевизора ,б.п запустился но вторичное напряжение вместо 113 в ,появилось 22 в и больше ничего , емкости нормальные пока не менял ,думаю с вами посоветоваться
- Вход или регистрация для ответа
 Да выявил плата управления ,там дорожки из графита и они стерлись ,может поможете достать панель управления ,а как их ремонтировать ,я не знаю ,наверно не подлежит ремонту
Поставил STR 6708 со старого телевизора ,б.п запустился но вторичное напряжение вместо 113 в ,появилось 22 в и больше ничего , емкости нормальные пока не менял ,думаю с вами посоветоваться
- Вход или регистрация для ответа
 А фото проблемного участка ?
- Вход или регистрация для ответа
 клей продаётся токопроводящий.либо кнопки установить(но это посложнее)
- Вход или регистрация для ответа
 А как клеем ,и название его ,а может подскажите где продаются зап части на на такие микроволновки
Поставил STR 6708 со старого телевизора ,б.п запустился но вторичное напряжение вместо 113 в ,появилось 22 в и больше ничего , емкости нормальные пока не менял ,думаю с вами посоветоваться
Страницы