такая тема в этом телевизоре есть цепочка ABL там стоит цепочка из конденсатора и 2 сопротивлений так вот эта цепочка погорела я поставил новую и она опять сгорела не пойму что ей мешает работать проверил к.з нет
09/11/2017 - 21:25
такая тема в этом телевизоре есть цепочка ABL там стоит цепочка из конденсатора и 2 сопротивлений так вот эта цепочка погорела я поставил новую и она опять сгорела не пойму что ей мешает работать проверил к.з нет
- Вход или регистрация для ответа
 Это плохо.
А это хорошо.
Александр766, если ты будешь так давать инфу, то будешь получать примерно такие ответы.
Правила почитай, что там нужно выдавать, если хочешь подсказок.
Будем ремонтировать или пусть работает?
"Человеку нельзя помочь помимо его воли." Г. Померанц
- Вход или регистрация для ответа
 Не исправен ТДКС.
Могу ошибаться, но почти уверен! Попробуй включать не подключая присоску.
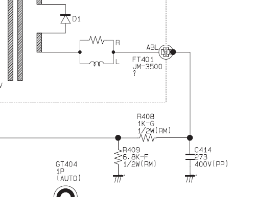
#153 S16B Горит R408 R409
Прикрепленные файлы:
- Вход или регистрация для ответа
 Понял свою ошибку буду писать подробнее я проверял не поключая присоску каким TDKC можно заменить т.к его родных я не могу найти и можно ли что то придумать
Поставил STR 6708 со старого телевизора ,б.п запустился но вторичное напряжение вместо 113 в ,появилось 22 в и больше ничего , емкости нормальные пока не менял ,думаю с вами посоветоваться
- Вход или регистрация для ответа
 Будем ремонтировать или пусть работает?
"Человеку нельзя помочь помимо его воли." Г. Померанц
- Вход или регистрация для ответа
 я проверял в холостом режиме подключил отклоняющюю подключил лампочку 60 вт в строчную вкл и цепочка сгорела вот и все посоветуйте каким трансформатором TDKS можно заменить
Поставил STR 6708 со старого телевизора ,б.п запустился но вторичное напряжение вместо 113 в ,появилось 22 в и больше ничего , емкости нормальные пока не менял ,думаю с вами посоветоваться
- Вход или регистрация для ответа
 А так?????
http://monitor.net.ru/forum/ftb-info-141529.html
ЧЕЛОВЕК-звучит гордо,выглядит отвратительно!
- Вход или регистрация для ответа
 подскажите аналог TDKC что бы заменить этот трансформатор не пойму вы что меня бросили на произвол судьбы что то резко не вижу вашего ответа я не грубил вел достойно или мой вопрос очень сложный
Поставил STR 6708 со старого телевизора ,б.п запустился но вторичное напряжение вместо 113 в ,появилось 22 в и больше ничего , емкости нормальные пока не менял ,думаю с вами посоветоваться
- Вход или регистрация для ответа
 Александр766, ты не читаешь, только спрашиваешь?
Тебе дали матерьял, там и ковыряйся, моск включай, никто за тебя это делать не будет.
Будем ремонтировать или пусть работает?
"Человеку нельзя помочь помимо его воли." Г. Померанц
- Вход или регистрация для ответа
 Я мозг включил но что ковырять ты говоришь что вкл. без присоски что я и сделал но цепочка горит ты говоришь меняй TDKS ну хорошо я пробовал его найти но не мог помогите найти аналог этого TDKS и все будет хорошо
Поставил STR 6708 со старого телевизора ,б.п запустился но вторичное напряжение вместо 113 в ,появилось 22 в и больше ничего , емкости нормальные пока не менял ,думаю с вами посоветоваться
- Вход или регистрация для ответа
 Ты чо опух? Я скинул ссыль,там инфы за гланды,если не устраивает забей сам в поиск "Аналоги ТДКСов" и имей полное щастье.

ЧЕЛОВЕК-звучит гордо,выглядит отвратительно!
Страницы