БП 715G3816-Р01-Н20-002U
MAIN 715G3656-M1A-000-005B
Всем Привет!
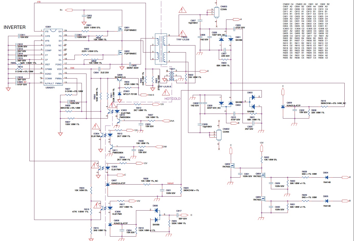
Проблема в инверторе собраном на UВА2071АТ в блоке питания. Подцветка включается когда ей "выгодно". Измерения невозможны т.к срабатывает защита при включении.
В рабочем режиме все номиналы в норме!? Менять ИС пока нехочу. Есть ли другие варианты? Схема в файле.

- Вход или регистрация для ответа
 Может в сёже, нет подсветки.
Свет и цвет совершенно разные слова.
Или всё же у тебя цвета нет?
- Вход или регистрация для ответа
 добей его
- Вход или регистрация для ответа
 Замена С824 на 15N +20К непомогла. 5,3В всегда присутствует, на IFB измеряется короткий импульс "мусор", должен быть синус 4В (40kHz). Подозреваю трафик Т803?
добей его
- Вход или регистрация для ответа
 - Вход или регистрация для ответа
 И чо в это время с напряжением на силовых?Косвенно указывает на емкости или непропай.
Так не бывает
Не настаиваем,тем более результат нужен не нам.Согласиська!!!
ЧЕЛОВЕК-звучит гордо,выглядит отвратительно!
- Вход или регистрация для ответа
 Поменял UВА2071АТ всё работает. Тему закрываю.
добей его
- Вход или регистрация для ответа
 +В 389В в ждущем режиме 320В.
добей его