Senior malfunction worth pursuing Thank you very much
"محمد حشيش" писал(а): Senior malfunction worth pursuing
Senior malfunction worth pursuing
Есстесственно!! Как будет инфа так и продолжим.Я уже говорил шо меня больше интересует вопрос по Toshiba херВольт.
"محمد حشيش" писал(а): Thank you very much
Thank you very much
Не за что!!!
ЧЕЛОВЕК-звучит гордо,выглядит отвратительно!
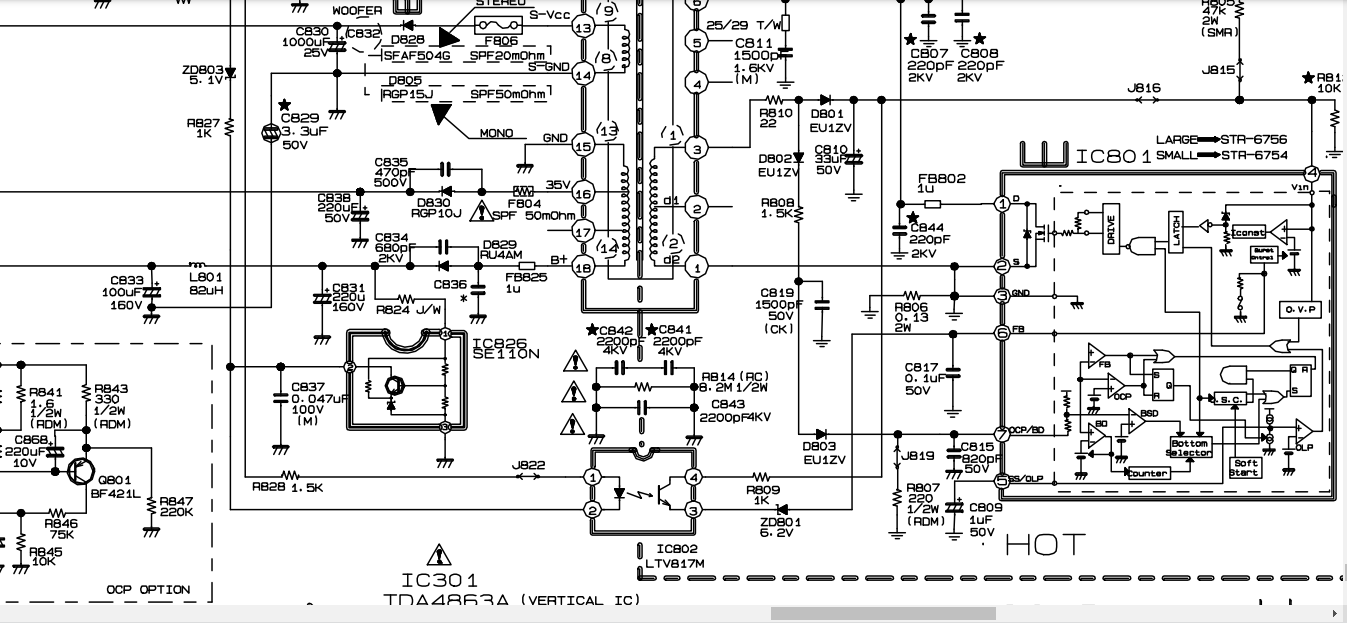
ножка 4 стр завышено 26в и на выходе не 110 а 165в горят транзистор строчной .все перекопал что может быть обязка стр . ?
- Вход или регистрация для ответа
 Senior malfunction worth pursuing
Thank you very much
- Вход или регистрация для ответа
 Есстесственно!! Как будет инфа так и продолжим.Я уже говорил шо меня больше интересует вопрос по Toshiba херВольт.
Не за что!!!
ЧЕЛОВЕК-звучит гордо,выглядит отвратительно!
- Вход или регистрация для ответа
 ножка 4 стр завышено 26в и на выходе не 110 а 165в горят транзистор строчной .все перекопал что может быть обязка стр . ?
Прикрепленные файлы:
Страницы