А почему бы и не" похимичить" ?
Целыми днями идут рассказы про экстрасенсов по ТНТ,довольно интересно.Я тоже решил "похимичить"(по своим возможностям) :-)
У же 2 года валялся старый БП от компа АТХ на ТЛ 494.Починил его,обнаружив посиневший от перегрева трехлапый прибор,преобразующий 5 вольт в 3,3,на большом родиаторе.Выпаиваю лишние диоды шотки,оставляю 12 вольтовую цепь.Выпаиваю резистор 16 ком в цепи контроля,вместо него -переменный на 47 ком.На оставшиеся шоттки ставлю большой родиатор.Достаю из ящика ненужный китайский маленький мультиметр,колдую,покупаю крокодилы.И вот-прекрасное зарядное устройство для автомоб акку-ра,в корпусе,с вентилятором,с вольтметром,малогабаритное,легкое, стабилизированное напряжение регулируется от 0 до 16 вольт,ток до 10 ампер,затем срабатывает защита по току,напряжению и от переполюсовки!И все это-благодаря китайцам,за ,примерно,300 рублей(или вообще бесплатно),тогда как в магазине ЗУ стоит около 1500 рубл.Можно,есс-но использовать в качестве БП для питания(проверки)автомагнитол,и др устройств и конструкций :ti_pa: :
(посленовогоднее безделье).
08/01/2012 - 20:41
- Вход или регистрация для ответа
А почему бы и не "похимичить?"

- Вход или регистрация для ответа
 Вот самое простое ЗУ для аккамулятора. И че там голову ломать.
Только транс намотать.
Прикрепленные файлы:
Источник нашей мудрости — наш опыт. Источник нашего опыта — наша глупость.
- Вход или регистрация для ответа
 ТИБЕТ, при заряде аккумулятора желательно выставлять оптимальный ток, для данного аккумулятора, если не желаешь укоротить его жизнь.
И второе - аккумулятор вещь коварная, обеспечит ли 7912 эффективную защиту или вовсе нет?
Страждущего можно накормить рыбой, а можно дать удочку... продаст, колбаски купит!
- Вход или регистрация для ответа
 Дубровский Эту схему можно и доработать. Конечно нужно ток выставлять, я это понимаю.
Источник нашей мудрости — наш опыт. Источник нашего опыта — наша глупость.
- Вход или регистрация для ответа
 Вот zews её и доработал... дополнительным импульсником! :-)
Страждущего можно накормить рыбой, а можно дать удочку... продаст, колбаски купит!
- Вход или регистрация для ответа
 Буквально сегодня был в хозяйственном маркете... или шопе... :nez-nayu: Гимм..портные слова повсеместно внедрили в нашу жизнь, только кому та путаница нужна...
Случаем увидел зарядку вполне в приличном прочном корпусе, с регулировками, с красивой стрелочкой, с вполне толковыми проводами и кроко. Тридцать гаксов, аднака. И это куда дешевле нормального аккумулятора.
zews, ты, безусловно, молодец и работать оно будет. Но и Дубровский, безусловно, прав! Аккумуляторы однозначно не любят замерзаний и нарушений условий эксплуатации, в том числе, к разной силе тока, пытающейся прошмыгнуть сквозь пластины. Может трое суток заряжаться, или подогреть чаю. :-)
Так если подумать, то на мелочах нет смысла экономить, а на большом экономить - может не хватить прав. :-)
И шо поделать?
- Вход или регистрация для ответа
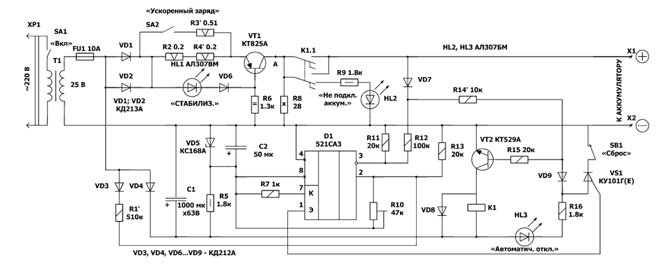
 Вот тут еще зарядники.
Прикрепленные файлы:
Источник нашей мудрости — наш опыт. Источник нашего опыта — наша глупость.
- Вход или регистрация для ответа
 А это что есть таке... обмотка звонка переменного тока? Или я что-то недоперепонял... :nez-nayu:
Прикрепленные файлы:
Страждущего можно накормить рыбой, а можно дать удочку... продаст, колбаски купит!
- Вход или регистрация для ответа
 Я не знаю сам, это не мои схемы. :ne_vi_del:
Источник нашей мудрости — наш опыт. Источник нашего опыта — наша глупость.
- Вход или регистрация для ответа
 При отключении ЗУ от сети ,реле размыкает контакты К1-К2,тем самым отключает аккум.Предотвращает разряд аккума через ЗУ.
- Вход или регистрация для ответа
 alexander3311 Понятно, дык рэлюху там и подругому расключить можно и вообще отключение от аккамулятора после зарядки можно и без реле сварганить, там схемка не сложная. Теристор+ транзистор и кантрольные свето диоды, по принципу мобильной зарядки там в самом аккамуляторе такой канироллер стоит у них.
Источник нашей мудрости — наш опыт. Источник нашего опыта — наша глупость.
Страницы