Скачал схему .вообще расположение сопроивлений не подходить.r611 отсутсвует.+идет на3ногу сразу с моста через резистор 800ком короче нужна схема .апроблема в дежурке 60в.не вкл.память отпаял.Q640 принудительно откр.коротим Rb" напряжение увеличивается на вольт 10-15
21/12/2010 - 03:52

- Вход или регистрация для ответа
 Серёга, зачем так хаотично и не в том разделе ? Начнём с питания, что в дежурном, что в рабочем ?
- Вход или регистрация для ответа
 Шасси 5800-А3Р511-03
TDA9381PS/N3/3
Выдрана микросхема блока питания, что там стояло до этого?
Оптрон есть и регулятор +В на месте.НЕ МОГУ ПОДХОДЯЩУЮ СХЕМУ НАЙТИ .ШАССИ ОДИНАКОВОЕ.А КАК МНОГО ОТЛИЧИЙ СХЕМ БЛОКА ПИТАНИЯ. нужно разные варианты на это шасси.в дежурном 60 вольт.640 транзистор корочу э и к
увеличивается напруга на 20 вольт.память временно снял
- Вход или регистрация для ответа
 Очень надеюсь, что ты не клоуном сюда зашел. Как с выдранной микросхемой в питании оно вообще работает? Ещё и на одинаковом шасси.
Так какую же туда поставил?
А у тебя перед глазами разные варианты или перестанешь дурачиться и укажешь состав телевизора.
- Вход или регистрация для ответа
 вместе микросхемы, отсутсвующей поставил-CQ 0765RT.
СОСТАВ-Main - 5800-A3P511-03
UOC - TDA9381PS/N3/3/
EEPROM - FM24C08A
SMPS - CQ0765RT -?
TR Chopper - BCK-40-LF01XY
SAW - N2977B
Tuner - EWT-5F3T1-E06W
Sound - TFA9842AJ
VA - STV9302A
Tube - A34AGT13X92 (CHUNGHWA) + XY14006
RGB Amp. - BF420 + BF421 + 2SC4544
FBT - BSC25-N1647 / BSC25-N1631
HOT - 2SD5023
- Вход или регистрация для ответа
 СЕРЕГА, теперь понятно, что копи/паст умеешь делать. И микросхема уже не выдрана... Тогда к чему писать чушь?
Что ищешь в телевизоре после грозы, которая вынесла с платы целую микросхему без следа? Проц с ПДУ стартует?
- Вход или регистрация для ответа
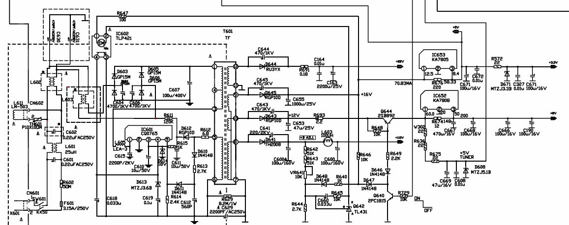
 СЕРЕГА, это посмотри. Вот1.png
Прикрепленные файлы:
- Вход или регистрация для ответа
 ВООБЩЕМ СХЕМА ПОЧТИ ПОДХОДИТЬ КРОМЕ ОБВЯЗКИ МИКРОСХЕМЫ.
- Вход или регистрация для ответа
 СЕРЕГА, не нада кричать, шрифт смени и потолковей пиши, это в твоих интересах. Что сделано, что измерено и пр...
Будем ремонтировать или пусть работает?
"Человеку нельзя помочь помимо его воли." Г. Померанц
- Вход или регистрация для ответа
 Снял память и пытаешься запустить телевизор?СЕРЕГА ,Или пытаешься настроить бп,чтоб он выдавал нужные напряжения?
Каждому-свое.
- Вход или регистрация для ответа
 Поди знай, что он там ещё снял, замкнул и не то поставил. Он же всё в тайне. Сам себе мастер.
Страницы