Ремонт ИП телевизора Hitachi шасси V3A, V3AR, V3AL имеет свои особенности. Иногда не очень просто локализовать дефект, в первичке ИП или во вторичке ИП или из-за срабатывания одной из защит. Но с другой стороны когда есть понимание как и на что работает каждая из защит, то локализовать несложно.
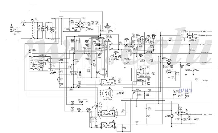
ип Hitachi_V3A .JPG
А) Не включается. Не загорается светодиод.
Проверить предохранитель F801, L904, R902, R902A. Если одна из деталей вышла из строя то проверить D901, D902, D903, D904, C906. А также I901.
1)Если микросхема целая, то тогда сработала цепь защиты от перенапряжения. Представляет собой цепочку, состоящую из тиристора Q933, анод которого подключен между резисторами R902 и R902A, и отслеживает входное напряжение, поступающее на сетевой выпрямитель. Причины: а) потеря емкости C940, подключенного к У-К Q933, вследствие чего тиристор получает ложную команду и он её отрабатывае. б) выход из строя самого тиристора.
2) Микросхема вышла из строя (пробой). При замене STRF желательно проверить цепь питания драйвера и его запуск. Чтобы исключить воздействие силовой части на сам ШИМ достаточно не запаивать 3 пин и можно при включенном напряжении проверять и ремонтировать ИП, не опасаясь за выход из строя других элементов.По результатам замеров напряжения питания на драйвере можно судить об исправности микросхемы.
Прибором замеряем на 4-ом пине микросхемы напряжение. Должно быть 12-15 вольт и изменятся в этих пределах скачкообразно. Если нет то проверяются D915, Q934, R917, R904, D906 и C906 (заменой). Если эти детали целые но напряжение очень маленькое на 4 пине или равно нулю, то микросхема неисправна.
После того как станет на 4 пине норма, впаивается 3 пин и производится дальнейший ремонт при необходимости.
Б) Телевизор включается в ДР, при переключении в РР.
1) Включается в РР и сразу же отключается и светодиод гаснет.
2) включается в РР но через несколько секунд переключается в ДР.
3) не переключается.
1) Это сработала триггерная защита по цепи питания микросхемы. Команда защиты поступает через оптопару I933 на тиристор Q934, который шунтирует цепь питания драйвера микросхемы и напряжение падает почти до нуля, при этом прекращает работать генератор ШИМ. Источником сигнала защиты служат напряжения во вторичке ИП, это пропадание одного из двух выходных напряжений по цепи D953, D958, D764, превышение напряжения одного из питаний- цепь D973 R972, или подачей сигнала от других цепей схемы Q746. После срабатывания этой защиты телевизор необходимо выключить, чтобы конденсатор по питанию разрядился полностью.
2)После включения через несколько секунд телевизор уходит в защиту.
а)Сильно нагревается стабилизатор I005 KIA7805. По причине большого потребления тока I004 ВА033Т. Заменить стабилизатор на 3,3 вольта.
б) Не сильно нагревается I005. Включить телевизор в режим Сервиса, в таком случае будут отключены аппаратные защиты и можно локализировать неисправную деталь или узел. Вход в сервис- на панели телевизора нажать кнопку TV/AV и удерживая её, включить сетевую кнопку.
3) Переключение ДР-РР происходит через оптопару I932. Соответственно, если не включается в РР, то или процессор на 1 пине не формирует команду РР (низкий уровень) или сама оптопара и (или) её цепи неисправны.
В) Наряжение в РР В+ ниже или выше нормы. R954 подрегулировать. Если не регулируется или недостаточно регулируется, то проверить в первую очередь заменой оптопару I902 и транзистор Q951ю HITACHI chassis_V3A_V3AR-.zip
