Прошу помощи у знатоков.Waltham WT821 перестал включаться.Дежурка в порядке,т.е. +5в есть.Заменил кварц на контроллере управления (осциллоскопом не было видно генерации 4Мгц). Генератор заработал но результата нет. Может кто что подскажет.Спасибо.
03/09/2010 - 14:58

- Вход или регистрация для ответа
 схема http://www.tvservice.org/node/283
Состав: - процессор SAA1293A-06, память MDA2062, ИП TDA4601, BU508A, PAL-Secam TDA4556, видео TDA3506, TEA2029CV, КР TEA8170, УНЧ TDA2006, УПЧИ TBA120U, коммутатор TDA5850, ТДКС DST286B243, HOT BU508D.
- Вход или регистрация для ответа
 vm53 начни с проца
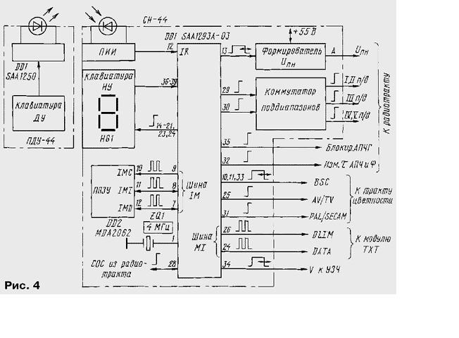
Микроконтроллер SAA1293 фирмы ITT в отличие от SAA1251 и КР1816ВЕ35 позволил создать однокристальную (если не считать микросхему памяти) систему управления телевизором. CCU содержит встроенный синтезатор напряжения предварительной настройки на 29-55 программ, а также средства НУ и ДУ переключением программ, регулировкой V, B, S, C, выбором стандарта цветного вещания и управлением модулем телетекста (ТХТ). Струк.
Известно шесть модификаций микропроцессора: SAA1293-02, SAA1293-03, SAA1293A-03, SAA1293A-06, SAA1293A-10, SAA1293A-20. У варианта SAA1293A-03 есть отечественные аналоги КР1084ВР93, КМ1506ВГ3, КР1506ВГ3, КР1853ВГ1, КР1863ВГ3. Аналог SAA1293A-10 - КР1863ВГ93. Основное различие модификаций состоит в том, что только в SAA1293А-20 обеспечивается функция OSD, а остальные выводят номер программы и некоторые другие данные на двухразрядный индикатор.
Во всех модификациях используются цифровые шины управления внешней памятью и модулем ТХТ. В SAA1293-02/03 - это шина MI, в SAA1293А-03/06 - шины MI и IМ, а в SAA1293A-10/20 - только шина IM. Шина MI была предназначена для управления модулем ТХТ, собранным на микросхемах фирмы PHILIPS. По шине IM обеспечивается связь с ППЗУ MDA2062 (КР1628РР2) емкостью 128 байт и модулем ТХТ на микросхемах фирмы ITT.
5 пин микросхемы-переключение ДР-РР.
1293.JPG
Прикрепленные файлы:
- Вход или регистрация для ответа
 У меня стоит SAA1293A-06. Я попробовал заменить его на КР1853ВГ1. Результата нет,если не считать,что индикатор гаснет при подаче команды с пульта на включение.Т.е. или они не вполне заменяемые или есть ещё какая-то бяка.
- Вход или регистрация для ответа
 vm53 замена корректа (читай мой пост выше!). Я не помню как индикатор реагирует на команду РР. Проверь на 5 пине.
- Вход или регистрация для ответа
 Пришлось поменять контроллер и ППЗУ, а также транзисторы дежурки. И пульт пришлось применить ПДУ-4. В таком виде ещё можно этим старичком попользоваться. Большое спасибо aze1959 за консультацию.