Состав: процессор SDA555X (SIM-806HMA6 02), память 24C08, DDP3310B F6, VPC3230D B3, SDA9401, KA3S1265A, КР LA7845, тюнер TSLS3101PD16A, УНЧ TDA7297, ПК TDA6111Q, ТДКС FUJ-34B001, HOT 2SC5446
SAMSUNG - унч.TDA7297 нет звука TV и от внешних источниках сигнала (SKART), по mute пин 6 уровни 0v - при звуке 5v, нa пин 7 по mute уровни 0v - при звуке 5v нормально меняются.Mодель TV: CW593CWG,шаси CW593CWG8XXEG, HA99100634.Заранее спасибо.
:men:

- Вход или регистрация для ответа
 шасси KS3A схема http://www.tvservice.org/node/379
- Вход или регистрация для ответа
 vale.valena, :men: , питание на этой микросхеме хоть есть? MSP в телевизоре есть? Сервис есть? Или только mute?
- Вход или регистрация для ответа
 Spasibo za ssilky. :men:
- Вход или регистрация для ответа
 vale.valena, за схемами в другой раздел. :men:
Будем ремонтировать или пусть работает?
"Человеку нельзя помочь помимо его воли." Г. Померанц
- Вход или регистрация для ответа
 Πодкиньте пож. инфу как работает в УНЧ ТДА7297 функция mute и как ее отключть.Спасибо заранее. :men:
- Вход или регистрация для ответа
 даташит TDA7297 mXuzutt.rar
Прикрепленные файлы:
- Вход или регистрация для ответа
 Спасибо нo: Πодкиньте пож. инфу как работает в УНЧ ТДА7297 функция mute и как ее отключть. :men:
- Вход или регистрация для ответа
 vale.valena в даташите пин mute обозначен. Просто отключи.
- Вход или регистрация для ответа
 Тебе даташита мало? Может приехать и отремонтировать? :pa_la_ch:
Гадания и предсказания решений по бобам, желудям, дыму, кофейной гуще...
Продажа товаров для ремонта LED подсветки, инструменты, материалы, радиодетали
- Вход или регистрация для ответа
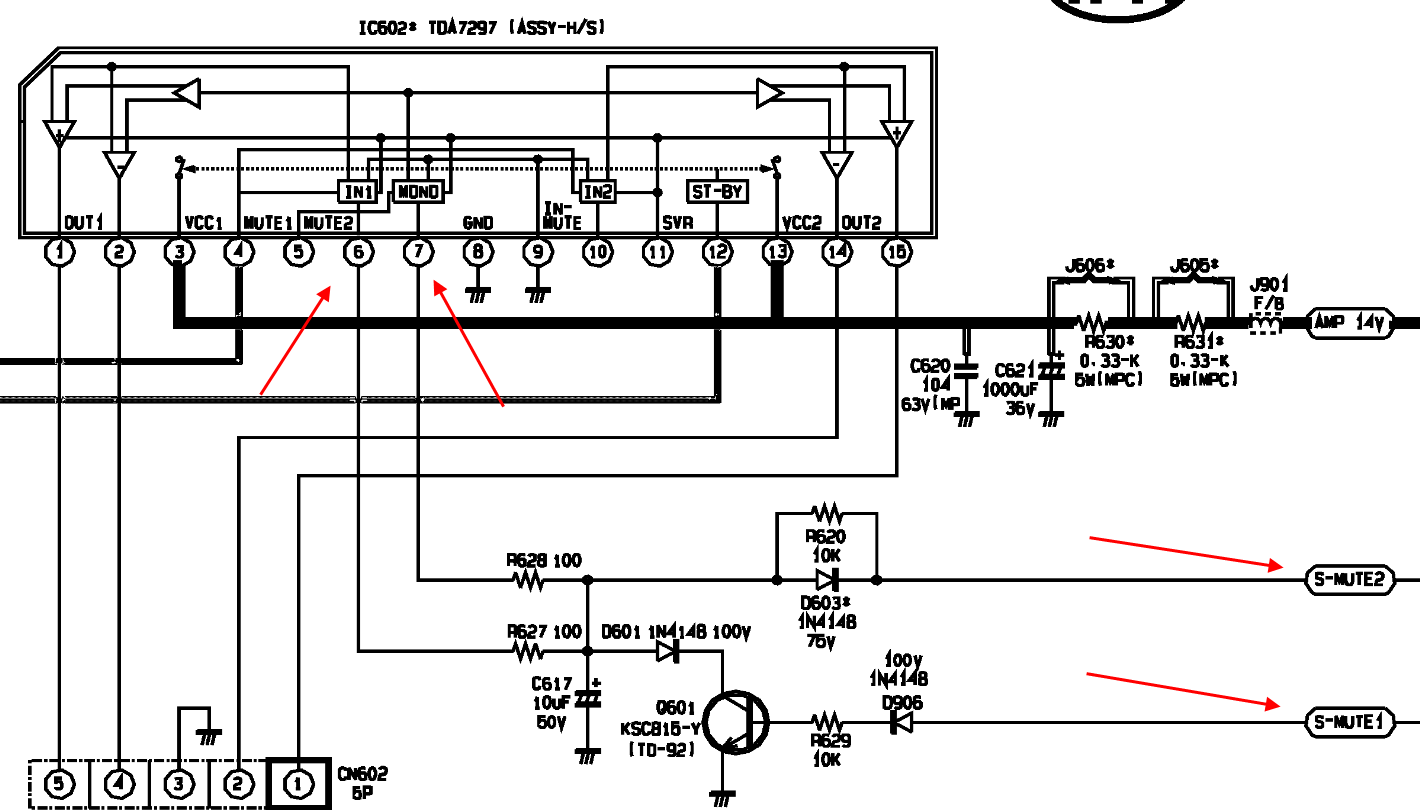
 vale.valena. там не только функция приглушения (6 вывод) там ещё функция отключения (7 вывод).
На картинке.
Всё же ты плохо читал написанное выше. Вот.png
Прикрепленные файлы:
Страницы