Паря, ты не читая ответов, пишешь? Разверток ДВЕ и конденсаторы отвечают каждый за своё дело, на то они туда поставлены. А по картинке - замени ВСЕ литы в КР, мерить их тебе, как я угадываю, нечем. Если отнесёшь потом на мусорку - считай сэкономил на мастере.
Будем ремонтировать или пусть работает?
"Человеку нельзя помочь помимо его воли." Г. Померанц
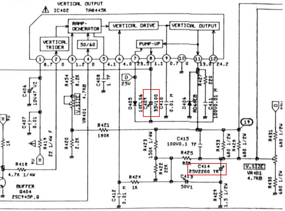
Ставлю на большой в 2200 мкф обычно там собака порылась,а вольтодобавка,тот шо 100х35 как за правило уносит с собой кадровую насмерть.
А исчо было бы здорево по питанию лит заменить,хотя и против вольтодобавки не возражаю.
Так, перепаял те 2 кондея что были на C409 и C414 - без антенны - фулл скрин, обрадовался...
Вставил антенну - опять ток 16:9 аля
попробовал режим монитора - tv\av - на весь экрана но белые полоски по центру, но надпись PAL VIDEO уже отображается нормально в углу самом.
Вставил антенну - снова как до пайки...
Бывает, позиции указанные на схеме не совпадают с реальными позициями.
Проверь, минус С409 действительно соединён с 8 ножкой микросхемы?
И конденсатор, который подключен к 1 ножке (С406) тоже желательно заменить.
(смотри, у конденсаторов полярность не путай)
( минус - с белой полоской, да и паяю я , ориентируясь по фотке как старые стояли также и припаиваю)
Вопрос ток, если я может если криво припаял - ну тогда ведь просто не включиться\картинки не будет?
так, а вот теперь нужна помощь - хотел отпаять С413, промахнулся и отпаял то что было на R425. Когда перевернул плату и стал смотреть , как по мне, там была просто перемычка, а сами ножки контактов я выпаял - ну естественно - тонким оловом в дырки контактов подпаял, а потом смотрю валяется возле платы:
- это могло быть элементом R425 или я это случайно с другого места обломил пока плату вертел?????
- Вход или регистрация для ответа
 Будем ремонтировать или пусть работает?
"Человеку нельзя помочь помимо его воли." Г. Померанц
- Вход или регистрация для ответа
 Попробуй заменить эти два.
Прикрепленные файлы:
- Вход или регистрация для ответа
 Ставлю на большой в 2200 мкф обычно там собака порылась,а вольтодобавка,тот шо 100х35 как за правило уносит с собой кадровую насмерть.
А исчо было бы здорево по питанию лит заменить,хотя и против вольтодобавки не возражаю.
ЧЕЛОВЕК-звучит гордо,выглядит отвратительно!
- Вход или регистрация для ответа
 t380998, ок, то есть мне нужны тольк C409 и C414 вот эти:

С413, который между ними - не трогаю?

- я правильно понял?
- Вход или регистрация для ответа
 Для начала 2200Х25в замени, возможно сразу в десятку попадёшь!
- Вход или регистрация для ответа
 - понял. Пасиб большое
- Вход или регистрация для ответа
 Так, перепаял те 2 кондея что были на C409 и C414 - без антенны - фулл скрин, обрадовался...
Вставил антенну - опять ток 16:9 аля

попробовал режим монитора - tv\av - на весь экрана но белые полоски по центру, но надпись PAL VIDEO уже отображается нормально в углу самом.

Вставил антенну - снова как до пайки...
- озадачился куда копать дальше
- Вход или регистрация для ответа
 Бывает, позиции указанные на схеме не совпадают с реальными позициями.
Проверь, минус С409 действительно соединён с 8 ножкой микросхемы?
И конденсатор, который подключен к 1 ножке (С406) тоже желательно заменить.
(смотри, у конденсаторов полярность не путай)
- Вход или регистрация для ответа
 t380998, ок, пасиб
( минус - с белой полоской, да и паяю я , ориентируясь по фотке как старые стояли также и припаиваю)
Вопрос ток, если я может если криво припаял - ну тогда ведь просто не включиться\картинки не будет?
- Вход или регистрация для ответа
 так, а вот теперь нужна помощь - хотел отпаять С413, промахнулся и отпаял то что было на R425. Когда перевернул плату и стал смотреть , как по мне, там была просто перемычка, а сами ножки контактов я выпаял - ну естественно - тонким оловом в дырки контактов подпаял, а потом смотрю валяется возле платы:

- это могло быть элементом R425 или я это случайно с другого места обломил пока плату вертел?????
Страницы