замена элемента.

9 posts / 0 новых
Последнее сообщение
хАхол аватар
Не в сети
Регистрация: 29/03/09
Сообщения: 5
 
замена элемента.

Есть телевизор Vitek 10"На схеме есть элемент ups547, обозначен как стабилитрон. но другие стаб имеют обозначения типа 3Vили др, а этот только так. поиск в гугле ничего не дал. что это - помогите.

admin аватар
Не в сети
Администратор
Регистрация: 19/09/08
Сообщения: 1715
 
Re: замена элемента.

Vitek 10" - это всё что Вы можете о модели сказать?

хАхол аватар
Не в сети
Регистрация: 29/03/09
Сообщения: 5
 
Re: замена элемента.

извините. VT-3011.
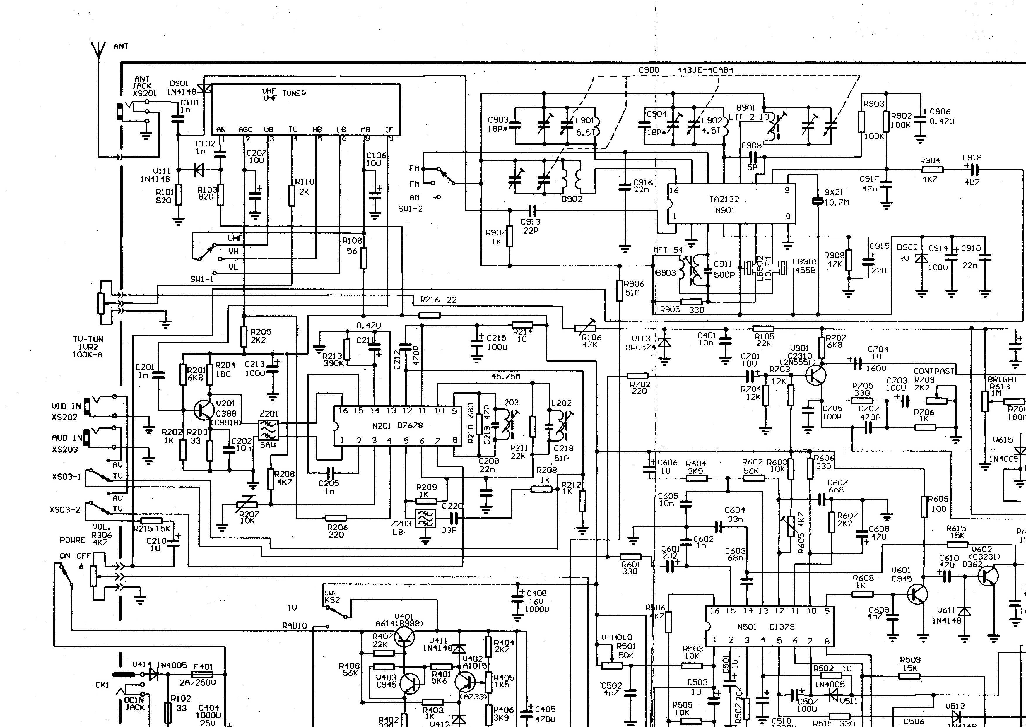
на схеме обозначен V113. 2009-03-29 19-04-30_0002.jpg

Прикрепленные файлы: 

admin аватар
Не в сети
Администратор
Регистрация: 19/09/08
Сообщения: 1715
 
Re: замена элемента.

UPC574 стабилитрон 33 вольта, напряжение настройки тюнера. На схеме видно, идет на переменник 1VR2 (TV-Tun).

хАхол аватар
Не в сети
Регистрация: 29/03/09
Сообщения: 5
 
Re: замена элемента.

дякую!

хАхол аватар
Не в сети
Регистрация: 29/03/09
Сообщения: 5
 
Re: замена элемента.

извините: продолжу. тот стабилитрон на практике оказался с именем W574. заменил на всякий пожарный, но результат =0. вот в чем дело: не стоят каналы на месте. постоянно подстраивать приходится - как АПЧ не работает.

admin аватар
Не в сети
Администратор
Регистрация: 19/09/08
Сообщения: 1715
 
Re: замена элемента.

C207 не пробовали менять?

хАхол аватар
Не в сети
Регистрация: 29/03/09
Сообщения: 5
 
Re: замена элемента.

дело в следующем: проверка деталей касающихся AGC не дала результатов в обнаружении неисправных. в добавок было замечено, что в диапазоне VL все работает устойчиво. с тещиного, дай ей Бог здоровья!!!, неисправного тел-ра был выковырян тюнер. проблема оказалась в нем. там на столько миниатюрные SMD запчасти, что пока ковырять не стал. вот такая неисправность.

admin аватар
Не в сети
Администратор
Регистрация: 19/09/08
Сообщения: 1715
 
Re: замена элемента.

Ну тогда все ясно. Тюнер простенький, примерно 6-7$ на радио-рынке стоит.

Темы без ответов: