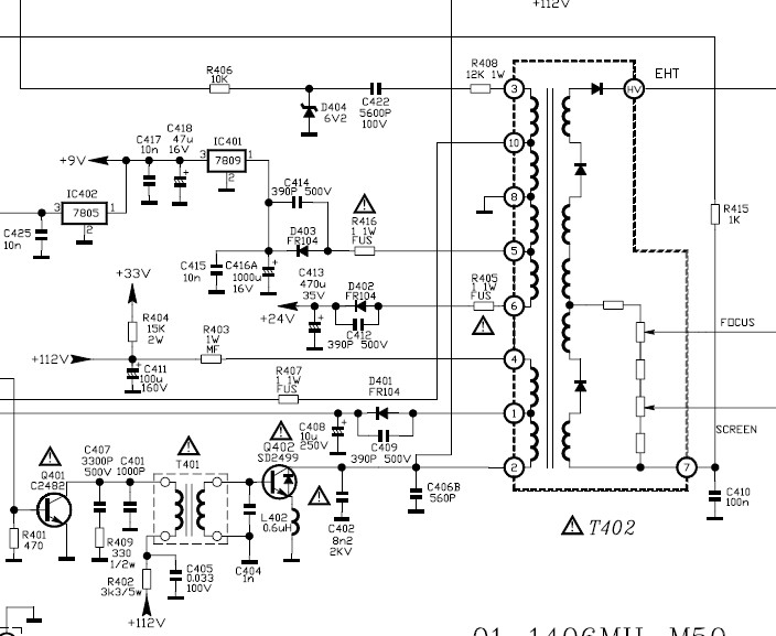
TV SHIVAKI STV-2112 Slim Нужна замена тдкс кто чем заменил ? тдкс BSC25-N1090D-R
1 нога +180 вольт катод
2 нога коллектор строчного транзистора
3 нога FBP-IN
4 нога +112 вольт
5 нога +12 вольт
6 нога +24 вольт кадр
7 нога ABCL
8 нога корпус
9 нога нет
10 нога накал
Или какой тдкс можно ставить место BSC25-N1090D-R ? Посоветуйте пожалуйста. :du_ma_et:
Заранее спасибо! 1.jpg
13/06/2010 - 13:29
- Вход или регистрация для ответа
TV SHIVAKI STV-2112 Slim замен тдкс

- Вход или регистрация для ответа
 Вроде бы, как BSC25-N1090D-R = BSC25-29
Интересен подход к вопросу. Если в твоём месторасположении нет первого, вероятно. нет и второго.
Остаётся делать пробы в раскидывании имеющегося "под рукой".
Если всё же уверен, что в ТДКС-е вопрос.
- Вход или регистрация для ответа
 Под тaкую схeму многиe тдкс подходят особeнно с китaйских тв.
- Вход или регистрация для ответа
 тдкс точно пробит.
BSC25-29 тоже не нащел.
- Вход или регистрация для ответа
 Эт точно. Почти любой с питанием 110-115в и кадровой 24в.
Будем ремонтировать или пусть работает?
"Человеку нельзя помочь помимо его воли." Г. Померанц
- Вход или регистрация для ответа
 aristak, посмотри включение вот этих. Может подойдут.
1) 6174V-8008 A, 6174Z-8008A, BSC25-0561, HR8558
2) BSC25-4803T
И не ленись. Или мне всю работу сделать? :-)
- Вход или регистрация для ответа
 Конечно. Было бы здорово! :-)
Будем ремонтировать или пусть работает?
"Человеку нельзя помочь помимо его воли." Г. Померанц
- Вход или регистрация для ответа
 Замену нет у нас спасибо буду переделывать.
- Вход или регистрация для ответа
 Заменил на FCM-2012E21A спасибо.
http://monitor.net.ru/forum/viewtopic.php?t=345497
- Вход или регистрация для ответа
 aristak, без переделок, всё куда надо стало?
Будем ремонтировать или пусть работает?
"Человеку нельзя помочь помимо его воли." Г. Померанц
- Вход или регистрация для ответа
 Распиновка BSC25-N1090D-R
1 нога +180 вольт катод
2 нога коллектор строчного транзистора
3 нога FBP-IN
4 нога B+ 112 вольт
5 нога +12 вольт но на этом шасси не пользуются
6 нога +24 вольт кадр
7 нога ABCL
8 нога корпус
9 нога нет
10 нога накал
Распиновка FCM-2012E21A
1 нога +190 вольт катод
2 нога коллектор строчного транзистора
3 нога FBP-IN
4 нога B+ 112 вольт
5 нога нет
6 нога +25 вольт кадр
7 нога ABL
8 нога корпус
9 нога +12 вольт
10 нога накал