Потом скажешь шо я виноват!! На шо похож родной? Транс с двумя обмотками?Автотрансформатор?
Их ни когда не покупали,всегда подбирали с чего то нашего,с разборки или перематывали если корпус был в сохране.
Посмотри вокруг и трезво содрогнись,загляни в схемы,обрати внимание на питание драйвера(ТМС).Если с разбора и питание одинаковые сравни схемное исполнение и распиновку.
В конце то концов не проц подбираешь,хотя в свое время и это было.
Судя по картинке завышена частота строк,чо то не получилось.
"User2016" писал(а):
. Что смотреть ?
Сам пульт глянь камерой телефона.
На проце порт входа проверь на врабатывание on-off
Если с клавы все работает нада смотреть питание фотоприемника и сам.
Идеи бывают разные.
На входе микры стаба должно быть 12v,,а на выходе 8 при условии шо первая нога будет сидеть на корпусе. Однако это регулируемый стаб и на первой ноге должно быть условие для его работы.
Кудой идет эта цепь?Шо на ейной?
Вопрос еще как работает этот выпрямитель, его обмотки не соединены с общим проводом, с 14 снимают 115В, а со второй 12В, первый раз вижу такой выпрямитель.
Почти победил я этот телевизор, спасибо всем кто помогал.
Временно замен заменил КТ972 (грелся, был выбит) на КТ829А
Теперь главный вопрос, что сделать что бы изображение стало четкое, что решающее ТМС или транзистор КТ972 ?
Картинка пошла такая, нет фокусировки, изображение мутное.
Во время ремонта регулировки не крутил.
- Вход или регистрация для ответа
 Потом скажешь шо я виноват!! На шо похож родной? Транс с двумя обмотками?Автотрансформатор?
Их ни когда не покупали,всегда подбирали с чего то нашего,с разборки или перематывали если корпус был в сохране.
Посмотри вокруг и трезво содрогнись,загляни в схемы,обрати внимание на питание драйвера(ТМС).Если с разбора и питание одинаковые сравни схемное исполнение и распиновку.
В конце то концов не проц подбираешь,хотя в свое время и это было.
ЧЕЛОВЕК-звучит гордо,выглядит отвратительно!
- Вход или регистрация для ответа
 Перемотал я ТМС, включаю и вот какую картинку наблюдаю.
При этом есть свист, (видимо тдкс )
Думаю если найти нормальный ТМС690, может и заработает.
И еще вопрос, перестал работать пульт. Что смотреть ?
Прикрепленные файлы:
- Вход или регистрация для ответа
 Судя по картинке завышена частота строк,чо то не получилось.
Сам пульт глянь камерой телефона.
На проце порт входа проверь на врабатывание on-off
Если с клавы все работает нада смотреть питание фотоприемника и сам.
ЧЕЛОВЕК-звучит гордо,выглядит отвратительно!
- Вход или регистрация для ответа
 Это дело в ТМСе я правильно понимаю ?
- Вход или регистрация для ответа
 Возможно!! Мотать нада виток витку и шоб провод не болтался.
А лучше подкинуть с донора.
ЧЕЛОВЕК-звучит гордо,выглядит отвратительно!
- Вход или регистрация для ответа
 Замер напряжений блока питания. В дежурном режиме.
Вопрос с XN6 сколько там должно быть 8 или 1.25 В? По идее же 8 В, которы идут на питание микросхем.
Прикрепленные файлы:
- Вход или регистрация для ответа
 Идеи бывают разные.
На входе микры стаба должно быть 12v,,а на выходе 8 при условии шо первая нога будет сидеть на корпусе. Однако это регулируемый стаб и на первой ноге должно быть условие для его работы.
Кудой идет эта цепь?Шо на ейной?
ЧЕЛОВЕК-звучит гордо,выглядит отвратительно!
- Вход или регистрация для ответа
 Вопрос еще как работает этот выпрямитель, его обмотки не соединены с общим проводом, с 14 снимают 115В, а со второй 12В, первый раз вижу такой выпрямитель.
Что по схеме обозначает 1.25v/8v ?
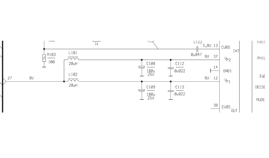
Куда идет 8В прикрепил фрагменты схемы.
27 провод это 8 В.
Прикрепленные файлы:
- Вход или регистрация для ответа
 Все соединено, это просто ошибка на схеме. (можешь проверить практически)
- Вход или регистрация для ответа
 Почти победил я этот телевизор, спасибо всем кто помогал.
Временно замен заменил КТ972 (грелся, был выбит) на КТ829А
Теперь главный вопрос, что сделать что бы изображение стало четкое, что решающее ТМС или транзистор КТ972 ?
Картинка пошла такая, нет фокусировки, изображение мутное.
Во время ремонта регулировки не крутил.
Прикрепленные файлы:
Страницы