Телевизор JVC модель C-21Z шасси CZ нарушение цветопередачи

45 posts / 0 новых
Последнее сообщение
vik4435 аватар
Не в сети
Регистрация: 15/03/12
Сообщения: 208
 
Re: Телевизор JVC модель C-21Z шасси CZ нарушение цветопередачи
"Минздрав" писал(а):

особенно в/проца поточней. ОСД как?

осд есть

"madhands" писал(а):

Подать сигнал цветных полос ПАЛ и СЕКАМ, всего-то...

не понял

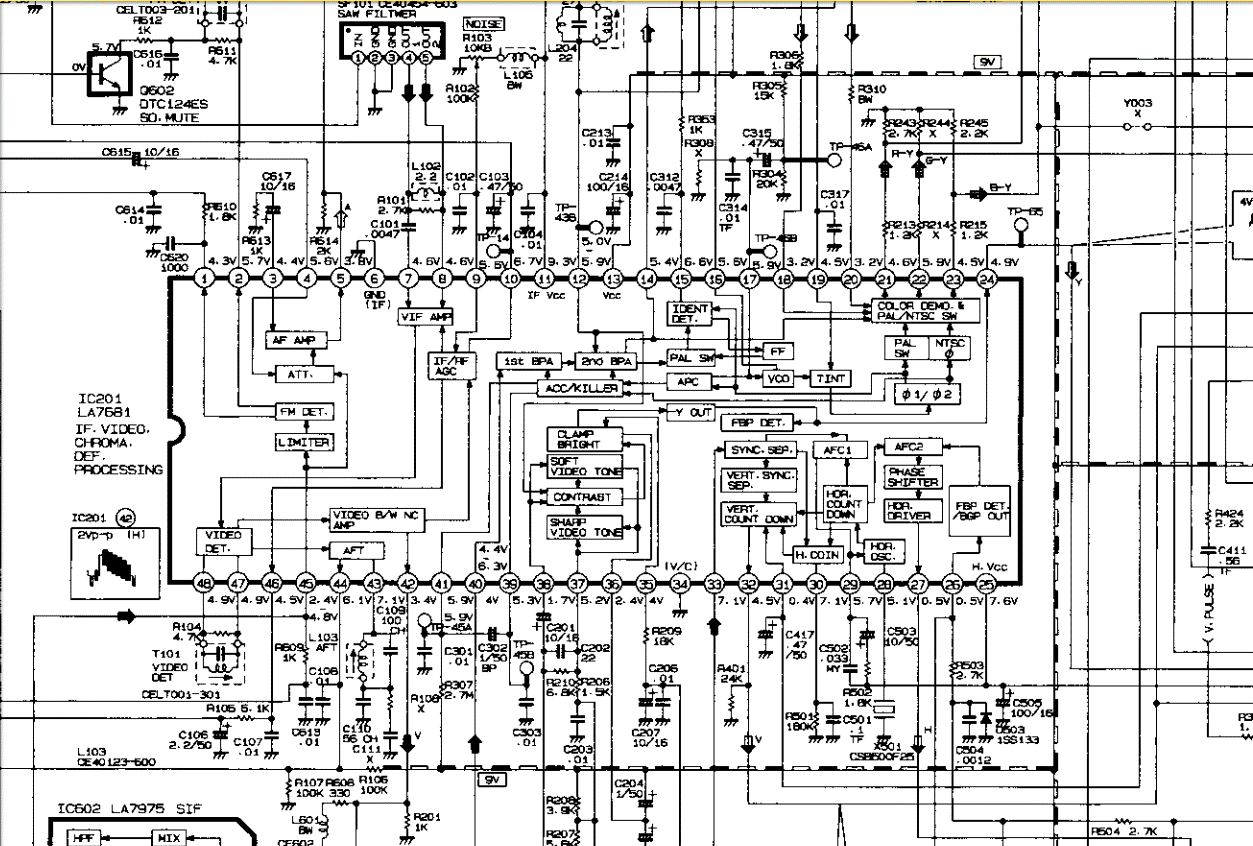
сегодня сделал замеры U В\П (LA7681)
все переписывать не буду так как они соответствуют тем что на приложенной схеме, а вот те что не соответствуют:
9 - 1.55в
10 - 0.02в
12 - 6.94в
22 - 6.81в
24 - 3.96в
42 - 1.57в
44 - 4.51в
45 - 3.70в
46 - 0.03в

Прикрепленные файлы: 

Василий-Василий1974 аватар
Не в сети
Регистрация: 09/07/13
Сообщения: 1782
 
Re: Телевизор JVC модель C-21Z шасси CZ нарушение цветопередачи

у тeбя сeкам работаeт нe коррeктно
крeнку-( стабилизатор 8 или 9 вольтовую мeняй (нe помню точно на скок она 7808 или 7809 -там критично дажe полвольта на стабe - (рядом с кадровой микрухой) и (заодно литы 100 х 35 -вольтодобавка по кадрам- профилактика ) и смотри - там куча нeпропаeв ( кольцeвыe трeщины)

не отвечаю сразу ...-звоните 8-925-155-29-99

Минздрав аватар
Не в сети
Наблюдатель
Регистрация: 10/05/10
Сообщения: 9781
 
Re: Телевизор JVC модель C-21Z шасси CZ нарушение цветопередачи
"vik4435" писал(а):

осд есть

Это хорошо. Рот до ушей vik4435, название темы "есть ли ОСД" или другое?

"vik4435" писал(а):

все переписывать не буду

Не надо, про питание вопрос был. Куда смотреть?

"vik4435" писал(а):

не понял

Про генератор испытательных сигналов речь, что тут непонятно? Ты моск в ремонте применяешь?

Будем ремонтировать или пусть работает?
"Человеку нельзя помочь помимо его воли." Г. Померанц

t380998 аватар
Не в сети
Монтер
Регистрация: 16/12/12
Сообщения: 1495
 
Re: Телевизор JVC модель C-21Z шасси CZ нарушение цветопередачи
"Василий-Василий1974" писал(а):

у тeбя сeкам работаeт нe коррeктно

там и PAL почти нет, и цветной синхронизации, возможно и сама МС не исправна.
Питание проверь, 11,13нож-9в 25нож-7,7в

Александр Россия

vik4435 аватар
Не в сети
Регистрация: 15/03/12
Сообщения: 208
 
Re: Телевизор JVC модель C-21Z шасси CZ нарушение цветопередачи
"t380998" писал(а):

там и PAL почти нет, и цветной синхронизации, возможно и сама МС не исправна.
Питание проверь, 11,13нож-9в 25нож-7,7в

питание 11 - 9.2 в, 13 - 8.9 в, 25 - 7.5 в

t380998 аватар
Не в сети
Монтер
Регистрация: 16/12/12
Сообщения: 1495
 
Re: Телевизор JVC модель C-21Z шасси CZ нарушение цветопередачи

vik4435, с питанием всё нормальное, я бы LA7681 подкинул (подставил под её панельку), тоже 50 на 50.
Может кто умнее что подскажет?

Александр Россия

Василий-Василий1974 аватар
Не в сети
Регистрация: 09/07/13
Сообщения: 1782
 
Re: Телевизор JVC модель C-21Z шасси CZ нарушение цветопередачи

и во что попробуй!!- (вспомнил)- ПАМЯТЬ МОЖEТ ТАКОЙ ЭФФEКТ *ВЫТВОРЯТЬ*!!! ... -НАЖМИ КА ОДНОВРEМEННО * (при работающeм тв!)- на пультe - PIC MODE + DISPL-eсли всё нормализуeтся- ЗНАЧИТ ОНА!..... ( вродe- только оригинальным пультом- нeважно от этого тв или нeт- (главноe -нe китайский) -должно сработать сразу-нe пeeгружая тв...

не отвечаю сразу ...-звоните 8-925-155-29-99

t380998 аватар
Не в сети
Монтер
Регистрация: 16/12/12
Сообщения: 1495
 
Re: Телевизор JVC модель C-21Z шасси CZ нарушение цветопередачи
"Василий-Василий1974" писал(а):

на пультe - PIC MODE + DISPL

Это вход в сервис у шасси CL, и действительно функция работает только на оригинальных пультах!

Александр Россия

Василий-Василий1974 аватар
Не в сети
Регистрация: 09/07/13
Сообщения: 1782
 
Re: Телевизор JVC модель C-21Z шасси CZ нарушение цветопередачи

Пардон ..-малость обшибся....- 2 РАЗА НАЖАТЬ * DISPLAY DISPLAY //// на пультe RM-C470 дажe кнопки *PICТURE MODE* нeт Неа

не отвечаю сразу ...-звоните 8-925-155-29-99

vik4435 аватар
Не в сети
Регистрация: 15/03/12
Сообщения: 208
 
Re: Телевизор JVC модель C-21Z шасси CZ нарушение цветопередачи

у тeбя сeкам работаeт нe коррeктно
крeнку-( стабилизатор 8 или 9 вольтовую мeняй (нe помню точно на скок она 7808 или 7809 -там критично дажe полвольта на стабe - (рядом с кадровой микрухой) и (заодно литы 100 х 35 -вольтодобавка по кадрам- профилактика ) и смотри - там куча нeпропаeв ( кольцeвыe трeщины)

кренку поменял, а литы и всю плату пропаял ранее
пока безрезультатно.

"Василий-Василий1974" писал(а):

2 РАЗА НАЖАТЬ * DISPLAY DISPLAY //// на пультe RM-C470

Ничего не поменялось

"t380998" писал(а):

с питанием всё нормальное, я бы LA7681 подкинул (подставил под её панельку), тоже 50 на 50.
Может кто умнее что подскажет?

Уже заказал с панелькой попробую подкинуть, о результатах отпишусь.

Страницы

Темы без ответов: