Телевизор Goldstar,шасси MC-41B
состав : проц.G8434-03A
БП: STR-6707
ВП: TA 8690 ;
КР: TA 8445K
УНЧ: TDA 2006.
При настройке в автомат. режиме "пролетает" -не останавливается .
---в ручном реж "останавливается "но немного "с опозданием" т.к. в реж. точная настр . можно настроить уже "окончательно".
Настройки "помнит".
Просьба : показать последовательность поиска неисправности (применительно к эт. конкр. схеме)
30/03/2012 - 13:26
- Вход или регистрация для ответа
Телевизор Goldstar шасси MC-41B.Пропускает настройки[Решено]

- Вход или регистрация для ответа
 Взял да и подстроил контур АПЧГ. А сломаешь получишь бААльшое удовольствие подбирать замену.
- Вход или регистрация для ответа
 А самому почитать? http://www.google.ru/search?q=%D1%88%D0%B0%D1%81%D1%81%D0%B8+MC-41B.%D0%...
Будем ремонтировать или пусть работает?
"Человеку нельзя помочь помимо его воли." Г. Померанц
- Вход или регистрация для ответа
 Спасибо за инфу .... читаю
- Вход или регистрация для ответа
 Прикрепленные файлы:
- Вход или регистрация для ответа
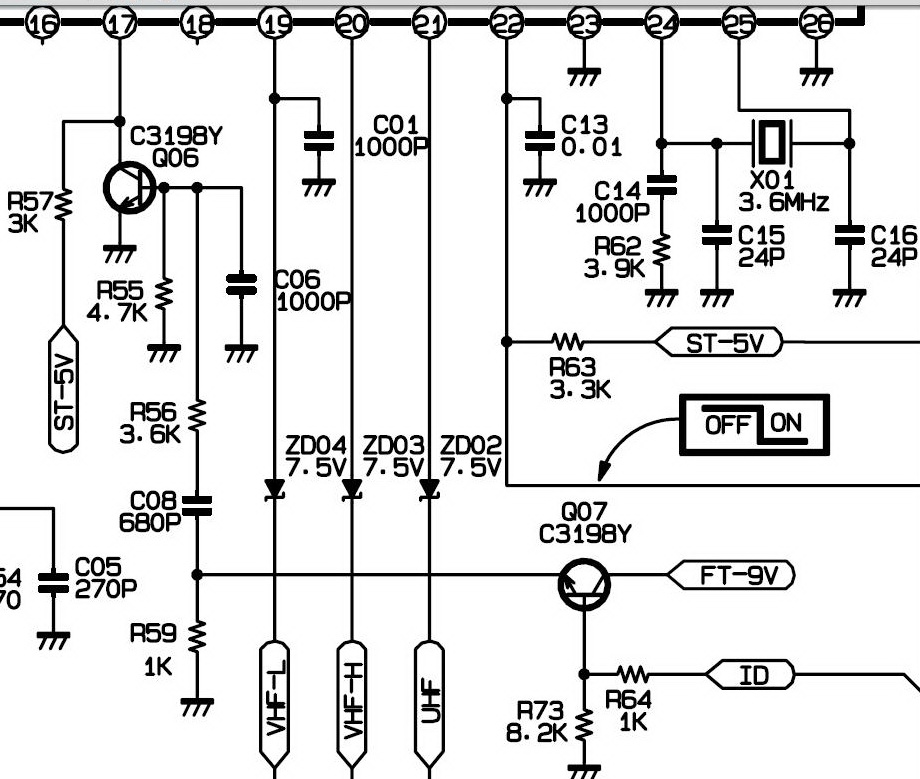
 ""RECOR, SHIVAKI и др. на шасси H-501V2, L106 - 62pF
GoldStar шасси MC-41B L507, L508 - 62pF шасси MC-64A, MC-64B VL501 - 47pF
SAMSUNG шасси P68SA T104 82pF ""
- Вход или регистрация для ответа
 samvasilii, ты куда то в дебри лезешь. Первым делом вот, что надо пробовать:
Круть и автонастройка. Потом остальное, если надо.
Будем ремонтировать или пусть работает?
"Человеку нельзя помочь помимо его воли." Г. Померанц
- Вход или регистрация для ответа
 Согласен на 100, при этом пров-ку канала, ни кто, не отменял.
Прикрепленные файлы:
- Вход или регистрация для ответа
 здесь бы немного "разжевать" :smu:sche_nie:
- Вход или регистрация для ответа
 Проверка канала ID
- Вход или регистрация для ответа
 samvasilii, не парь мозги, ты будешь конд выгрызать или просто подстроешь сердечник? Определись.
Включаешь не авто, а ручной поиск и подкручиваешь по маленьку: подкрутил - поиск до канала и смотри, уже хорошо на "авто-захвате" или ещё нужно
Гадания и предсказания решений по бобам, желудям, дыму, кофейной гуще...
Продажа товаров для ремонта LED подсветки, инструменты, материалы, радиодетали
Страницы