Такая проблема, телик работал и резко экран стал весь зелёный и видны линии обратного хода(ОХ)
Подскажите плиз в чём проблемка.
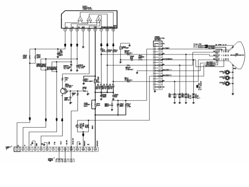
судя по прочитаным на форуме тем предположительно,что видеоусилитель TDA6109JF
1нога 1,6в
2нога 1,5в
3нога 1,4в
6нога 200в
7нога 50в
8нога 180в
9нога 180в схема платы кинескопа.png Samsung CS-29K10ZQQ.jpg

- Вход или регистрация для ответа
 Сдохла микросхема
Каждому-свое.
- Вход или регистрация для ответа
 Очень может быть. А сколько на катодах? Измерял без антенны или в AV? И почему ТВ заявлен 29", а на фото 14" или 20"?
Будем ремонтировать или пусть работает?
"Человеку нельзя помочь помимо его воли." Г. Померанц
- Вход или регистрация для ответа
 Картина пугающая, но надо бы катодики отключить сначала!
Страждущего можно накормить рыбой, а можно дать удочку... продаст, колбаски купит!
- Вход или регистрация для ответа
 А зта? !!!!!!!.JPG Мне сдаётся, очень похоже.
Прикрепленные файлы:
Будем ремонтировать или пусть работает?
"Человеку нельзя помочь помимо его воли." Г. Померанц
- Вход или регистрация для ответа
 Это не очень похоже, а это оно же! Где взял?
Страждущего можно накормить рыбой, а можно дать удочку... продаст, колбаски купит!
- Вход или регистрация для ответа
 У себя в картинках, уж с полгода там лежит. На 29" не похоже ни грамма, а вот смысла подмены пока не пойму. :nez-nayu:
Будем ремонтировать или пусть работает?
"Человеку нельзя помочь помимо его воли." Г. Померанц
- Вход или регистрация для ответа
 У меня есть мысль, но она светлая
Страждущего можно накормить рыбой, а можно дать удочку... продаст, колбаски купит!
- Вход или регистрация для ответа
 :-) sima3006, подними резисторы к катодам и увидишь, менять ли микру.
Будем ремонтировать или пусть работает?
"Человеку нельзя помочь помимо его воли." Г. Померанц
- Вход или регистрация для ответа
 как поднять? :ny_tik:
какая мысль?
- Вход или регистрация для ответа
 7 нога на которой 50 вольт идет на зеленый катод,отпаяй резистор и посмотри что будет на экране.А так же спрашивали в каком режиме измерял напряжения -в тв или аv
Каждому-свое.
Страницы