Системный процессор ДР-РР
Системный процессор (системный проц или ещё называют сис проц) это микросхема управляющая всему функциями аппарата. В телевизорах эти процы включают и выключают, регулируют громкость, насыщенность цвета, яркость, контрастность и тд и переключают программы. Управляются процессора частично или полностью механически посредством клавиатуры (кнопки на панели телевизора) и при помощи устройства на ИК лучах-пульта.
Одно из самых чаше встречаемых проблем при ремонте определение проц включает или нет телевизор и почему. Какие необходимые условия нужны для того, что бы процессор формировал команду включения?
А)Питание, обычно 5,0 вольт или 3, 3 вольта,
Б) Рабочий генератор, обычно выполнен на пьезоэлементе-кварце и включен или напрямую на ножки проца или добавлены ещё конденсаторы емкостью обычно 12-33 пф,
В) сброс (резет) обнуление, обычно или включена на земляную шину или через устройство задержки на напряжение питания проца,
Г) на порте клавиатуры номинальное напряжение или 0 вольт или напряжение питания,
Д) порт фотоприёмника обычно напряжение ниже на 0,5 -1 вольт напряжения питания,
Е) Полноценный обмен по интерфейсным шинам-порты SDA и SCL. Интерфейс может быть один, а может и больше. Через него обмен с видеопроцессором, памятью, селектором и тп.
То есть если нет выполнения этих условий, то процессор в 9 случаях из 10 не включится, а если и включится, то будет некорректно работать. Если же эти условия выполнены, и процессор не включается, то он неисправен.
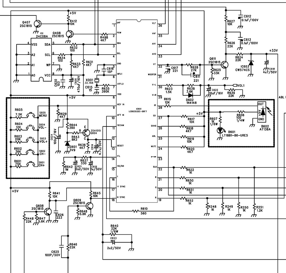
Рассмотрим на примере Erisson 1401 шасси MDY6
System_processor.jpg
Питание-8 пин (нога) проца 5,0 вольт.
6 и 7 пин генератор-кварц Х001 22,764 мгц, C615, R635. Обычно напряжение на этих ногах 1,5-2,5 вольта.
13 пин-резет-5 вольт через Q604.
9 пин порт клавиатуры-0 вольт.
26 порт фотоприёмника 4,1-4, 5 вольта.
3 и 4 пин интерфейс. Обмен проц-память-видеопроцессор (не показан здесь) Около 5 вольт.
Конечно, лучше всего по осциллографу посмотреть обмен по интерфейсу и генерацию, но и проверке напряжения обыкновенным вольтметром работоспособность этих цепей определяется с точностью 90%.
Итак, если хотя бы одно напряжение не соответствует, то процессор не включит телевизор, то есть не сформирует команду повер (pow) 9 пин и напряжение на ней останется 5 вольт.
Если же все напряжения соответствуют, то процессор неисправен.

- Вход или регистрация для ответа
 Процессор, после включения в РР может сразу же переключится в ДР. Одна из возможных причин-это срабатывание защиты (пин на процессоре имеет название ABNORMAL, PROTECTOR, PROTEC и тому подобное). Защита нужна для блокирования работы телевизора при выходе из строя или угрозе выхода из строя определённых деталей и узлов. Обычно это СР и цепи питания с ТДКС. Как работает защита? На пине PROTEC процессора обычно напряжение равное напряжению питания процессора. Оно формируется посредством внешних элементов. При выходе из строя или угрозе выхода напряжение на пине изменяется и процессор переключается в ДР. Например процессор LG8634-16B шасси MC-64A.
mc64aгор.JPG
Защита (ABNORMAL) 20 пин. Напряжение 5 вольт в ДР и РР. Контролируются цепи через D401 ABL (ТДКС), входное напряжение IC401,входное напряжение IC430, через D415 выходное напряжение 8 вольт IC430, через D408 напряжение на ТМС, через Q302 кадровая развёртка. На практике наиболее часто встречающиеся дефекты:
А) Самопроизвольное переключение с РР в ДР через несколько часов или даже минут-потеря ёмкости C408,
Б) Телевизор включается в РР но не работает СР-неисправен D408.
Графика (служебная информация) это буквенно-цифровая информация выводимая процессором на дисплей телевизора. То есть на какой программе включено, какой уровень громкости, настройки и тд и тп...
В процессоре генератор формирует саму графику а для привязки к "картинке", то есть синхронизации, служат кадровый и строчный импульсы. На примере процессора шасси MC-64A генератор собран на 28 и 29 пинах (OSC1 и OSC2) внешние элементы L01, C10, C11, R72. Синхронизирующие строчный импульс приходит на 1 пин процессора с 10 пина ТДКС (цепь R412 и ZD402 делитель с ограничением по размаху), кадровый приходит на 2 пин с Q303. При отсутствии графики проверяется сначала прохождение кадрового и строчный импульсов до процессора, затем генератор графики.
схема MC-64A http://www.tvservice.org/node/130
Прикрепленные файлы: