Источники питания (ИП). Дежурный режим (ДР) и рабочий режим (РР).
Источники питания это преобразователи переменного напряжения в несколько постоянных и стабилизированных напряжений для питания аппаратуры. Принцип работы-переменное напряжение выпрямляется и сглаживается, затем преобразуется в напряжение частотой несколько десятков килогерц и через ТПИ (трансформатор питания импульсный) – гальваническая развязка-передаётся во вторичные цепи.
Различают два режима работы ИП ДР и РР.
В дежурном режиме.
ИП вырабатывает несколько напряжений, но самое главное напряжение для питания системного процессора! Оно должно быть не меньше определённой величины!
В рабочем режиме.
Одно из самых главных-напряжение питания строчной развёртки, обозначается B+! От величины B+ зависит как режим работы кинескопа, так и других блоков и деталей, питающихся с вторичных цепей ТДКС!
Напряжения ИП во вторичных цепях в режимах РР и ДР могут быть практически одинаковыми, а также разными. Как определить отличаются они или нет?
Для перевода аппарата из ДР в РР системный процессор должен дать команду, и она должна дойти до ИП. И обязательное условие-гальваническая развязка! Для гальванической развязки применяются оптопары. Это пара оптических элементов в одном корпусе, гальванически развязанных между собой. Светодиод и фототранзистор. Светодиод включен во вторичку ИП, фототранзистор в первичку. И в зависимости от тока протекающего через светодиод он светится с разной интенсивностью, соответственно ток через фототранзистор также пропорционально изменяется.
Вывод прост, если нет оптопары, то напряжения во вторичке в режимах ДР и РР практически одинаковы, но обычно в ДР больше на 1-2%.
Например: ИП HORIZONT 14A01 шасси ШЦТ 739М1
Оптопары нет. В ДР напряжение B+ 120 вольт (C828), в РР 115 вольт.
Но и наличие оптопары в схеме не обязательно означает, что напряжения ДР и РР сильно отличаются.
Например: ИП AKIRA 14XBS1BE(M) шасси 8821
Оптопара есть. Но через неё не передаётся команда ДР-РР. Роль же оптопары данной схемы-обеспечение стабилизации вторичных ИП, а также посредством подстроечного спротивления через оптопару можно изменить в небольших пределах вторичные напряжения ИП.
ИП в которых команда включения ДР-РР передаётся через оптопару имеют различные вторичные напряжения и обычно напряжения ДР составляют 50-70% от РР но не всегда!
Главное, ещё раз повторю-напряжение питания системного процессора не ниже определённой величины!
Рассмотрим ИП шасси TV2KY.
Если ИП находится в ДР, то выходные напряжения занижены где-то на 30%. При поступлении команды STD BY с процессора +5 вольт на базу Q004 этот транзистор открывается, Q685 закрывается, Q686 закрывается, через диод оптопары ток уменьшается, фототранзистор оптопары в первичке ИП закрывается, на базе Q611 напряжение увеличивается и ИП включается в РР.

- Вход или регистрация для ответа
 Разделение на блокинг-генератор и схему управления
Источник питания на дискретных элементах (транзисторах) сконструированы схематично из двух частей:
1) автогенератор (блокинг-генератор),
2) устройство управления работой автогенератора (схема управления, ключ КУ и R огр. ).
Автогенератор обеспечивает выработку импульсных напряжений на ТПИ, а устройство контролирует выходные напряжения источника питания и регулирует работу автогенератора при их изменении. Автогенератор обычно выполнен на:
а) мощном выходном транзисторе,
б) обмотке ТПИ работающей в режиме ПОС (Положительная обратная связь),
в)сопротивлении Rсв и ёмкости Cсв, последовательно включенных в цепь между обмоткой ПОС и базой транзистора
г) сопротивлении смещения Rсм, включенном между Uпит+ (выпрямленное сетевое напряжение) и базой транзистора.
д) диода, обеспечивающего постоянство отпирающего тока базы транзистора и шунтирующего RC цепочку в прямом направлении.
Обмотка ПОС, Rсв и Cсв формируют импульс определённой формы на базе транзистора. Диод формирует положительное смещение на базе транзистора, тем самым, обеспечивая необходимый размах на обмотках ТПИ. Rсм служит для первичного запуска автогенератора.
Идея методики ремонта. Отключить блокинг- генератор от схемы управления и части нагрузок на вторичных обмотках блока питания, проверить его работоспособность, если нужно отремонтировать, а затем в несколько приёмов подключать схему управления, нагрузки и т.д. при этом проверять работоспособность и при необходимости ремонтировать.
Но если просто включить автогенератор, то ИП сразу же пойдёт в "разнос" и ключевой транзистор выйдет из строя. Также при наличие дефектов в самом генераторе ключевой транзистор также может выйти из строя. Поэтому проверять нужно в двух режимах. Отключаются во вторичке ИП все нагрузки, за исключением диода и ёмкости по B+ и параллельной этой ёмкости подключается лампа обычно 220 вольт 60 ватт. Затем отключается схема управления и её питание и в разрыв между сетевым конденсатором и обмоткой ТПИ подключается лампа 220вольт 100ватт.
Включается ИП. Обе лампы должны загореться и ИП не издавать посторонних звуков. Если не загорается лампа на B+ или ИП трещит, верещит и тп, то блокинг-генератор нужно ремонтировать. Если нормально, то восстанавливается место соединения конденсатор-ТПИ и лампа 100 ватт впаивается вместо предохранителя. Лампы желательно подбирать таким образом, чтобы на В+ напряжение было как можно ближе к оптимальному. На сеть комплект ламп 200ватт, 150ватт, 100 ватт, на нагрузку 100ватт, 60 ватт, 40 ватт. Если неизвестно какие лампы оптимальны для данного блока питания, то лучше начинать со 100 ватт -сеть и 100 ватт-нагрузка. Увеличение мощности ламы в цепи сети-увеличивается В+, увеличение мощности в нагрузке-уменьшается.
После проверки работоспособности блокинг-генератора во втором режиме подключаются последовательно схема управления, нагрузки и т.д. при этом проверяется работоспособность и при необходимости ремонтируется.
Ремонт ИП. Шасси PAEX0159. Состав: Транзисторы: 2SA4458, 2SC3807, 2SA1015, оптопара PC817.
http://www.tvservice.org/forum/viewtopic.php?f=11&t=4102
Ремонт ИП . Шасси M50. Состав: Транзисторы: 2SA5586, 2SC1959, 2SA1015, 2SA1015.
http://www.tvservice.org/forum/viewtopic.php?f=11&t=4061
Прикрепленные файлы:
- Вход или регистрация для ответа
 Источники питания (ИП), шим-контроллер и опорный полевой транзистор в одном корпусе-STR, имеют широкое применение не только в составе телевизоров, но в и других электронных устройствах, в том числе DVD, ресиверах и так далее. Принцип работы у них один, но питание ШИМ (драйвера) осуществляется разными способами. Предлагаемая методика ремонта применима для тех ИП, в которых питание драйвера осуществляется через гасящее сопротивление от сети.
Источник схематично выглядит следующим образом:
Устройство управления (ШИМ)-выходной каскад (Полевой тразистор, обмотки ТПИ, постоянное питающее напряжение)
Цепь Rп, Сп и VDп предназначена для питания ШИМ. При включении напряжение поступает через Rп на пин питания ШИМ и сглаживается Cп. Сопротивление подбирается таким образом, что бы ШИМ стартовал, то есть сформировал пачку импульсов на затвор ключа, но после этого напряжение уменьшается до рабочего и если нет “подпитки” с ТПИ через VDп (ИП не вырабатывает напряжения), то ШИМ выдаёт импульсы очень малого размаха.
Идея методики ремонта. Отключить силовую часть, то есть отключить питание выходного каскада STR и начать ремонт с проверки работоспособности ШИМ. ШИМ сам по себе, то есть без выходного ключа, при такой схеме включения стартует-выдаёт пачку импульсов, напряжение на питающем пине уменьшается-ШИМ выдаёт очень маленькие импульсы-соответственно потребляем меньше ток-напряжение на питающем пине возрастает и ШИМ снова стартует. То есть прибором можно определить стартует или нет. Напряжение на питающем пине должно рывками изменяться от рабочего до стартового. Если не так, то проверяется сама микросхема, гасящее сопротивление, конденсатор, диод с подпитки и другие детали в цепи если они есть. После того как ШИМ начнёт нормально стартовать подключается питание выходного каскада STR и включается ИП. При необходимости продолжается ремонт ИП и (или) самого аппарата.
Ремонт Ип. Состав STR6653 (ШИМ-контроллер и ключевой полевой транзистор в одном корпусе) и оптопара H817B. ERISSON 1401. Шасси 3Y11.
http://www.tvservice.org/node/571
Прикрепленные файлы:
- Вход или регистрация для ответа
 Источники питания (ИП), шим-контроллер, в паре с опорным полевым транзистором, имеют широкое применение не только в составе телевизоров, но в и других электронных устройствах, в том числе DVD, ресиверах и так далее. Принцип работы у них один, но питание ШИМ осуществляется разными способами. Предлагаемая методика ремонта применима для тех ИП, в которых питание ШИМ осуществляется через гасящее сопротивление от сети.
Источник схематично выглядит следующим образом:
Устройство управления (ШИМ)-выходной каскад (Полевой тразистор, обмотки ТПИ, постоянное питающее напряжение)
Цепь Rп, Сп и VDп предназначена для питания ШИМ. При включении напряжение поступает через Rп на пин питания ШИМ и сглаживается Cп. Сопротивление подбирается таким образом, что бы ШИМ стартовал, то есть сформировал пачку импульсов на затвор ключа, но после этого напряжение уменьшается до рабочего и если нет “подпитки” с ТПИ через VDп (ИП не вырабатывает напряжения), то ШИМ выдаёт импульсы очень малого размаха.
Идея методики ремонта. Отключить силовую часть, то есть удалить (выпаять) ключевой транзистор и начать ремонт с проверки работоспособности ШИМ. ШИМ сам по себе, то есть без выходного ключа, при такой схеме включения стартует-выдаёт пачку импульсов, напряжение на питающем пине уменьшается-ШИМ выдаёт очень маленькие импульсы-соответственно потребляем меньше ток-напряжение на питающем пине возрастает и ШИМ снова стартует. То есть прибором можно определить стартует или нет. Напряжение на питающем пине должно рывками изменяться от рабочего до стартового. Если не так, то проверяется сама микросхема, гасящее сопротивление, конденсатор, диод с подпитки и другие детали в цепи если они есть. После того как ШИМ начнёт нормально стартовать проверяется тем же прибором импульс на выходе, так же напряжение должно рывками изменяться. Затем впаивается ключ, проверяются детали в его обвязке и включается ИП. При необходимости продолжается ремонт ИП и (или) самого аппарата.
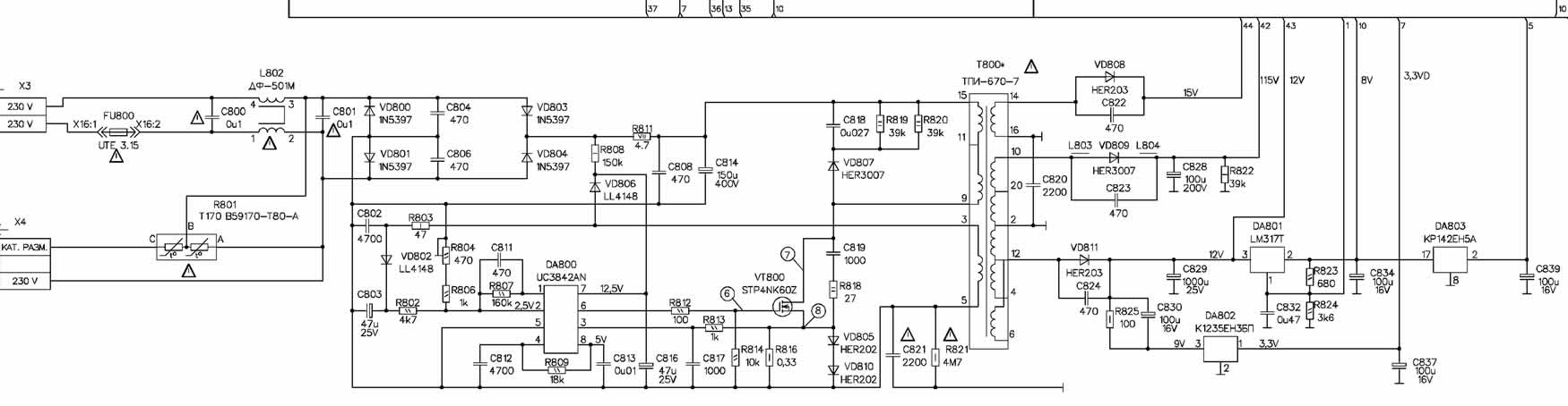
Ремонт ИП. HORIZONT 14A01 Шасси ЩЦТ-739М1. Состав: ШИМ UC3842AN и полевой транзистор STP4NK60Z.
http://www.tvservice.org/node/485
Ремонт ИП. Шасси 11AK19. Состав: ШИМ MC44603 (MC44603), оптопара CQY80NG , полевой транзистор MTP6N60E.
http://www.tvservice.org/node/507
Ремонт ИП. Витязь 54ТЦ-6411. Состав: ШИМ TDA4605, полевой транзистор BUZ-90.
http://www.tvservice.org/node/509
Ремонт ИП. Horizont 29CF54, шасси ШЦТ-777. ШИМ TEA1506P, полевой транзистор STP5NK60ZFP, оптопара TCDT 1122.
http://www.tvservice.org/node/517
Ремонт ИП. Horizont 14A06. Шасси ШЦТ739М-1-3. Состав ШИМ UC3844 и полевой транзистор STP4NK60Z.
http://tvservice.org/node/570
Ремонт ИП. Horizont 54CTV 655. Шасси ШЦТ-655. Состав ШИМ TDA4605 (аналоги КР1033ЕУ5 и КР1087ЕУ1) и полевой транзистор КП707 (BUZ80).
http://tvservice.org/node/572
Ремонт ИП. Polar 37CTV4015. Шасси S0902, а также для шасси S06, S07, S08, S09. Состав ШИМ UC3842, полевой транзистор BC30G.
http://tvservice.org/node/581
Ремонт блока питания. Polar 54CTV3160. Шасси U21AXT. Состав ШИМ TDA4605 и полевой транзистор В4Т60С2.
http://tvservice.org/node/583
Ремонт ИП. Horizont 37CTV-664M. Шасси 11AK36-A2. Состав ШИМ UC3843 и полевой транзистор MTP6N60E (SSP7N60A).
http://tvservice.org/node/592
Прикрепленные файлы: