ИП Horizont 54CTV-660

89 posts / 0 новых
Последнее сообщение
baсkdoor аватар
Не в сети
Регистрация: 27/08/10
Сообщения: 39
 
Re: ИП Horizont 54CTV-660
"Raketa" писал(а):

Вот-вот и я смотрю на все эти измерения и думаю: чёрный щуп... куда ставится...
А также прибор верно ли измеряет...

прибор новый, там я ступил немного, замеряю В+ на С827

Raketa аватар
Не в сети
Отключен
Регистрация: 29/09/09
Сообщения: 3157
 
Re: ИП Horizont 54CTV-660

1) Установи 115.
2) Другие напряжения с ИП соответствуют?

Возможно ли в голову за две минуты вложить опыт многих лет.
"Никакие рассуждения не в состоянии указать человеку путь, которого он не хочет видеть". Ромен Роллан

Минздрав аватар
Не в сети
Наблюдатель
Регистрация: 10/05/10
Сообщения: 9781
 
Re: ИП Horizont 54CTV-660
"baсkdoor" писал(а):

замеряю В+ на С827

Правильно. R709 может плавать/тянуться под напругой. Для спокойствия замени. А где там ДМ я так и не понял.

Будем ремонтировать или пусть работает?
"Человеку нельзя помочь помимо его воли." Г. Померанц

tvs
tvs аватар
Не в сети
Регистрация: 03/01/06
Сообщения: 2981
 
Re: ИП Horizont 54CTV-660

baсkdoor два провода с защелками на массе кинескопа прицеплены?

baсkdoor аватар
Не в сети
Регистрация: 27/08/10
Сообщения: 39
 
Re: ИП Horizont 54CTV-660

пля, задолбало, замерил напруги на ИП, на 5-ой ноге ШИМа 3.4(над чертой там 3.2, под чертой 2.6), на затворе VT800 2.3(маловато, над чертой 3.2, под чертой 2.6), на стоке 285(над четрой 270, под чертой 230)

baсkdoor аватар
Не в сети
Регистрация: 27/08/10
Сообщения: 39
 
Re: ИП Horizont 54CTV-660
"aze1959" писал(а):

baсkdoor два провода с защелками на массе кинескопа прицеплены?

да, прозвонил их на платы, все нормально

baсkdoor аватар
Не в сети
Регистрация: 27/08/10
Сообщения: 39
 
Re: ИП Horizont 54CTV-660
"Raketa" писал(а):

А где там ДМ я так и не понял.

"ДМ" расшифруйте, пожалуйста.

Raketa аватар
Не в сети
Отключен
Регистрация: 29/09/09
Сообщения: 3157
 
Re: ИП Horizont 54CTV-660

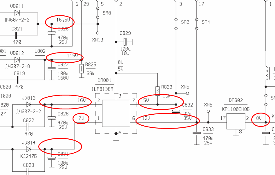
Выпрямители. Выпрямители.png

Прикрепленные файлы: 

Возможно ли в голову за две минуты вложить опыт многих лет.
"Никакие рассуждения не в состоянии указать человеку путь, которого он не хочет видеть". Ромен Роллан

Минздрав аватар
Не в сети
Наблюдатель
Регистрация: 10/05/10
Сообщения: 9781
 
Re: ИП Horizont 54CTV-660

(

"baсkdoor" писал(а):

"ДМ" расшифруйте, пожалуйста.

Диодный модулятор. 709 заменил? В первичке ничего не меряй, это глупо, ничего не узнаешь.

Будем ремонтировать или пусть работает?
"Человеку нельзя помочь помимо его воли." Г. Померанц

baсkdoor аватар
Не в сети
Регистрация: 27/08/10
Сообщения: 39
 
Re: ИП Horizont 54CTV-660

709 не заменил пока - нету.
Отчет по напругам:

где 16.5в - там 14
115-120(опять поплыло)
16-15.4
5-5.4
12-12.8
8-8.3
7-8.4

м да, телеку лет 10, литы плывут, буду смотреть, но видимо, это не основная проблема

Страницы

Темы без ответов: